Hi,
Wow! That would be enough to drive me crazy.
The first thing I'm going to recommend is to have the can bus scanned. CAN stands for controller area network. Basically, the modules/computers are tied together with a few wires. This will help identify any fault codes regardless of the module.
This is likely going to be a B-type code and not a powertrain code. If you look at pic 1 below, I just attached a few examples of instrument cluster faults. If we don't have a code, it could be a long time until the fault is found.
Now, before you have the can checked, I want you to confirm the charging system is properly working. If the voltage gets too high or low, it causes all kinds of issues. And yes, it could cause this.
Here is a link that explains how to check the alt output. Please make sure battery terminals are clean and tight also.
https://www.2carpros.com/articles/how-to-check-a-car-alternator
Let me know what you find with that.
Next, here is a video showing how the can is scanned:
https://youtu.be/InIlnsjOVFA
If you find the alternator is working properly (it's regulated via the PCM), then hopefully the can will point us in the right direction.
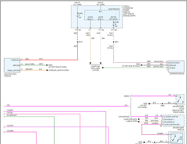
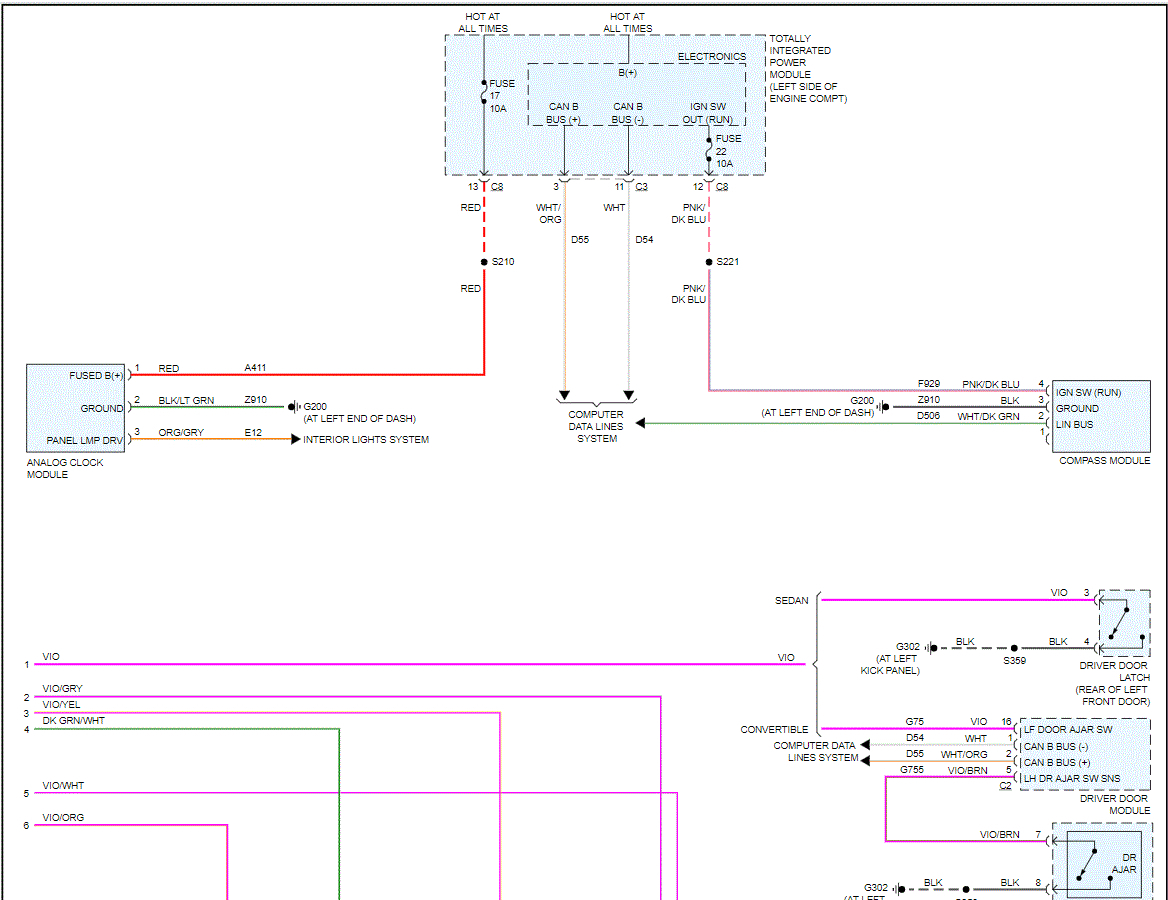
One last thing. As a reference, I attached the wiring schematics for the instrument cluster. Take notice there are wires identified as computer data lines. That is the can system. Any of those could be failing as well.
Here is a link you may find helpful if you jump into checking the wiring:
https://www.2carpros.com/articles/how-to-check-wiring
Let me know what you find or if you have other questions.
Take care,
Joe
See pics below.
Images (Click to enlarge)
Apr 16, 2021 at 8:48 PM