Instrument cluster pin wiring diagram needed?

2011 TOYOTA COROLLA
8 MILES • 1.6L • 4 CYL • 2WD • AUTOMATIC
Avatar
ABDUL SABITH
  • MEMBER
  • 8 POSTS
Can I please get the instrument cluster wiring diagram for this car listed above?
Jul 4, 2023 at 9:05 AM
Advertisement
Avatar
STRAILER
  • CERTIFIED EXPERT
  • 53,855 POSTS
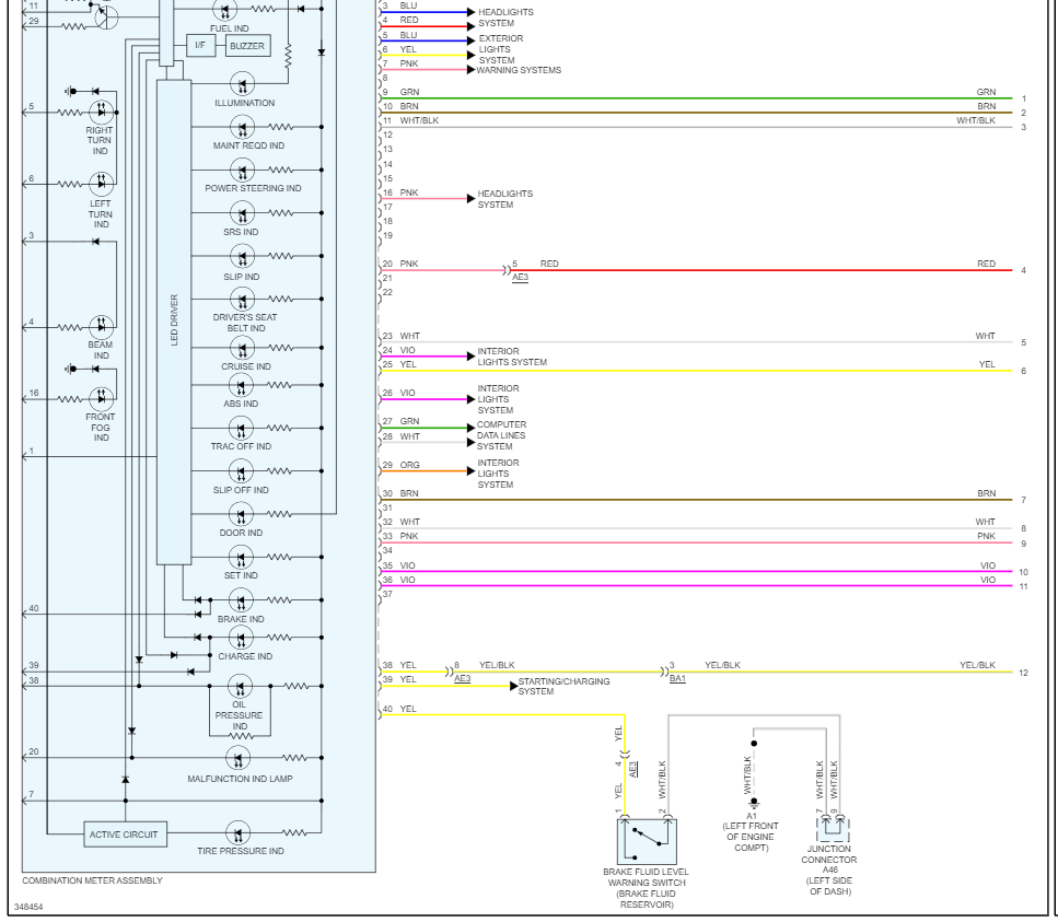
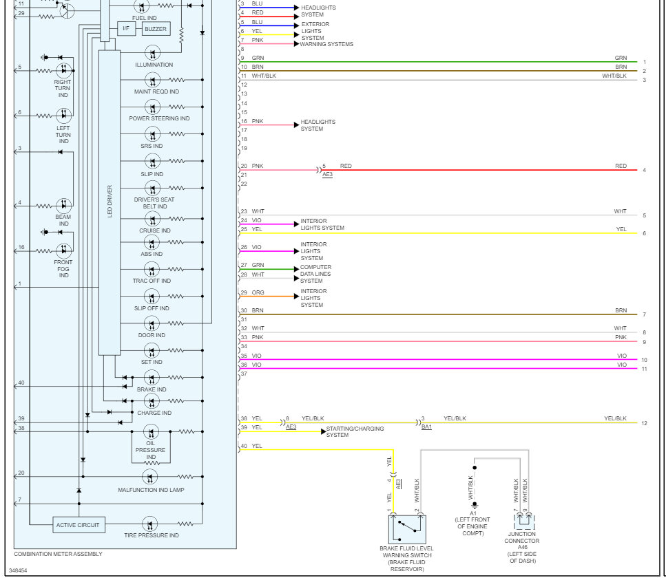
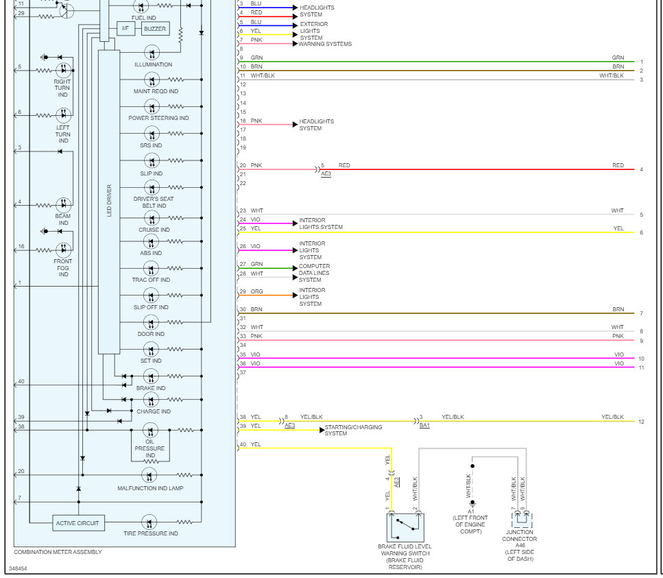
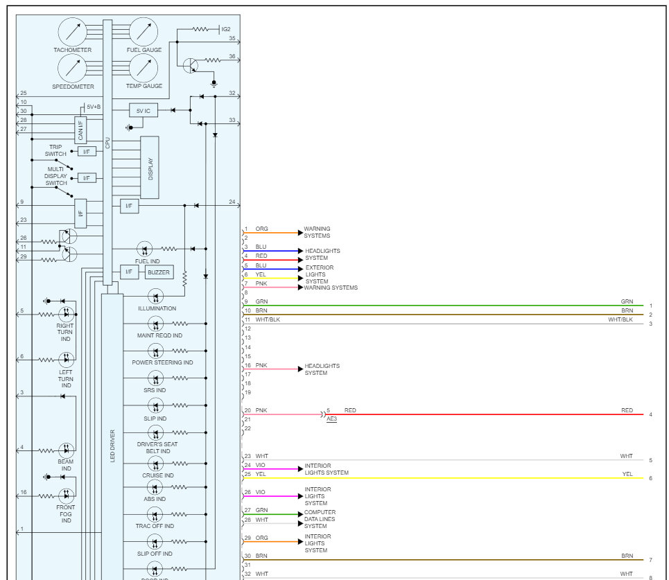
Sure, here is the instrument cluster wiring diagrams and a guide to help you test the connections:

https://www.2carpros.com/articles/how-to-check-wiring

Check out the images (below). Please let us know if you need anything else to get the problem fixed.
Jul 4, 2023 at 12:57 PM