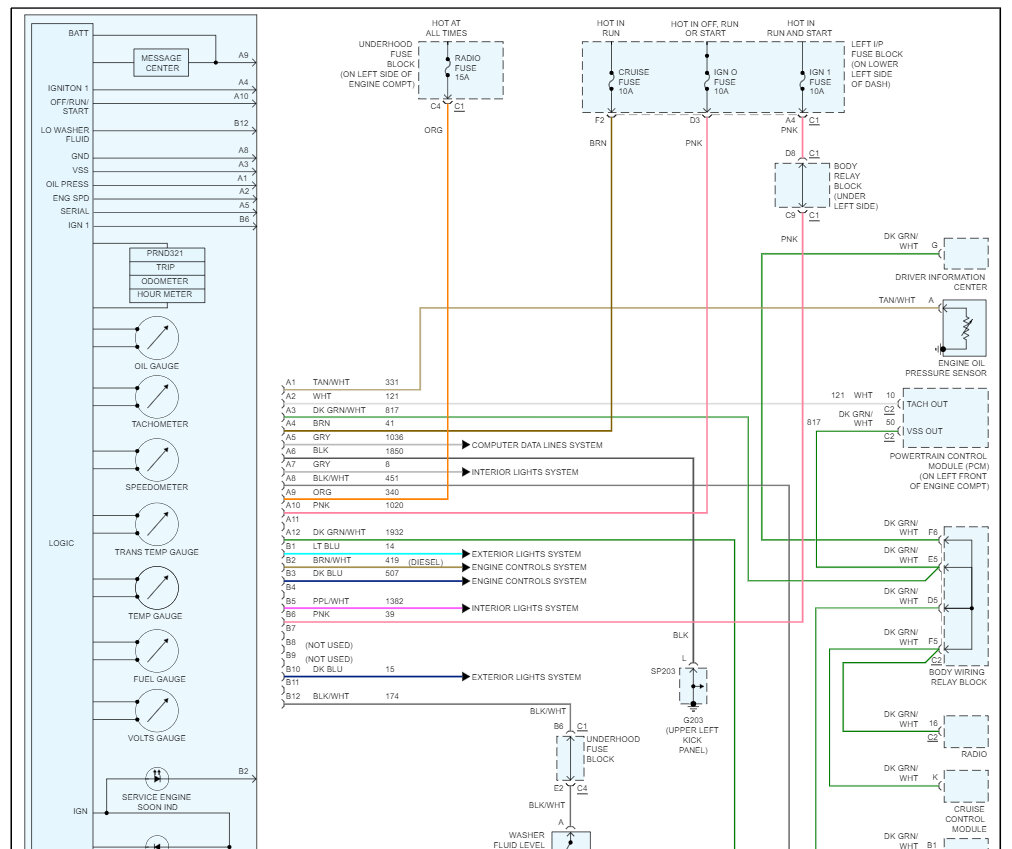
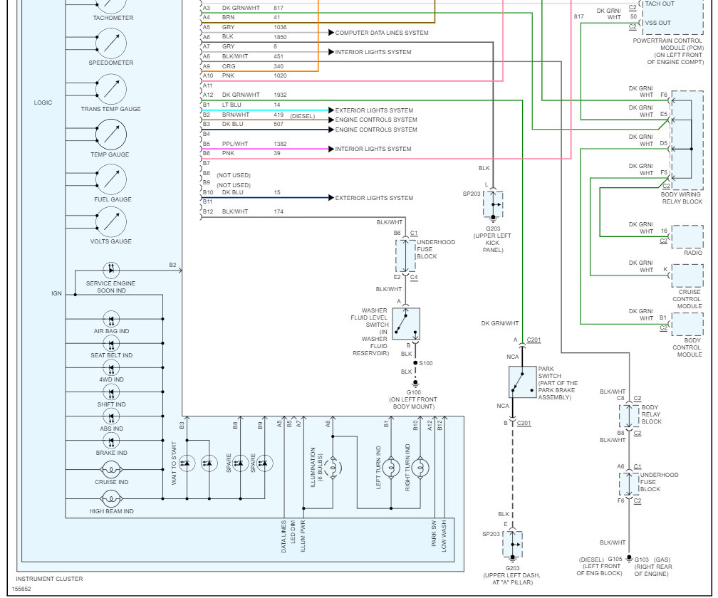
I have an issue with my dash where only the blinkers, security and service engine soon light come on. I do not believe any of the other gauge's work. However, if I press and hold the trip/reset button, all lights come on and gauges appear to work correctly. If I hold it down everything appears to work fine, until I let it go. I checked the power to the instrument cluster harness and the grounds, and everything seems to check ok. I have tried to check some fuses but haven't found anything bad yet. Any ideas on fixing this issue?
Jun 21, 2023 at 8:43 AM

























