Instrument cluster lights not working in daytime?

2005 CHEVROLET SILVERADO
112,000 MILES • 5.3L • V8 • 4WD • AUTOMATIC
Avatar
BRYAN BLICK
  • MEMBER
  • 2 POSTS
My instrument cluster lights work great at night and the dimmer works great as well; everything works as it should, but during daytime, the instrument cluster lights won't work at all, and I can't see my cluster. The odometer and everything on the LCD readout works fine and I can see that.
I just can't see my gauges during daytime.
Please help. What is wrong?
Aug 17, 2023 at 8:17 PM
Advertisement
Avatar
STRAILER
  • CERTIFIED EXPERT
  • 53,854 POSTS
First, we need to check the fuse TBC 2A in the fuse panel on the left side of the dash. This guide can help:

https://www.2carpros.com/articles/how-to-check-a-car-fuse

If the fuse is okay, it sounds like the BCM is out but to be sure we should do a CAN scan. You can get a CAN scanner (Controller Area Network) which will work on most cars from Amazon.

Here is a video to show you how:


https://youtu.be/u-4syLc-ifQ


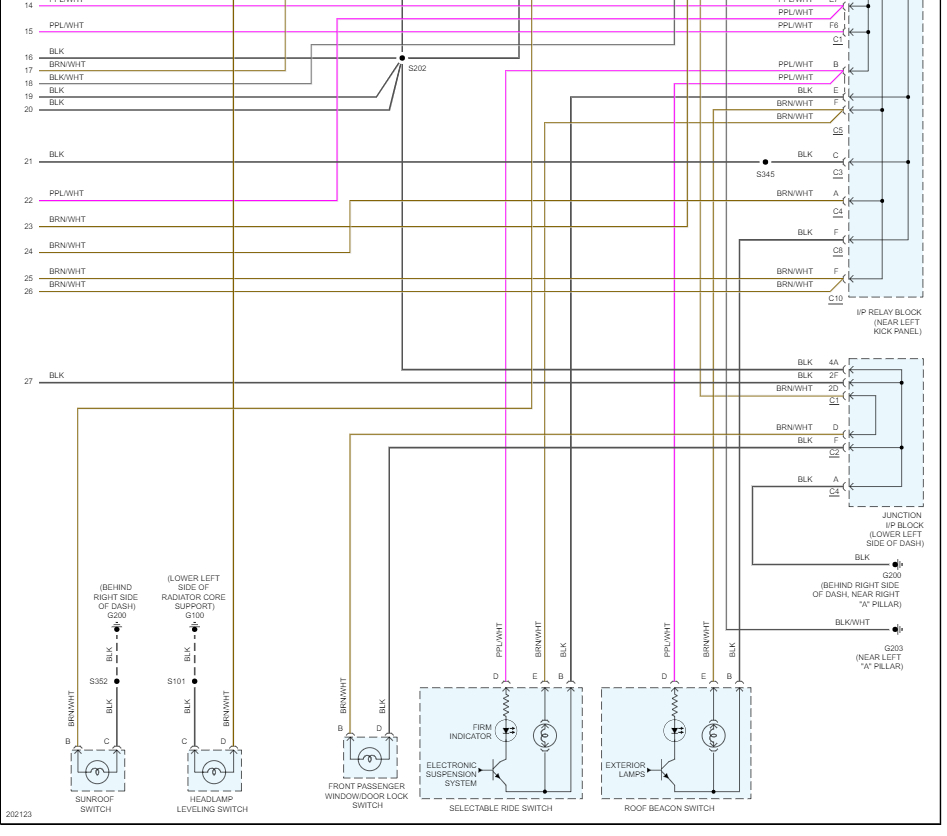
Here are the instrument cluster wiring diagrams so you can see how the system works and how to swap out the BCM, you can get a preprogrammed unit by searching Google or Ebay. Check out the images (below). Please let us know what happens.
Aug 18, 2023 at 11:50 AM