Instrument cluster issues

1997 JEEP WRANGLER TJ
125,000 MILES • 4.0L • 6 CYL • 4WD • MANUAL
Avatar
LEGGE1967
  • MEMBER
  • 2 POSTS
The instrument cluster gauges are not working but all the indicators lights still work. Fuses seem okay, non blown, pins on the dash connector seem fine and I swapped out a second cluster and it has the same issues.
Feb 12, 2019 at 1:41 PM
Advertisement
Avatar
STRAILER
  • CERTIFIED EXPERT
  • 53,854 POSTS
Hello,

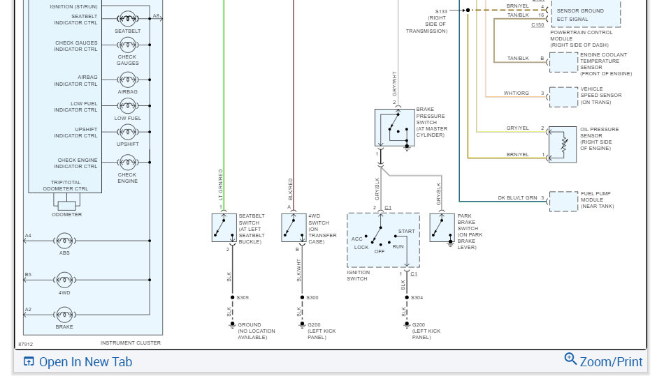
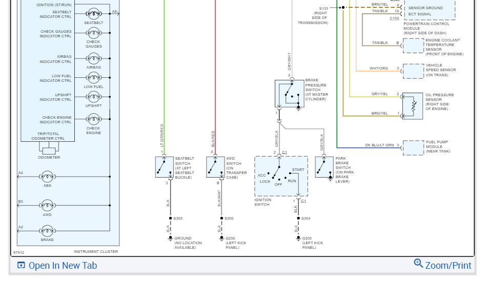
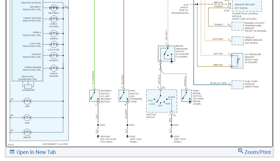
Do you have power at fuses #17 and 10? here is a guide to help us check and the cluster wiring diagrams so you can see how the system works:

https://www.2carpros.com/articles/how-to-check-a-car-fuse

Check out the diagrams (below). Please let us know what you find. We are interested to see what it is.
Feb 15, 2019 at 6:36 PM