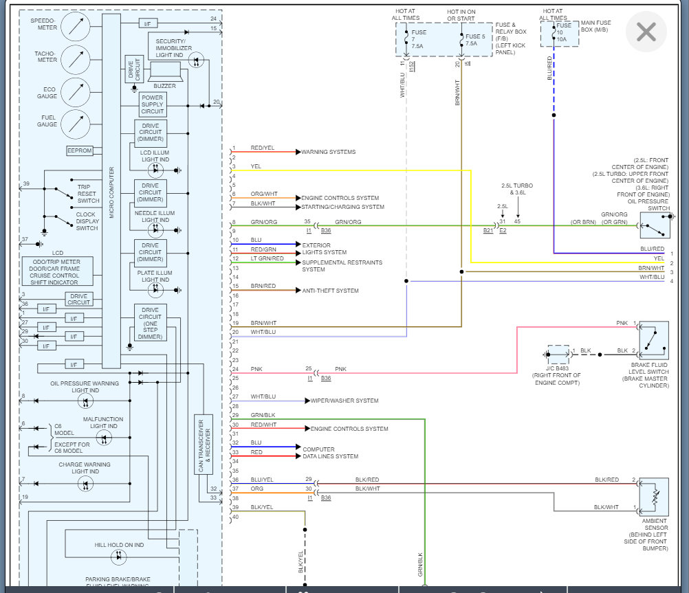
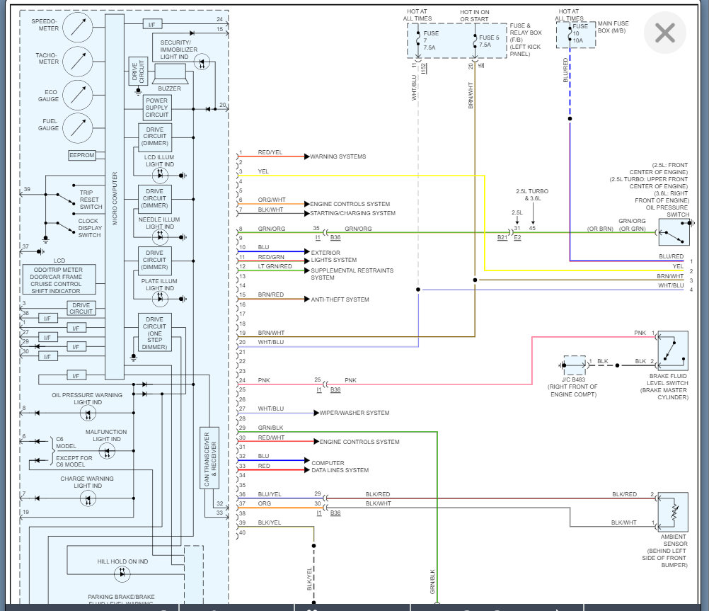
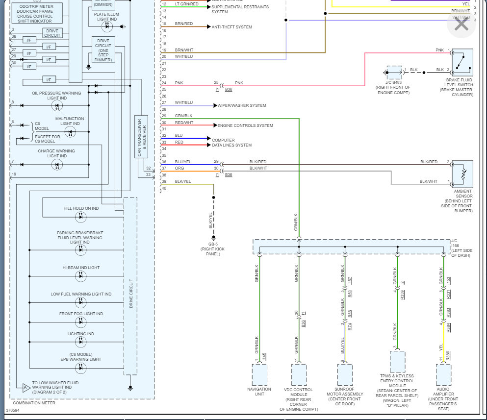
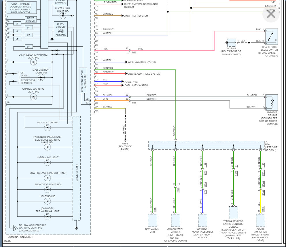
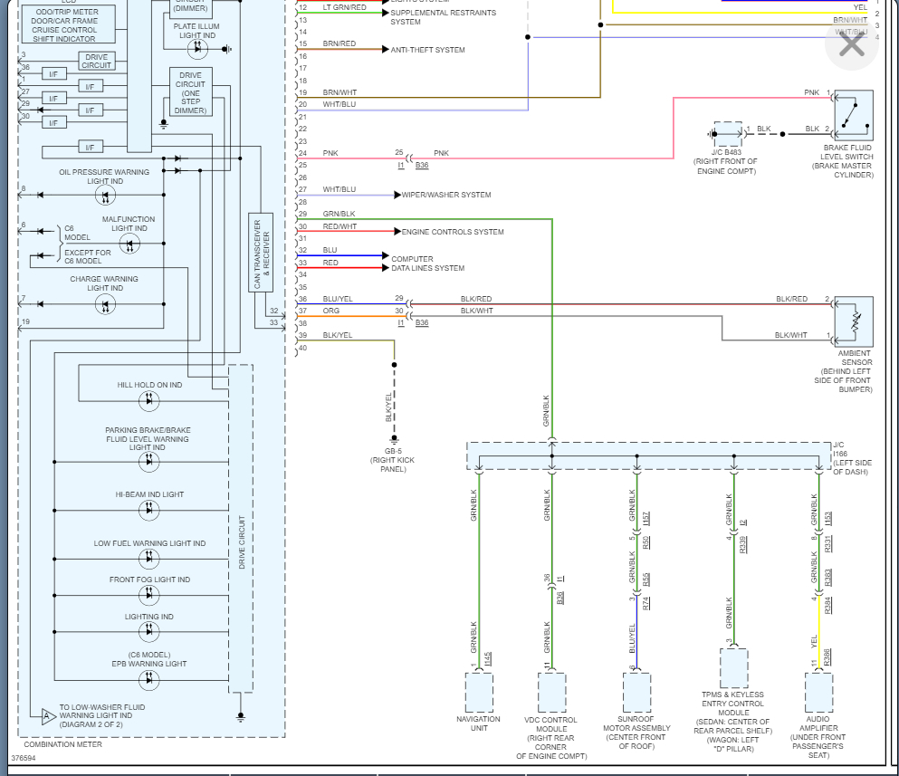
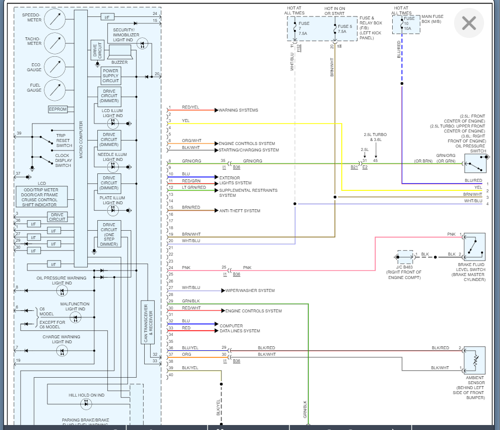
The cluster is fully plugged in and still shows flashing lights on the dash and when I drive it doesn’t show my speed or show the gas gauge moving it’s just at empty and 0mph, and the car has a hesitation to start when I crank it.
Mar 5, 2022 at 10:13 PM


