Instrument cluster hesitation

2005 HYUNDAI ELANTRA
11,992,464 MILES • 1.6L • 4 CYL • 2WD • AUTOMATIC
Avatar
AMRDESIGNER87
  • MEMBER
  • 2 POSTS
The instrument cluster some times while I am on ramp up or accelerating the gauge goes out of range like the power has been cut off and restored again the same time but the glitch happens... So how can I solve that problem?
May 1, 2020 at 4:27 PM
Advertisement
Avatar
JACOBANDNICKOLAS
  • CERTIFIED EXPERT
  • 110,175 POSTS
Hi,

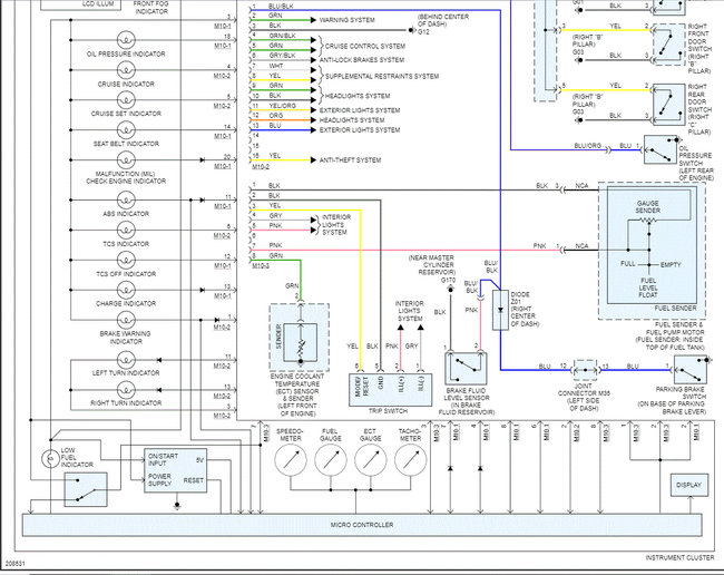
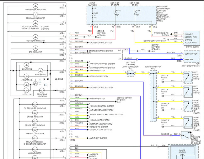
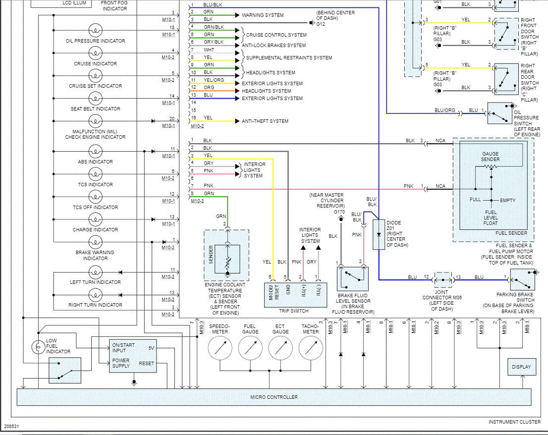
I'm not going to lie. It may not be easy. First, I attached two pics below of the wiring schematic related to the instrument panel/gauges. The first thing I would check is the wiring connection to the micro controller which is part of the cluster.

If you look at pic 3, I circled the micro computer. Are these these the things which stop working? If they are the only things that fail, I have a feeling it is the micro computer which is failing.

Let me know. Also, let me know if you have other questions.

Take care,
Joe
May 1, 2020 at 9:14 PM
Avatar
AMRDESIGNER87
  • MEMBER
  • 2 POSTS
Hi,
I appreciate your help but all the gauges(circled in the pictures) are working fine in normal conditions and also the hesitation occurs at the whole panel (gauges, lcd and all indicators).
Some one told me that happens because of bad ignition either from spark plugs or coils itself.
May 2, 2020 at 3:12 AM
Advertisement
Avatar
JACOBANDNICKOLAS
  • CERTIFIED EXPERT
  • 110,175 POSTS
Honestly, the ignition system is separate from the instrument panel. What I would suggest is to first make sure the connections to the IP cluster are tight and not damaged.

Let me know.

Joe
May 2, 2020 at 8:07 PM