Can I get the instrument cluster dash harness pin colors labeled?

1989 CHEVROLET CAPRICE
98,000 MILES • 5.7L • V8 • 2WD • AUTOMATIC
Avatar
TRUCKERJ76
  • MEMBER
  • 5 POSTS
I was looking for where I can find the instrument cluster dash harness pin colors labeled? I need to identify a few of them.
Sep 8, 2023 at 4:06 PM
Advertisement
Avatar
JACOBANDNICKOLAS
  • CERTIFIED EXPERT
  • 110,175 POSTS
Hi,

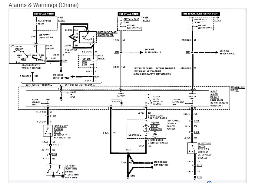
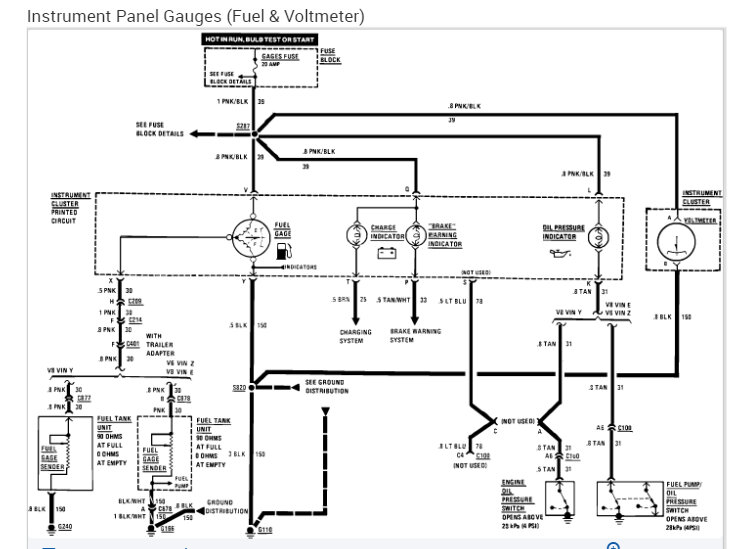
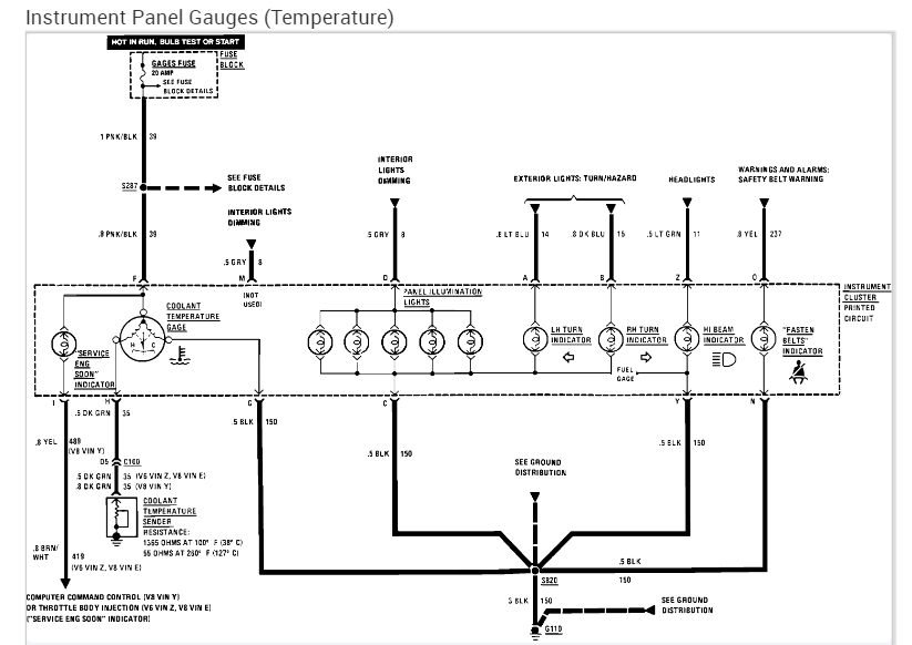
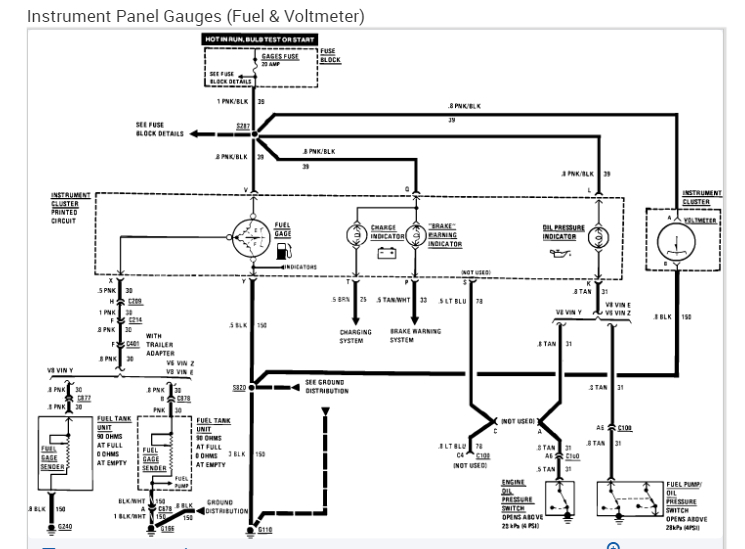
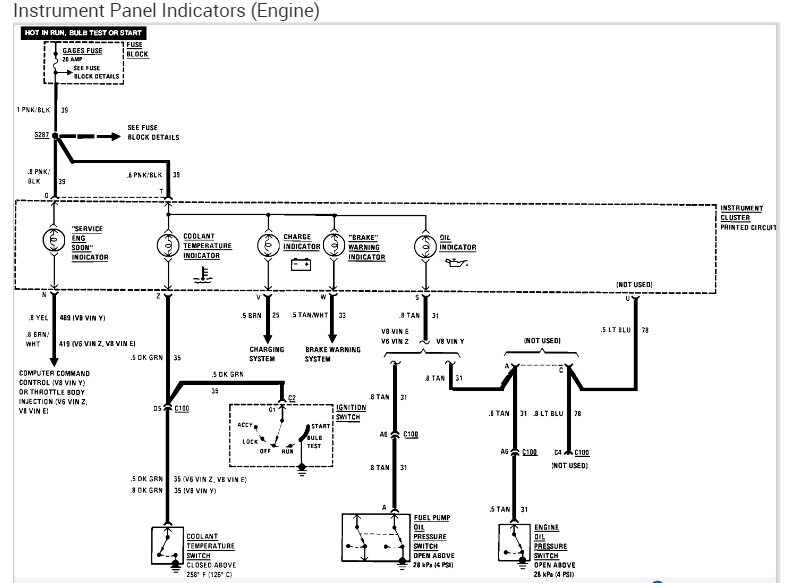
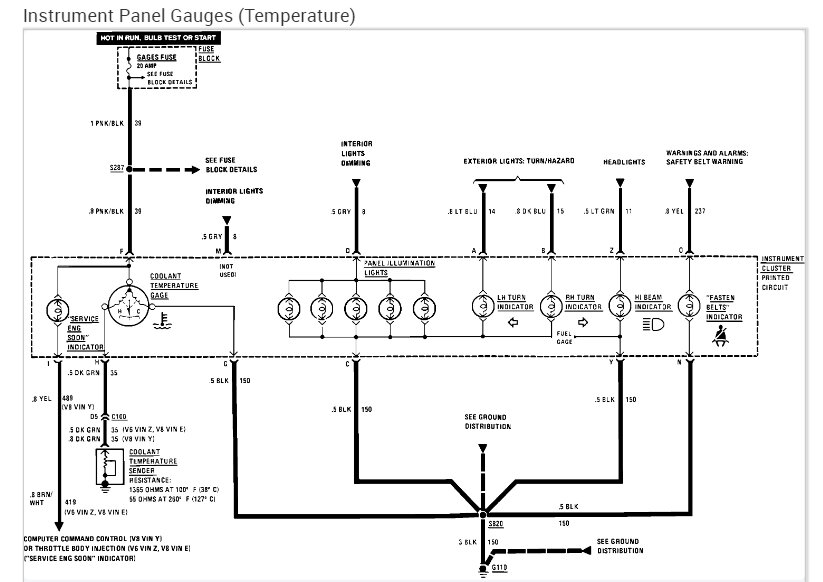
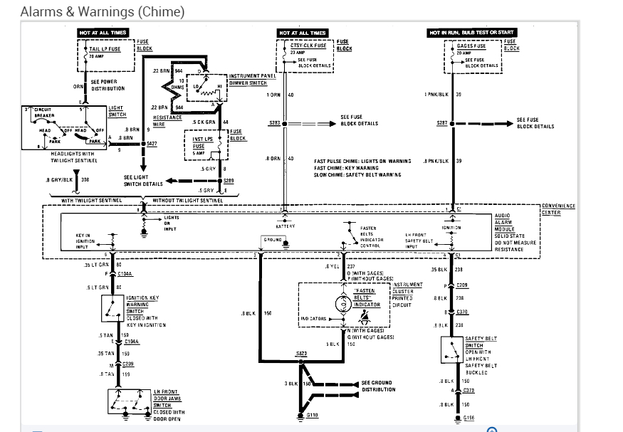
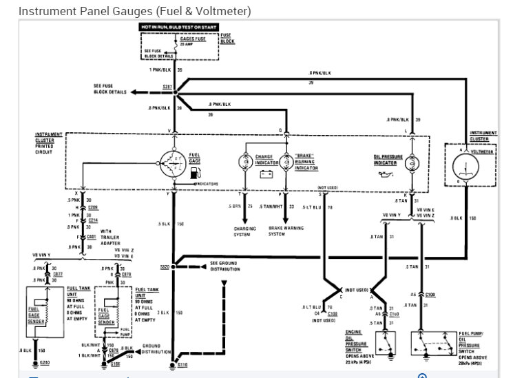
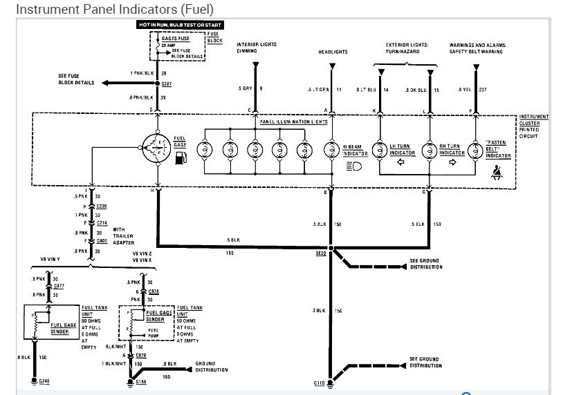
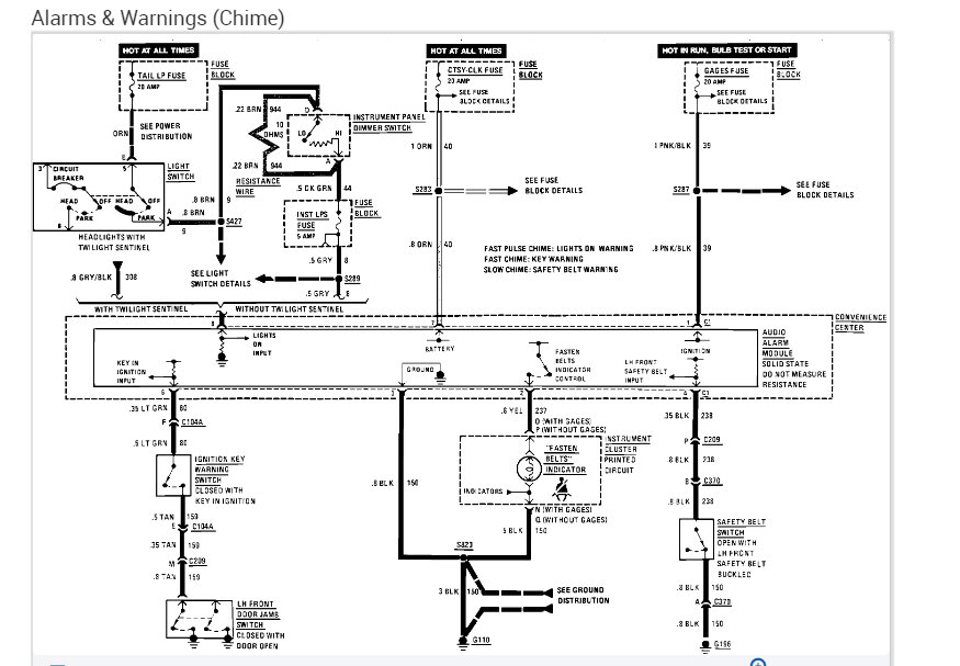
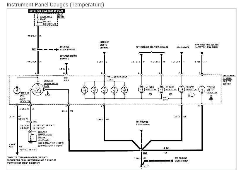
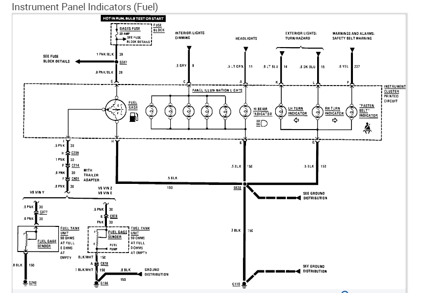
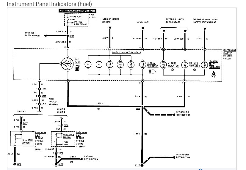
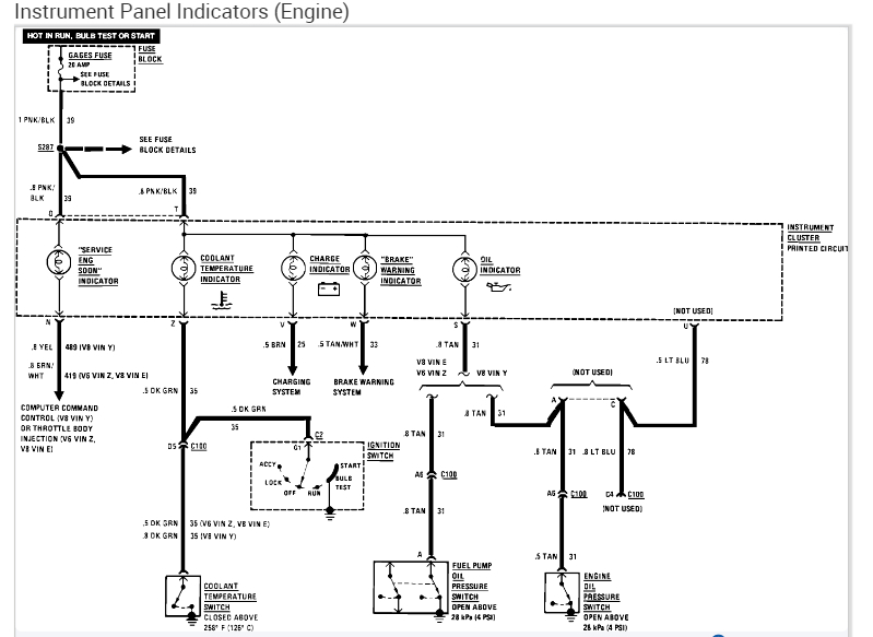
Because of the model year, I am very limited. I was able to find factory schematics related to the different components in the cluster.

If you look below, I attached what I found. They are broken down based on what in the cluster is being checked. They do provide wiring colors to help identify different circuits.

Also, here is a link you may find helpful:

https://www.2carpros.com/articles/how-to-check-wiring

Let me know if this helps.

Take care,

joe

See pics below.
Sep 8, 2023 at 9:29 PM
Avatar
TRUCKERJ76
  • MEMBER
  • 5 POSTS
Thank you, this is very helpful!
Sep 10, 2023 at 5:14 AM
Advertisement
Avatar
JACOBANDNICKOLAS
  • CERTIFIED EXPERT
  • 110,175 POSTS
Hi,
No problem whatsoever. I'm glad they helped. If you have a chance, let me know how things turn out for you. Also, let me know if I can help in any way.

Take care,

Joe
Sep 10, 2023 at 7:15 PM