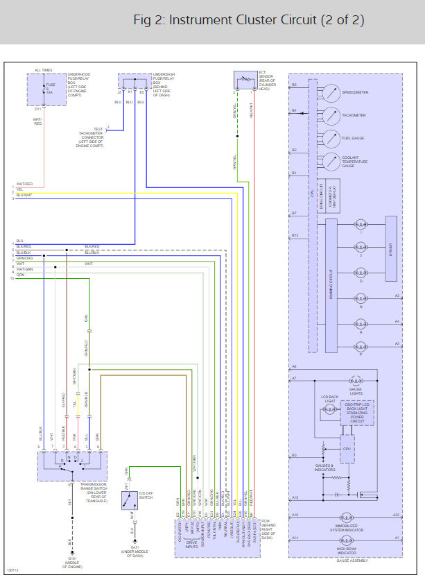
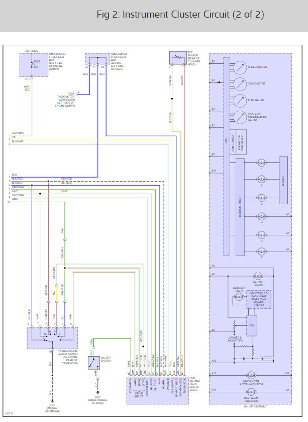
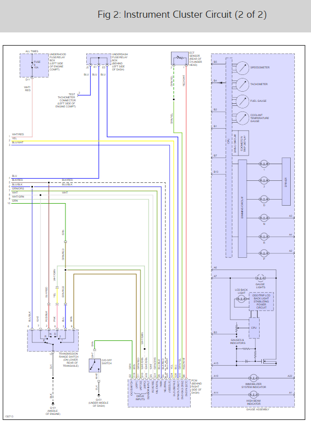
my odometer lights were blinking so I read unhook the negative cable wait sixty seconds put it on did that. now I have no speedometer, tachometer, temperature gauge and fuel gauge, nothing works. Checked all the fuses everything is good.
Apr 6, 2018 at 12:26 PM





