Instrument cluster not working properly

2003 SATURN L300
170,000 MILES • 3.0L • 6 CYL • 2WD • AUTOMATIC
Avatar
CHARLES GRUBAUGH
  • MEMBER
  • 1 POST
Instrument cluster don't work all danger lights come on and flash until it is running then they flash with turn signal's.
Aug 25, 2020 at 11:28 AM
Advertisement
Avatar
JACOBANDNICKOLAS
  • CERTIFIED EXPERT
  • 110,175 POSTS
Hi,

When you say they all flash until it is running, is the flashing consistent or erratic? Also, with the signals, do they flash in sync with the signal flasher?

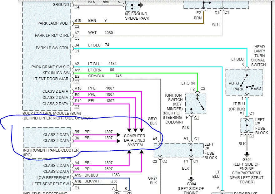
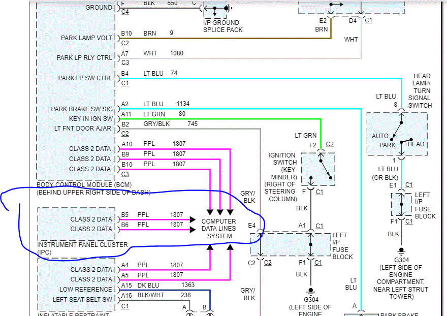
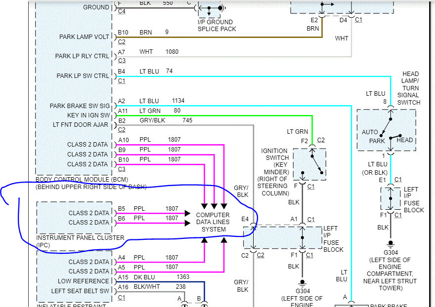
Let me know. Also, you really should scan the CAN bus system. CAN stands for computer area network and the instrument cluster and exterior lighting (signals) are tied together. See pic 1. If you have this done, it should show where the break down is.

Here is a video that shows how to scan the CAN BUS system:


https://youtu.be/InIlnsjOVFA

If possible, have this done. If you noticed on the pic, it shows the computer (CAN) lines and how they are connected.

If you can't, let me know if there is anything you can think of in addition to what you said that could help me diagnose the issue

Let me know.
Joe


Aug 25, 2020 at 7:20 PM