Instrument cluster does not work?

2011 CHEVROLET MALIBU
160,000 MILES • 2.4L • 4 CYL • 2WD • AUTOMATIC
Avatar
SHEWNCH
  • MEMBER
  • 8 POSTS
The instrument cluster doesn’t work and a light on the gear selector stays illuminated in one spot, will stay in N even when I’m in P, D or reverse. I’ve replaced the negative battery cable because I found that the old one was loose, and it seemed like that worked. A week later it happened again. I checked the fuses, they were still in good condition, but I replaced them anyway. And although this seemed to work, a few days later I was back at square one. It seems that every time I run into this issue, disconnecting, and reconnecting the neg cable temporarily fixes the issue. The grounds from battery to engine block and frame are clean and tight. What else should I be looking for? What could be the issue so I can resolve this for good?
Jan 28, 2024 at 2:08 PM
Advertisement
Avatar
AL514
  • CERTIFIED EXPERT
  • 5,464 POSTS
Hello, when the fault occurs again, don't disconnect the battery this time, and take the vehicle to an auto parts store such as AutoZone or a shop so they can do a full system scan of every module in the vehicle. I think you'll find that there will be code(s) stored in some modules. And I mean not just scanning for codes with a basic OBD2 scan tool that only scans the engine computer, you need to tell them to do a full system scan, it might be a bad solder joint either in the Instrument Cluster or the Body Control module that opens up when it gets warm, and when you're disconnecting the battery, no more current flow is occurring, plus you're erasing any codes that might be stored. Does the shift lever indicator also come back to life when you disconnect the battery or is that always stuck in Neutral?
This guide below shows how to scan for diagnostic trouble codes stored in the ECM (engine computer), but we need to know if there are codes setting in the Cluster or BCM (Body Control Module) as well. That will give us some direction as to what the issue might be, but since the Cluster controls the Shift lever indicator, and a few of the wires for the Shift indicator run through the BCM as well, its most likely going to be a fault in one of those 2 modules. I'll post some wiring diagrams so you can see how they are related. But the auto parts store should be able to scan the vehicle for free, write down every code number they find, it will be a letter followed by four numbers, for example U1000, C----, P----. It's important to write down the codes, then we can look up what is setting them and the criteria for setting them.

Also, when the fault occurs does it affect any of the interior lights?

https://www.2carpros.com/articles/checking-a-service-engine-soon-or-check-engine-light-on-or-flashing
Jan 29, 2024 at 9:13 AM
Avatar
SHEWNCH
  • MEMBER
  • 8 POSTS
When the cable is disconnected and reconnected, everything starts working again as if nothing happened, to include the shift lever indicator. The vehicle works fine when the issue does arise, no stalling, rough starts or rough driving. I’ve run a basic OBD2 with no error codes and have been instructed to have the alternator tested, which was good. Also, battery checks good on the multimeter. As of this morning, after doing the disconnect, everything is working fine but now have the service airbag light on. So, I am to assume then that there is something going on more so with the BCM/ECM? And the full system check should be able to locate the issue?
Jan 29, 2024 at 9:28 AM
Advertisement
Avatar
AL514
  • CERTIFIED EXPERT
  • 5,464 POSTS
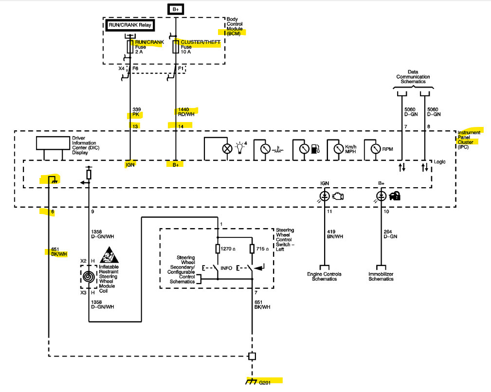
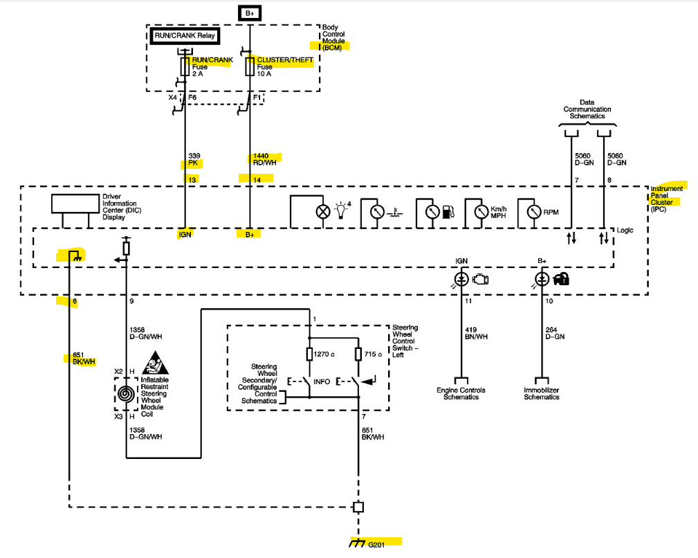
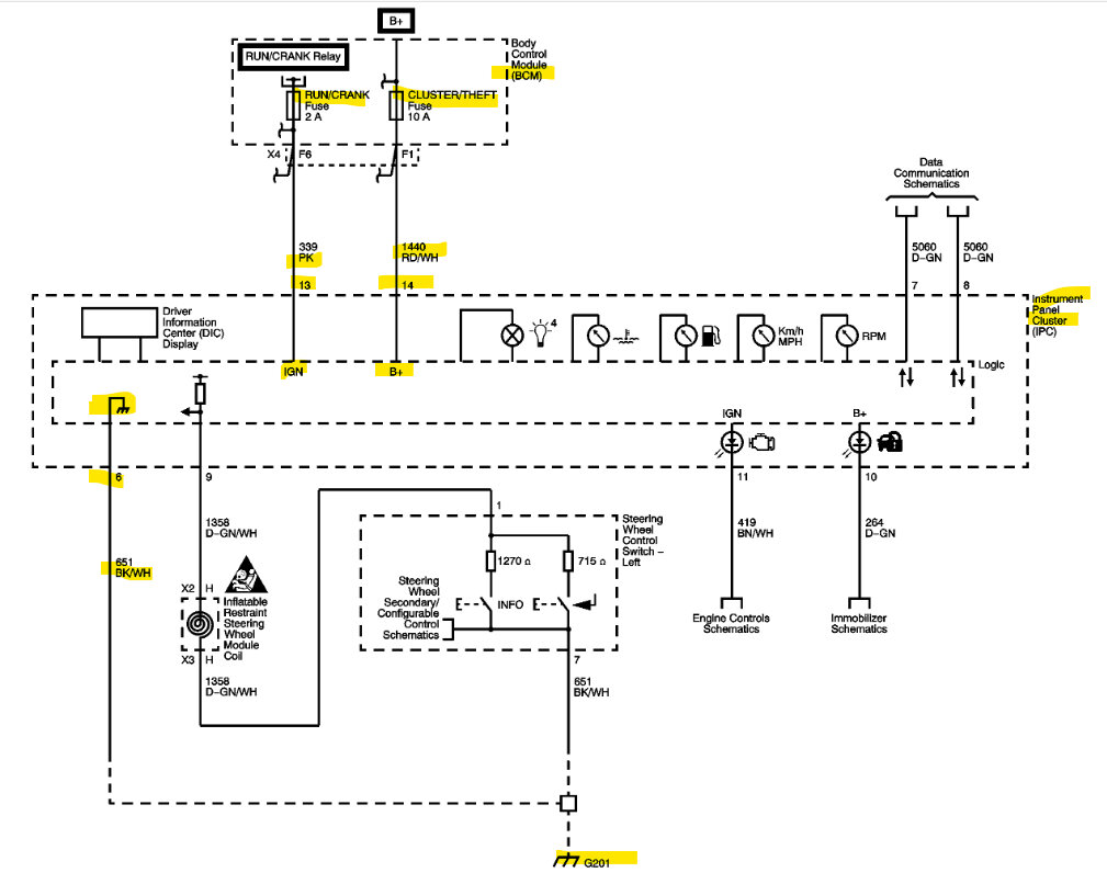
This is the diagram of the Cluster, BCM, and Shift Lever indicator all on one page, A full system scan after the fault occurs should reveal some type of code, but scan with just a basic OBD2 scanner will only give you powertrain codes stored in the ECM. We need to see if there are any codes stored in the BCM and Cluster as well. The Air bag light might be another issue with the Cluster as well. Or a corroded connector going to the Cluster, I've marked out the connector numbers because they were a bit difficult to see.
I think what's happening is the Cluster is losing power or Ground and if you look at the Shift Lever Indicator, pin 1 (Brown wire) is a power feed coming through the BCM from the ignition switch, so it might be that the Shift Lever is not receiving any inputs from the Cluster or BCM and that's why it's just staying at "N".
If these diagrams are correct, those shift indicators pass through the BCM to the Cluster.
When a solder joint cracks, it will be ok one minute and then it will open slightly and cause all kinds of strange issues, The same can be said of connector pins,
When there is current flowing on a circuit, solder joints and connector pins are a slight amount of resistance in that circuit, not a lot, but they create some resistance, and after so many years of heating up and cooling down under normal operations, they can crack, or pin fitment can loosen up.
So, get a full system scan, and we will go from there, I'll see if I can find the locations of these connectors so you can check them as well,
The BCM fail in Chevy/GM vehicles constantly, and the Cluster gets power from the BCM,
If you have a multimeter and want to check for a power loss at the BCM connectors, I can pull up the BCM connector diagrams for you. There's usually 6-8 connectors on these BCMs, they are located up under the dash.
Jan 29, 2024 at 9:50 AM
Avatar
AL514
  • CERTIFIED EXPERT
  • 5,464 POSTS
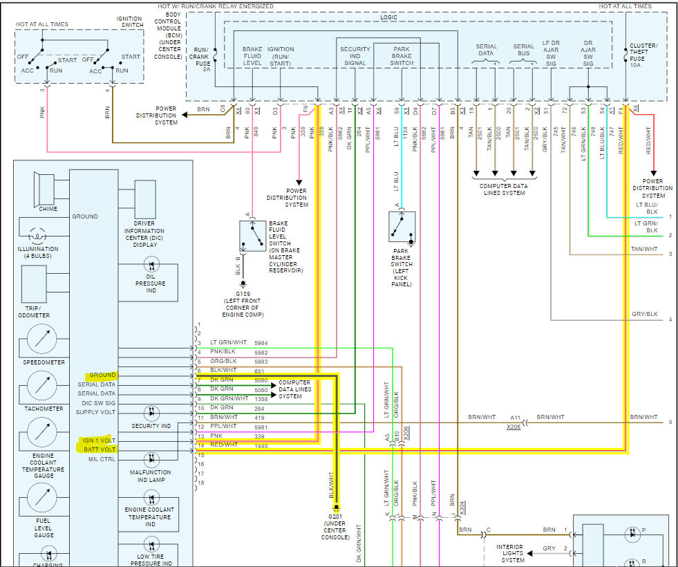
This BCM looks to have 4 connectors, and is also the gateway for the vehicles data network, I will post all 4 of the connectors for you.
Jan 29, 2024 at 9:54 AM
Avatar
AL514
  • CERTIFIED EXPERT
  • 5,464 POSTS
Here are the BCM connectors X1, X2, X3, and X4, with all their pinouts.
Jan 29, 2024 at 10:31 AM
Avatar
SHEWNCH
  • MEMBER
  • 8 POSTS
Okay. Once I have access to the vehicle, I will pull the BCM and see if I can notice anything loose or cracked. If I were to pin it, what are the readings that I should be expected to see on the multimeter? If it turns out to be the BCM as a whole, is it possible for me to replace it by myself? In the little research that I’ve done following your input I’ve seen handfuls of people saying that it needs to be programmed by a shop, and others saying that it would be a plug and play, programmed by the first key. Any insight? I greatly appreciate the help so far!
Jan 29, 2024 at 10:58 AM
Avatar
AL514
  • CERTIFIED EXPERT
  • 5,464 POSTS
Have the vehicle scanned for codes first, full system scan, that way we have some direction. I'm sure something will set some codes with the cluster losing power like that, there will most likely be a Lost Communications code in another module due to the Cluster. Don't move the BCM yet, because if it's a power loss from the BCM and it's a pin issue, moving the wiring harness around is only going to make things more difficult. If the BCM needs to be replaced, yes it needs to be programmed by someone who does GM programming, because other modules will end up needing to be updated as well or you will end up with checksum issues due to software versions. It is most definitely not plug and play. It requires a scan tool that can do programming to begin with, but the GM factory scan tool is the best, the VIN and Odometer need to be correct, along with other modules on the network being updated so no errors show up. It's something a shop will need to do.
So, pull the codes first.
Jan 29, 2024 at 12:43 PM
Avatar
SHEWNCH
  • MEMBER
  • 8 POSTS
This morning, only after a couple of days of doing the reset with the neg cable, driving it two days, it happened again. I know that after a repair the system takes a while to have all systems go, to present a code, basically the drive cycle. Is this the same with the BCM? Or is it pretty much a telltale sign and okay to go ahead and get it tested?
Jan 30, 2024 at 6:06 AM
Avatar
AL514
  • CERTIFIED EXPERT
  • 5,464 POSTS
It depends on what system in the vehicle is having the issue, for example it can take 2 key cycles sometimes to set a circuit code, or only 1 for a misfire code depending on the level of the misfire, some are worse than others and can cause Catalytic converter damage if not addressed right away so those type of codes can set quickly. Most circuits in the vehicle are monitored by the module they are wired into to. Either by current flow or voltage drop inside the module. After a repair the ECM should be reset, and it will relearn all its adaptive strategies and the emissions Readiness Monitors will eventually go through their self-tests and either pass or fail. But here we're dealing with either a power loss or communications loss to the Cluster. Neither are good. It might not be the BCM, it can be something having to do with the Cluster itself, that's why we need to know what codes are stored and in what modules they are stored in. Once we know that, we can identify the circuit causing the code, and go after it.
Jan 30, 2024 at 11:12 AM
Avatar
SHEWNCH
  • MEMBER
  • 8 POSTS
Thank you for the guidance. I am attempting to get it looked at as we speak. Unfortunately, AutoZone doesn’t do a full system scan, only a basic OBD2, which I can already complete. Looks like the next available date I can get the vehicle to a shop is on Friday. I will send a reply once I get this scan done.
Jan 30, 2024 at 11:27 AM
Avatar
AL514
  • CERTIFIED EXPERT
  • 5,464 POSTS
You can try Advanced auto or O'Reilly's, they might use different scan tools, surprisingly Harbor Freight has this little scan tool. It uses an app on your phone, but all the reviews say it can do a full system scan. You can go on their website and read through the reviews.
Jan 30, 2024 at 11:56 AM
Avatar
SHEWNCH
  • MEMBER
  • 8 POSTS
Sorry for the delayed response as I am currently out of town and trying to do all the trouble shooting on a vehicle that my wife is driving. She was finally able to purchase the scan tool mentioned from HF, ran the test and here’s what we have:
B2705-05: gearshift unlock circuit (high voltage)
U2116-00: lost com with cluster
B1325-03: control mod power circuit (low volt)
U0155-00: lost com with cluster
B0039-0D: R rear seatbelt pretensioner deployment loop (high resist)
Feb 2, 2024 at 1:19 PM
Avatar
AL514
  • CERTIFIED EXPERT
  • 5,464 POSTS
Okay, is she having any issues with shifting out of Park or into any gear at all? The B1325 code being a low voltage code may or may not be related with the two U0155 and U2116 Cluster communications codes. On the networks, modules will send out a data message basically letting all the other modules on the network that they are active. thats what the U2116 code is about. The Clusters ID message is missing on the network. As for the U0155, Im assuming that code was set in the BCM itself. meaning that the BCM cant communicate with the Cluster. that code will usually set in the module thats sort of telling on the Cluster for not communicating. Since your gear select indicator is staying stuck in one position, its not receiving any signal from the Cluster that you've changed gears. So the Cluster is most likely not powered up or is missing its ground.
The Cluster has 2 powers, 1 Ground, and 2 communications wires. In a situation like this the first thing I would check is the Clusters powers and ground feeds. I would also use an oscilloscope to monitor the data wires to check if there were any communications signals coming out of the Cluster while its not connected to the network. But I dont think you would see any considering there are two communications codes.
Since power comes from the BCM to power the Cluster, if either power feed is missing 12volts, then you go to the BCM and see if the power is missing there as well. But this is after checking the 12volts and ground at the Cluster.
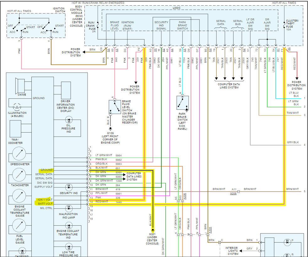
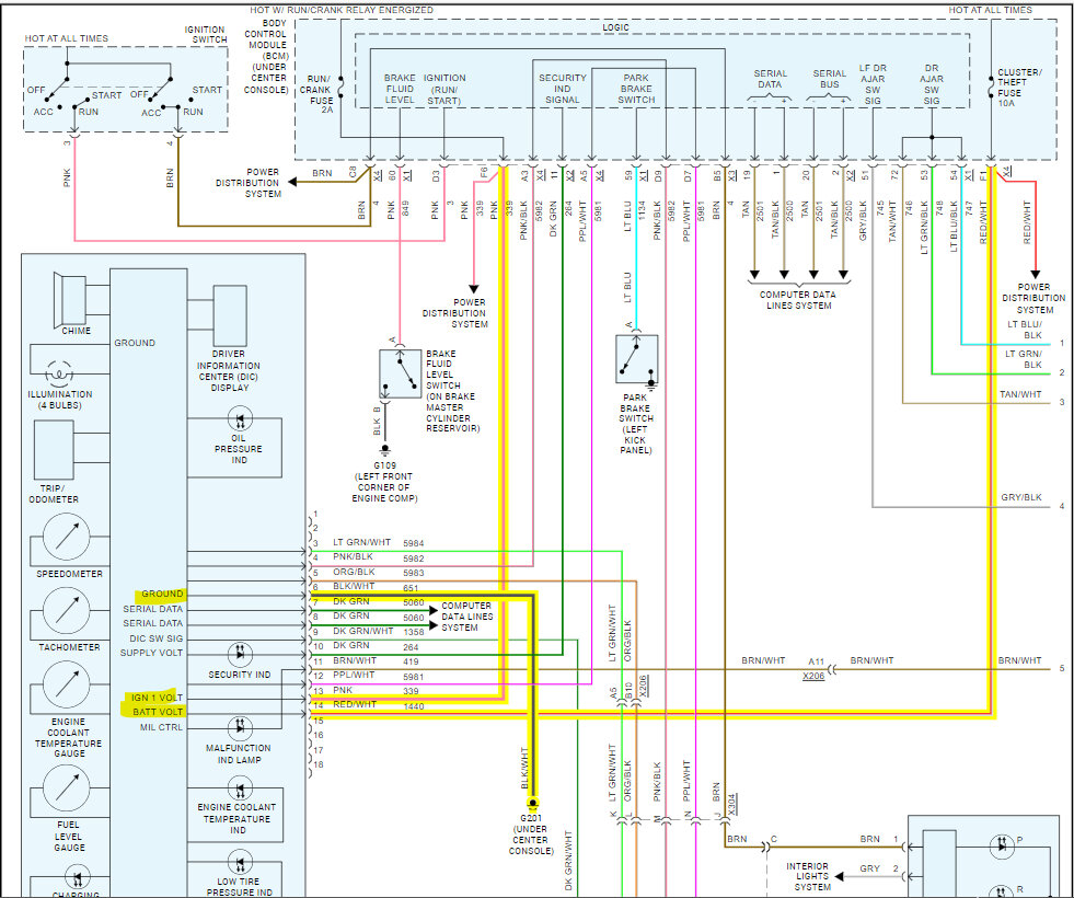
The 1st diagram below is the oem diagram for the Cluster, the 2nd is the aftermarket diagram.
Something to take note of, if power is missing on the Pink wire to the Cluster, which comes from the Run/Crank Fuse 2AMP, which in turn comes from the IBCM (RUN/CRANK) Fuse 21 30AMP. This circuit also feeds the airbag module as well as the Automatic Transmission Shift Lever. This may account for the other codes if powers missing.
The best way to check for power at the back of the Cluster connector is with a test light, it wont put much of a load on the circuit but it will give a clearer indication if the test light is bright.
I would actually use the Clusters Ground for the test lights ground, taking care of 2 tests at once. So the Pink wire and the Red wire with a White stripe on it are the 2 power feeds at the back of the Cluster, and the Ground is Black with a White stripe, Ive high lighted them on the oem wiring diagram.
Once you determine the power situation with the Cluster, that will give you further direction,
if the power feeds are missing and they are missing at the BCM as well, thats where thinks get tricky. Because the BCM controls so much, it needs to have all of its inputs and outputs, as well as powers and grounds checked, and they need to be load tested with a higher amperage test bulb, so youre sure the BCM feeds can handle a few amps. It can be difficult, although these BCMs fail alot, all the tests need to be done.

I've added the Cluster connector pinout (diagrams 5,6).
Feb 2, 2024 at 4:33 PM
Avatar
SHEWNCH
  • MEMBER
  • 8 POSTS
If I am interpreting this correctly, it would be safe to assume that my testing should start with removing the cluster and testing the ground, pink and red/wht at the back of the cluster, and that it may be the cluster itself not providing the signal back to the BCM? Beings that everything that is happening runs through the cluster, it could be the cluster and not the BCM? Or I say a better chance of that then the BCM as a whole because the other systems powered from the BCM are working just fine (the other 3 connectors).
Feb 2, 2024 at 4:56 PM
Avatar
SHEWNCH
  • MEMBER
  • 8 POSTS
Also, there is no issue with actually shifting the vehicle into any other gear, just the indicator on the selector itself stays in one position.
Feb 2, 2024 at 5:00 PM
Avatar
AL514
  • CERTIFIED EXPERT
  • 5,464 POSTS
There's no telling until testing is done. The BCM has many powers, inputs, outputs, and they can fail in one section but the rest of the BCM work okay. Think of it as a multiple tasking module. So, starting with the Cluster first is important. If its shifting into gear ok that's good, pull the cluster and check its connector for power and ground, and check the pins inside the harness connector for the cluster, that there are no spread or corroded pins. There can also be a problem in between the BCM and Cluster, but you have to start somewhere.
Feb 2, 2024 at 5:37 PM