Hi,
When you say they blink, do you mean the flicker on and then turn off? Have you checked the connector to the rear of the instrument panel for loose or damaged wiring?
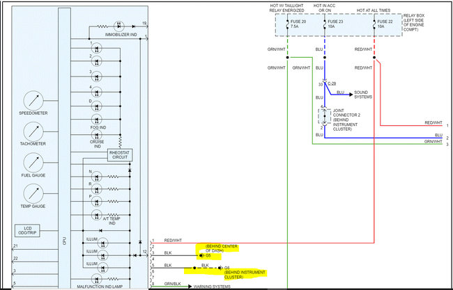
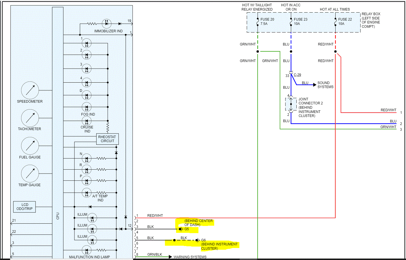
Also, there could be an issue with one of the two grounds from the IP. Check them as well.
I attached the wiring schematic below of the circuit. I highlighted the grounds. Confirm they are good, clean, tight, and not corroded.
Here is a link you may find helpful:
https://www.2carpros.com/articles/how-to-check-wiring
Let me know what you find or if you have other questions. Also, if you find no issues, you should consider having the can-bus scanned for codes. CAN stands for controller area network. Basically, all the modules and computers are tied together via a few wires. This type of scan will provide codes regardless of the module storing them. Here is a quick video showing how it's done.
https://youtu.be/InIlnsjOVFA
Take care,
Joe
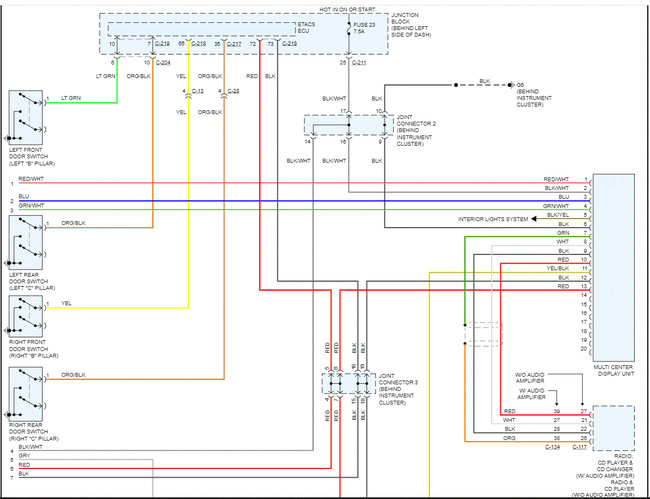
See pics below. Note: I had to cut the schematics in half to make them readable. I did overlap them so you can follow from one to the next.
Images (Click to enlarge)
Nov 11, 2021 at 8:27 PM