Instrument cluster not working

2004 HONDA CIVIC
100,000 MILES • 2.0L • 4 CYL • 2WD • MANUAL
Avatar
MANNE.G
  • MEMBER
  • 1 POST
A while back I took my car to a mechanic shop to replace the light bulbs in the dashboard gauges. But when I got it back my car didn't sound the same. Later I came to find out the dimmer switch next to steering wheel taken out and none of the gauges work at all. It used to work fine, the only thing was at night I could not see the speedometer etc. I've tried to get them to work or at least to read the temperature and fuel level without luck. I've gotten the wiring schematic for the cluster and rearranged the pins how the schematic shows without success. Recently I went to junk yard and got another cluster from same year model but different model now it was the best I was able to find, I connected to the harness still won't turn on or show any sign of function.
May 26, 2022 at 9:09 PM
Advertisement
Avatar
STRAILER
  • CERTIFIED EXPERT
  • 53,854 POSTS
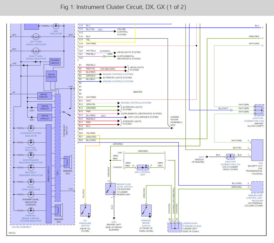
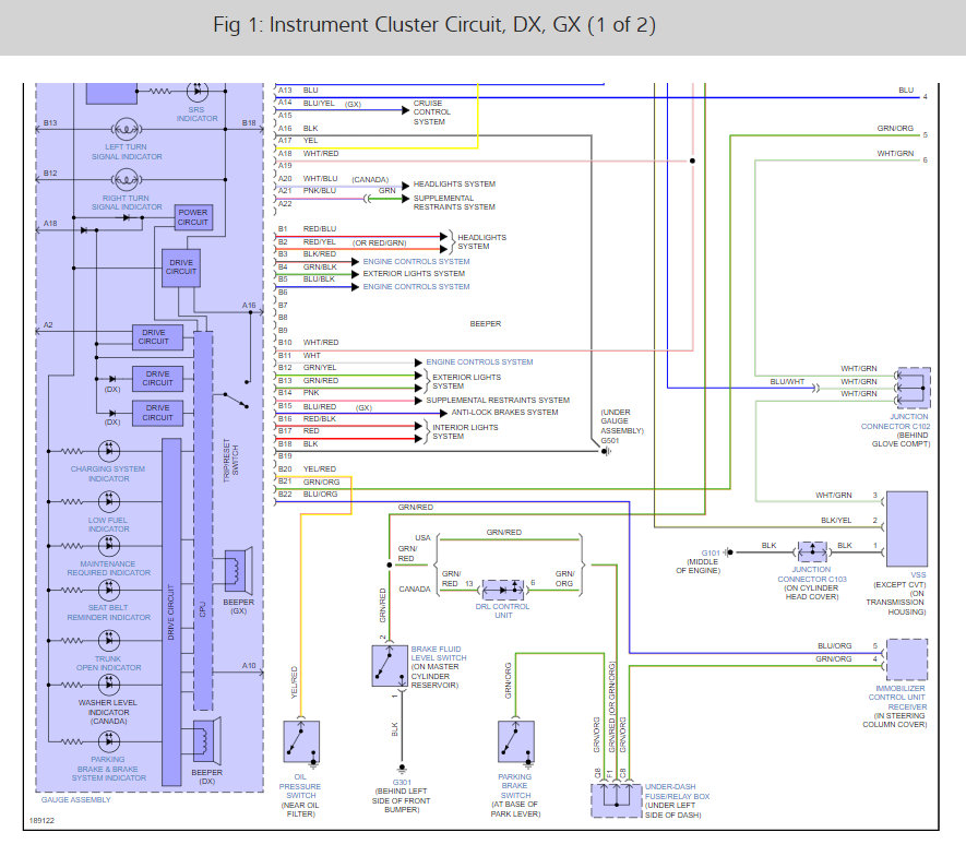
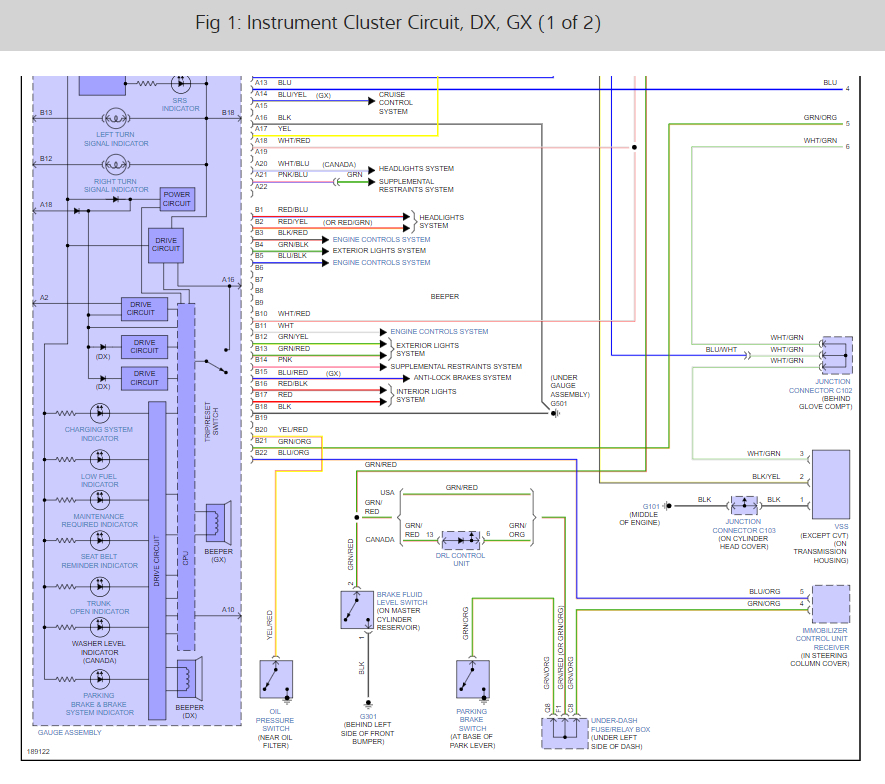
There are two fuses we need to test for power which are fuse # 4 and #10 under the dash fuse panel. Here is a guide to help you find the problem and the locations of the fuse in the diagrams below:

https://www.2carpros.com/articles/how-to-check-a-car-fuse

Also included the instrument cluster wiring diagrams so you can see how the system works. Check out the diagrams (below). Let us know what happens and please upload pictures or videos of the problem.
May 27, 2022 at 5:00 PM