All the gauges on my instrument cluster are not working

2006 KIA SPECTRA
110,000 MILES
Avatar
MIMI2020
  • MEMBER
  • 2 POSTS
However, the lights and blinkers are. I checked the interior fuse box and all the fuses seem to be okay. I believe it to be the cluster or the wiring and/or connectors. I took it to the mechanic and he says that it's the cluster, but he did not check under the hood. Many people say that a cluster going bad in a Kia is unusual. If it is the ground wiring how would I know?
Jan 13, 2020 at 2:15 PM
Advertisement
Avatar
KASEKENNY
  • CERTIFIED EXPERT
  • 18,907 POSTS
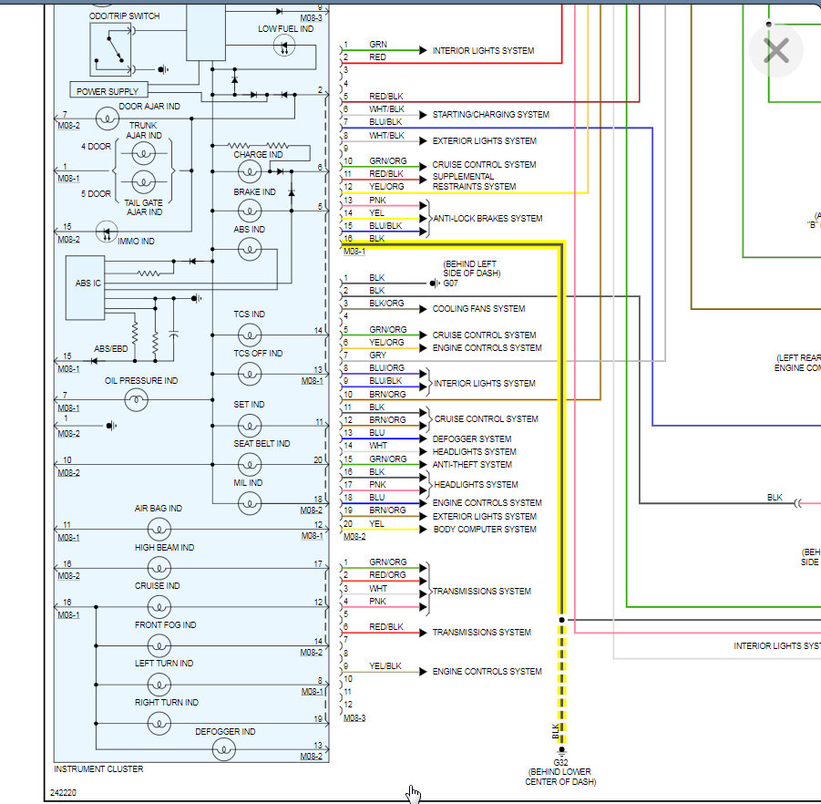
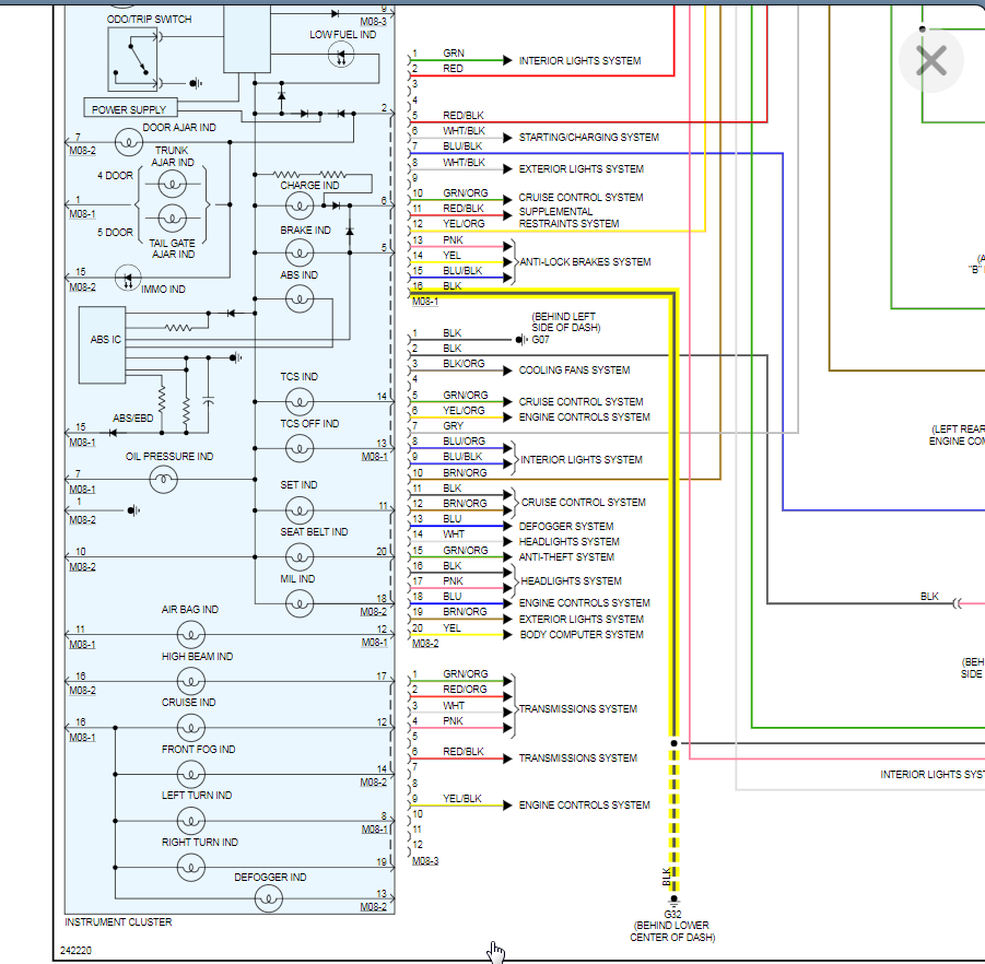
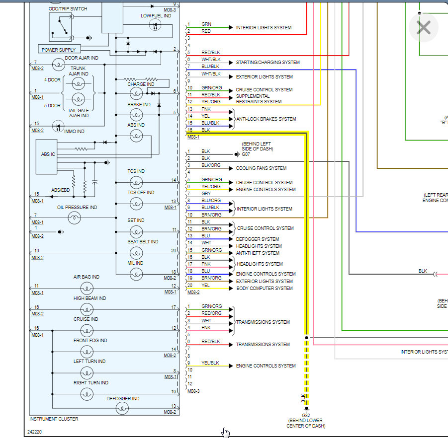
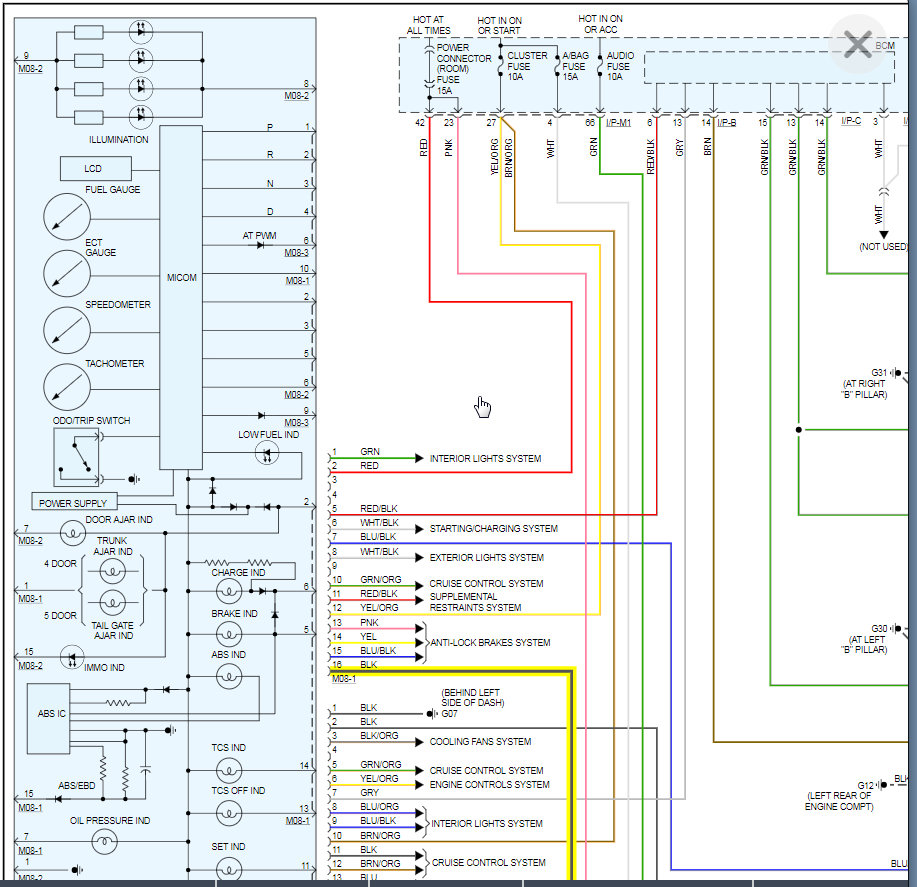
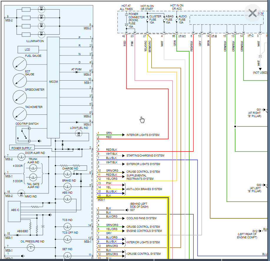
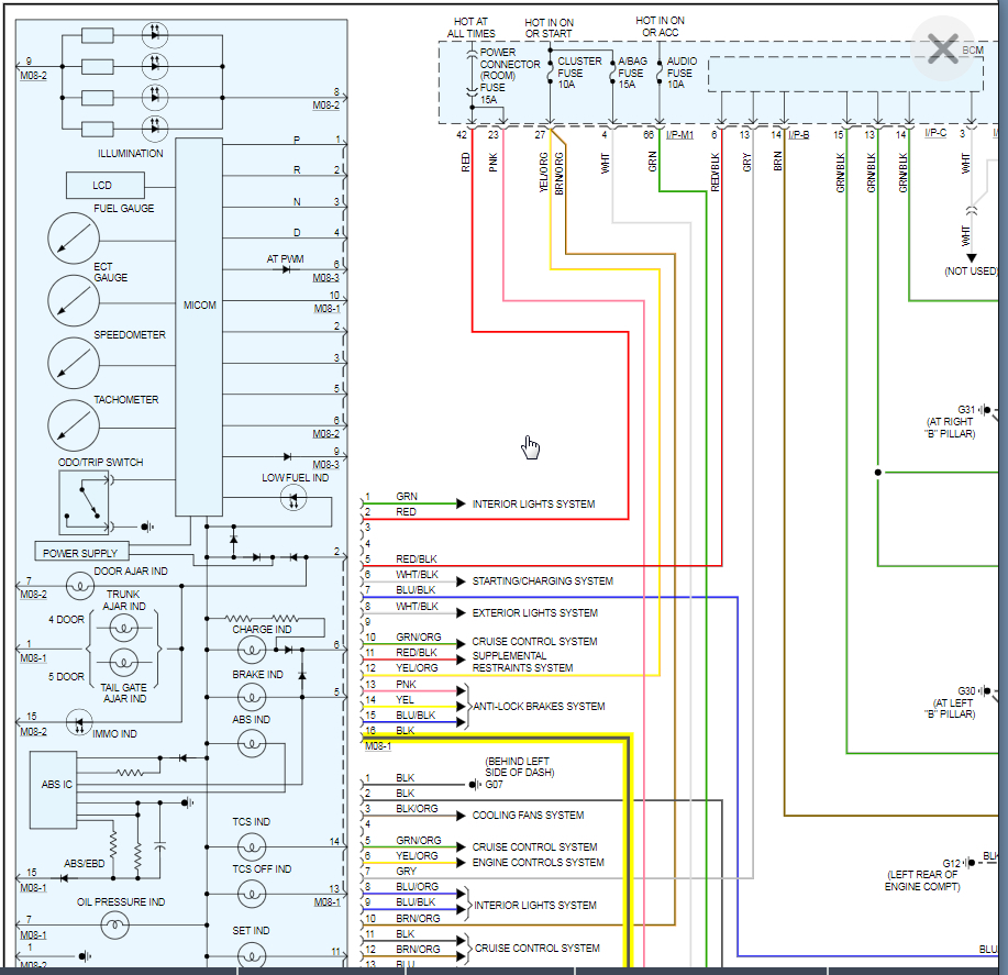
It could be a ground but this is less likely than a cluster if all the gauges went out. The reason is if you look at the wiring diagrams you will see that all the sensor inputs are direct to the cluster so it is near impossible that all these failed. That means it is something they have in common. The only two things are the cluster and the ground as you mentioned. The way to test the ground is to just run a jumper directly to the negative battery terminal and then the ground terminal of the cluster. If everything comes back then that is your issue. If it does not then the cluster is the issue.

I understand that clusters are not known to fail but that doesn't mean that they don't.

Let me know if you have questions and we can go from there. Thanks
Jan 14, 2020 at 3:35 PM
Avatar
MIMI2020
  • MEMBER
  • 2 POSTS
It's my cluster. Do you know how the cluster can be swapped? Meaning do Kia Spectras clusters have to be reprogrammed/cloned or is the info not stored in the cluster. I have one from eBay and I'm not sure.

Thanks for all your help!
Jan 15, 2020 at 10:58 AM
Advertisement
Avatar
KASEKENNY
  • CERTIFIED EXPERT
  • 18,907 POSTS
The process does not mention anything about this and the service information doesn't either. Clearly it would be nice if it stated they do not need to be programmed but if they did, it would tell you. Based on the wiring diagram and it having direct feeds from the sensors, it appears the cluster is just a display cluster which means you don't have to program it.
Jan 15, 2020 at 5:49 PM