All gauges stopped working

1998 MERCEDES BENZ 280
196,000 MILES • 2.8L • V6 • 2WD • AUTOMATIC
Avatar
JORGE G
  • MEMBER
  • 3 POSTS
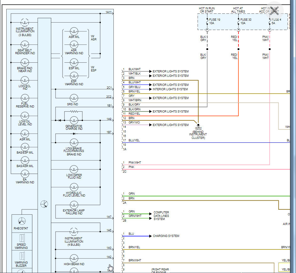
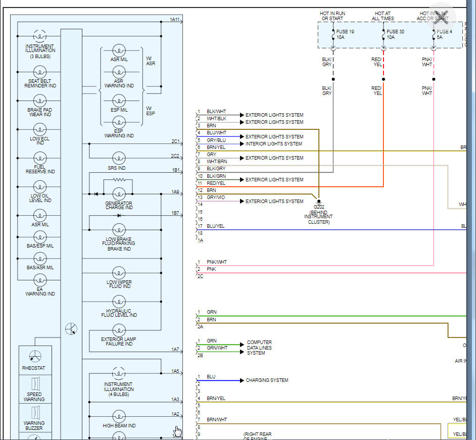
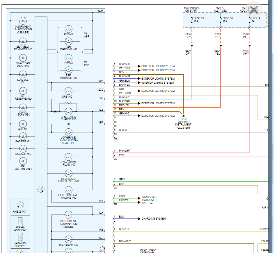
Fuse #19 gets burnt when replaced. seems it is in short but where? Can this short be before or inside cluster? High beam light does not holds with lever and rest oh head light don't work. maybe these 2 issues are separated. Ignition switch run engine fine. Additionally fob key does not close/open doors.
Jan 2, 2020 at 5:45 PM
Advertisement
Avatar
KASEKENNY
  • CERTIFIED EXPERT
  • 18,907 POSTS
I think you are correct that there is a short to power but the only way to test that is to test the fuse for a short to power. This could be an issue with the cluster itself or one of the other sensors or components on that fuse as well. The best way to figure something like this out is to install a smaller fuse on each individual component and see which fuse blows before the 10A fuse does. This will tell you what component or circuit is the issue.

I attached the items that are on the fuse which includes the brake lamp switch. I would start with this. Unplug it and see if the fuse keeps blowing.
Jan 3, 2020 at 3:12 PM
Avatar
JORGE G
  • MEMBER
  • 3 POSTS
Sorry Kase in delaying my response. We had a good diagnosis, Fuse #19 was blowing because it was grounded. As recommended, I tested disconnecting left side stop light then fuse kept alive. After that I checked the stop light socket because I use to had issues before, I found a bronze metal chip doing the grounding, once removed this trash everything works fine. Even front head lights and dash instruments are related to this circuit, not only fuses #33/34. Thanks in recommend the right test.
Jan 10, 2020 at 1:58 PM
Advertisement
Avatar
JORGE G
  • MEMBER
  • 3 POSTS
FOB keyless is separate issue. I still fighting against it.
Jan 10, 2020 at 2:03 PM
Avatar
KASEKENNY
  • CERTIFIED EXPERT
  • 18,907 POSTS
Great news. Glad we got that resolved. Unfortunately we need to start a new post for the key fob issue. Reason is, when other search for a key fob issue on this vehicle they won't find the resolution (when we get there) under this heading. Plus internet search engines require them to be separate because when you search the internet these individual posts will come up but they can't post a fob issue under this heading.

https://www.2carpros.com/questions/new

When you start this one, I will look for it but if you can include any thing you have already done to fix the fob issue and then if they actually move when hitting the button or do they move but just don't lock or unlock?
Jan 10, 2020 at 5:55 PM