Water pump replacement instructions needed

1998 HONDA ACCORD
100,000 MILES • 1.4L • 4 CYL • AUTOMATIC
Avatar
PEGGY KNOWLES TROUPE BOHN
  • MEMBER
  • 1 POST
Need written instructions as manual is at home and I am away.
Jun 14, 2020 at 8:34 PM
Advertisement
Avatar
JACOBANDNICKOLAS
  • CERTIFIED EXPERT
  • 110,175 POSTS
Hi,

The only engine I am aware of that was used this model year was a 2.3L. Please confirm that is correct.

Here are the directions for replacement. This is for the 2.3L Note that the timing belt needs removed to replace the pump. I will provide those directions first.

________________________________________________________


1998 Honda Accord DX Sedan L4-2254cc 2.3L SOHC MFI
Removal and Installation
Vehicle Engine, Cooling and Exhaust Engine Timing Components Timing Belt Service and Repair Procedures Removal and Installation
REMOVAL AND INSTALLATION
REMOVAL

Special Tools Required
- Holder Handle 07JAB-001020A
- Holder Attachment, 50 mm, Offset 07MAB-PY3010A
- Socket, 19 mm 07JAA-001020A or a commercially available 19 mm socket

1. Make sure you have the anti-theft code for the radio, then write down the frequencies for the radio's preset buttons.
2. Disconnect the battery negative terminal first, then the positive terminal.


pic 1


3. Turn the crankshaft pulley so its Top Dead Center (TDC) mark (A) lines up with the pointer (B).
4. Remove the front tires/wheels.


pic 2


5. Remove the splash shield.


pic 3


6. Loosen the mounting bolts (A), then remove the Power Steering (P/S) belt (B).


pic 4


7. Disconnect the alternator wire harness.
-1 Pull up the lock (A), then release the wire harness tie (B).
-2 Pull back the boot and remove the 6 mm nut (C).
-3 Disconnect the connector (D) from the alternator.
8. Remove the alternator.
9. Remove the alternator bracket.
10. Support the engine with a jack and wood block under the oil pan.


pic 5


11. Remove the stop (A) and ground cable (B), then remove the upper bracket (C).
12. Remove the cylinder head cover.

pic 6


13. Remove the upper cover.


pic 7


14. Remove the dipstick and tube (A). Discard the O-ring (B).


pic 8


15. Hold the pulley with the special tools.
16. Remove the bolt with a heavy duty 19 mm socket (A) and breaker bar.


pic 9


17. Remove the rubber seal from the adjusting nut, then remove the lower cover.
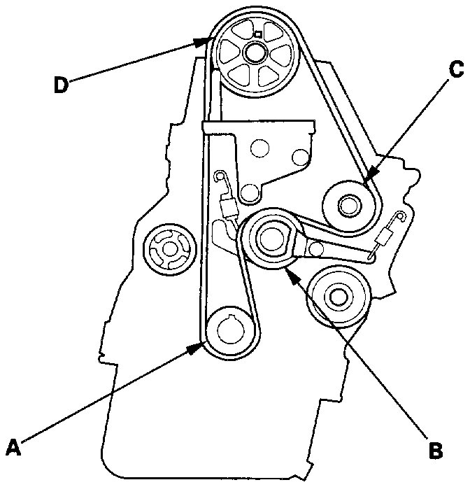
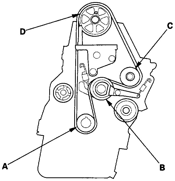
18. If you are removing only the balancer belt, go to step 19. If you are removing both the balancer belt and the timing belt, go to step 20.


pic 10


19. Release tension from the balancer belt:
-1 Install a 6 mm bolt (A)(from the timing cover) through the hole in the end of the timing belt adjuster arm to temporarily lock the arm in place.
-2 Loosen the adjusting nut (B) 2/3 - 1 turn.
-3 Push the tensioner (C) up to take tension off the balancer belt.
-4 Retighten the adjusting nut (B).


pic 11


20. Release tension from the balancer belt and the timing belt:
-1 Loosen the adjusting nut (A) 2/3 - 1 turn.
-2 Push the balancer belt tensioner (B) up to take tension off the balancer belt.
-3 Push the timing belt tensioner (C) down to take tension off the timing belt.
-4 Retighten the adjusting nut (A).
21. Remove the balancer belt.
22. Remove the timing belt.

INSTALLATION

Special Tools Required
- Holder Handle 07JAB-001020A
- Holder Attachment, 50 mm, Offset 07MAB-PY3010A
- Socket, 19 mm 07JAA-001020A or a commercially available 19 mm socket

NOTE:
- If you are installing the timing belt and the balancer belt, go to step 1.
- If you are installing only the balancer belt, go to step 7.

1. Remove and clean the balancer belt drive pulley.
2. Clean the timing belt pulleys, and the upper and lower timing cover.


pic 12


3. Set the crankshaft to Top Dead Center (TDC). Align the dimple (A) on the tooth of the timing belt drive pulley with the pointer (B) on the oil pump.


pic 13


4. Clean the camshaft pulley and set it to TDC.
-1 The "UP" mark (A) on the camshaft pulley should be at the top.
-2 Align the TDC grooves (B) on the pulley with the top edge of the head.


pic 14


5. Install the timing belt in a counterclockwise sequence, starting with the drive pulley.
-1 Drive pulley (A).
-2 Tensioner pulley (B).
-3 Water pump pulley (C).
-4 Camshaft pulley (D).
6. Loosen and retighten the adjusting nut to tension the timing belt.
7. Clean any oil off both faces of the balancer belt drive pulley.
8. Check the lower cover rubber seal for cracks and other damage.

NOTE:
- If the rubber seal is coming off, apply liquid gasket to the lower cover and reinstall the rubber seal. Wipe off any liquid gasket that is pressed out.
- When replacing the rubber seal, clean the lower cover groove, cut the repair rubber seal to length, and put the rubber seal into the groove evenly.

9. Install the balancer belt drive pulley and the lower cover.
10. Temporarily install the crankshaft pulley and bolt.
11. Rotate the crankshaft pulley five or six turns counterclockwise to seat the timing belt on the pulleys.


pic 15


12. Adjust the belt tension.
-1 Loosen the adjusting nut (A) 2/3 - 1 turn.
-2 Rotate the crankshaft counterclockwise three teeth on the camshaft pulley (B).
-3 Tighten the adjusting nut to 44 Nm (4.5 kgf.m, 33 ft. lbs.).


pic 16


13. Turn the crankshaft pulley so its TDC mark (A) lines up with the pointer (B).


pic 17


14. Check the camshaft pulley marks.
- If the camshaft pulley marks are also at TDC, go to step 15.
- If the camshaft pulley marks are not at TDC, remove the timing belt and repeat steps 3, 4 and 5.
15. Remove the crankshaft pulley and the lower cover.
16. Turn the crankshaft to TDC again.
17. Lock the timing belt adjuster arm in place with one of the 6 mm timing cover bolts.
18. Loosen the adjusting nut 2/3 - 1 turn, and make sure the balancer belt tensioner moves freely. Then push the tensioner up and retighten the adjusting nut.


pic 18


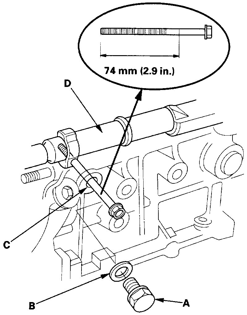
19. Align the rear balancer shaft pulley with a 6 x 100 mm bolt (or equivalent).
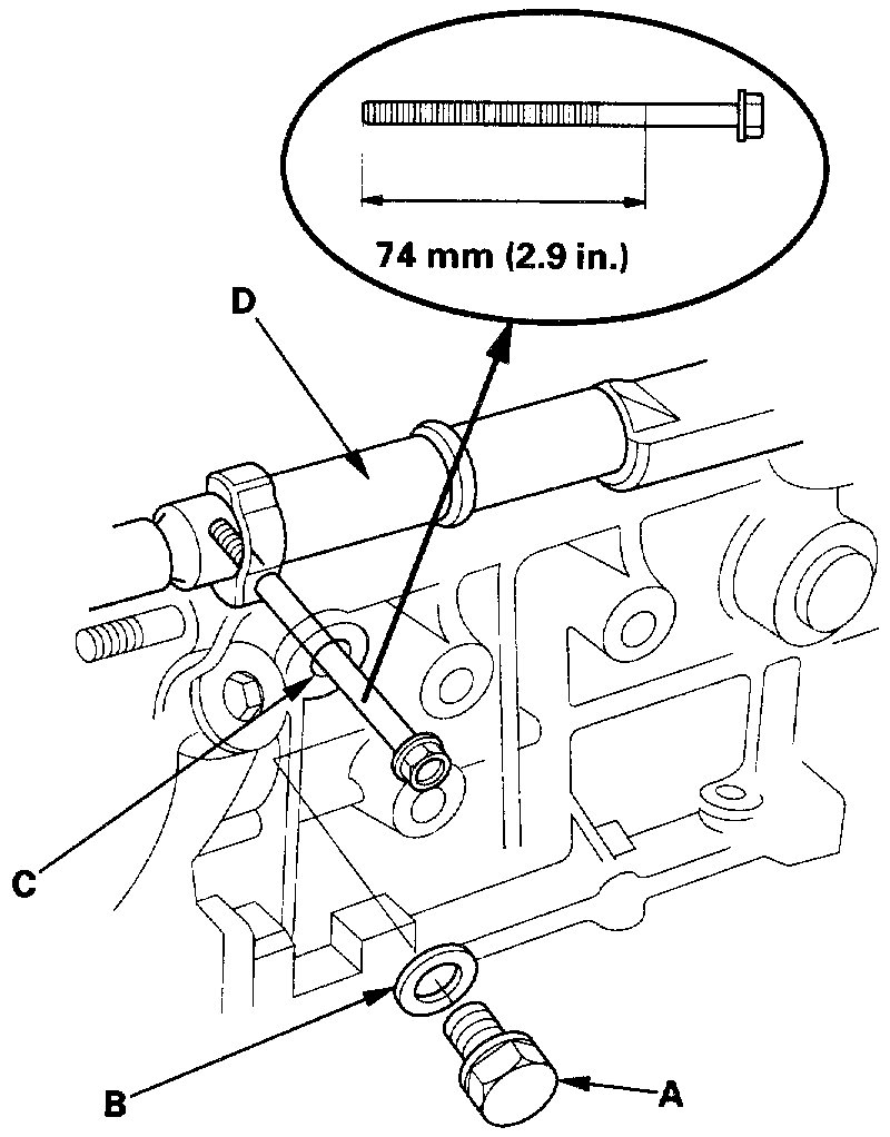
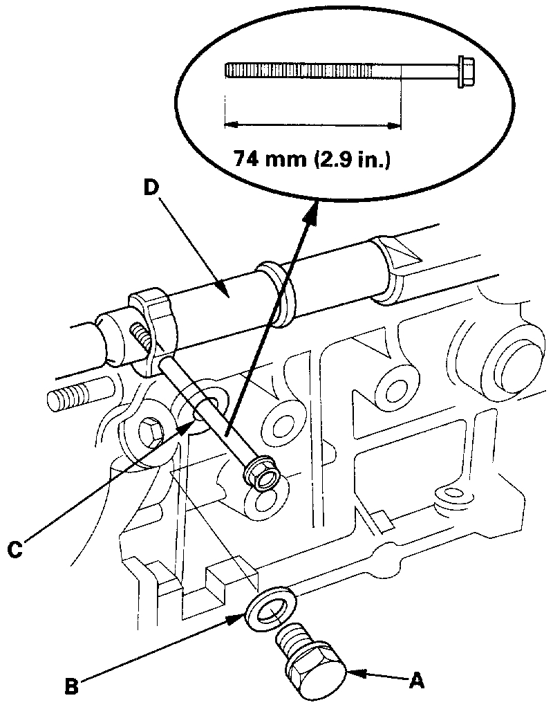
-1 Remove the bolt (A) and washer (B) from the maintenance hole (C).
-2 Scribe a line on a 6 x 100 mm bolt, 74 mm (2.9 in) from the end.
-3 Insert the bolt in the maintenance hole and into the hole in the balancer shaft (D) up to the line you scribed.


pic 19


20. Align the groove (A) on the front balancer shaft with the pointer (B) on the oil pump housing as shown.
21. Install the balancer belt. Loosen the adjusting nut 2/3 - 1 turn to tension the balancer belt. Retighten the bolt.
22. Remove the 6 x 100 mm bolt from the maintenance hole and reinstall the sealing bolt. Tighten the bolt to 29 Nm (3.0 kgf.m, 22 ft. lbs.).
23. Adjust the balancer belt.
-1 Temporarily reinstall the crankshaft pulley.
-2 Loosen the adjusting nut 2/3 - 1 turn.
-3 Turn the crankshaft pulley one turn counterclockwise, then tighten the adjusting nut.
24. Remove the 6 mm bolt from the timing bolt adjuster arm.
25. Check the lower cover rubber seal for cracks and other damage.

NOTE:
- If the seal is coming off, reattach it with liquid gasket. Wipe off any excess liquid gasket.
- When replacing the seal, clean out the groove in the cover, cut the repair strip to length, and press the new piece into the groove.

26. Remove the crankshaft pulley and reinstall the lower cover.
27. Install the rubber seal around the adjusting nut.
28. Clean the crankshaft pulley bolt and washer.


pic 20


29. Clean all oil off the inside face (A) of the crankshaft pulley, and apply lubricant to the pulley bolt (B) and washer (C).


pic 21


30. Install the crankshaft pulley, and tighten the bolt to 245 Nm (250 kgf.m, 181 ft. lbs.) using the special tools.


pic 22


31. Install the dipstick and tube (A) with a new O-ring (B).


pic 23


32. Install the upper cover.
33. Install the cylinder head cover.
34. Install the alternator bracket.
35. Install the alternator.
36. Connect the alternator harness.
37. Install and adjust the power steering pump belt.
38. Install and adjust the alternator belt.


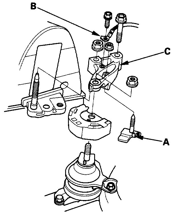
pic 24


39. Install the upper bracket (A), then tighten the bolt and nuts in the numbered sequence shown.
40. Install the stop (B).
41. Install the battery. Clean the battery posts and cable terminals with sandpaper, then assemble them and apply grease to prevent corrosion.
42. Enter the anti-theft code for the radio, then enter the customer's radio station presets.

_______________________________________________________________________

Water Pump

1998 Honda Accord DX Sedan L4-2254cc 2.3L SOHC MFI
Procedures
Vehicle Engine, Cooling and Exhaust Engine Water Pump Service and Repair Procedures
PROCEDURES
INSPECTION
1. Remove the timing belt.
2. Turn the water pump pulley counterclockwise. Check that it turns freely.


pic 25


3. Check for signs of seal leakage. A small amount of "weeping" from the bleed hole (A) is normal.

REPLACEMENT
1. Remove the timing belt.
2. Remove the camshaft pulley and the back cover.
3. Remove the water pump (A) by removing five bolts.


pic 26


4. Inspect, repair and clean the O-ring groove and the mating surface on the cylinder block.
5. Install the water pump, with a new O-ring (B), in the reverse order of removal.
6. Clean the spilled engine coolant.

____________________________________________________________________

Let me know if this helps and is the correct engine. I hope it helps.

Take care,
Joe
Jun 14, 2020 at 8:49 PM