Installation of stop light switch

2000 CHEVROLET 3500
218,300 MILES • 7.4L • V8 • 2WD • AUTOMATIC
Avatar
JENNIFER LECHAROEN
  • MEMBER
  • 3 POSTS
I am trying to locate information on how to install the stop light switch on to the brake pedal in my truck.
Jun 8, 2018 at 4:27 PM
Advertisement
Avatar
JACOBANDNICKOLAS
  • CERTIFIED EXPERT
  • 110,175 POSTS
Hi and thanks for using 2CarPros.com.

Here are the removal directions for this vehicle:

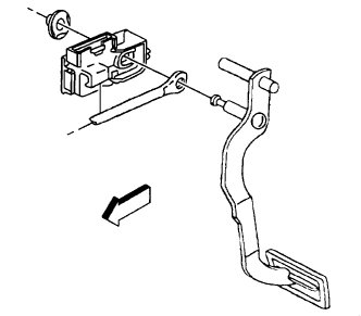
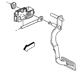
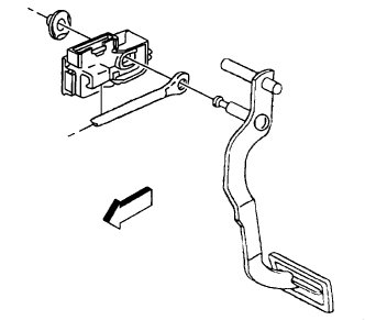
Removal Procedure

Disconnect the battery negative cable.
Disable the SIR. Refer to Disabling the SIR System.
Remove the pushrod retainer from the brake pedal pin. Use snap ring pliers.
Unsnap the stoplamp switch from the pushrod.
Disconnect the electrical connector from the stoplamp switch.
Installation Procedure
Connect the electrical connector to the stoplamp switch.
Snap the stoplamp switch onto the pushrod.
Install a new pushrod retainer on the brake pedal pin. Use an 11 mm (7/16 inch) socket in order to push a new clip onto the pin.
Connect the negative battery cable.
Enable the SIR. Refer to Enabling the SIR System in Restraint Systems.
Replacement is opposite of removal.
__________________________________________________________________

I hope this helps. Let me know if you have other questions.

Take care,
Joe
Jun 9, 2018 at 8:18 PM
Avatar
JENNIFER LECHAROEN
  • MEMBER
  • 3 POSTS
I did everything instructed in the answer to my question replacing the stop light switch connected the battery enable the sir system and brake lights are still not working. So now what do I do?
Jun 12, 2018 at 12:04 PM
Advertisement