Install new blend door actuator?

2006 DODGE DAKOTA
126,000 MILES • 3.7L • 6 CYL • 2WD • AUTOMATIC
Avatar
CHARLIE LUSE
  • MEMBER
  • 2 POSTS
Location of blend door? what to remove to access the part to change? after replacing is there a need to scan or any other requirement prior to use? Because of the time required for a mechanic, I need to do this myself. The control that causes the most "machine gun noise" on my vehicle listed above, is the center control that has the blue to red marking and when changing from one temperature to another the noise starts. Also at time I hear one click noise when the fan speed is changer or the control that sends the air to the different outlets. Maybe the blend door actuator replacement fixes it all. Need to find out the location and what needs to be remove for access to the door and then after replacing it, is there any adjustments, etc, necessary?
Nov 6, 2019 at 4:32 PM
Advertisement
Avatar
SCGRANTURISMO
  • CERTIFIED EXPERT
  • 4,897 POSTS
Hello,

I have included the information that you requested in the diagrams down below. Please go through this information and get back to us with how everything turns out.

Thanks,
Alex
2CarPros
Nov 6, 2019 at 5:58 PM
Avatar
CHARLIE LUSE
  • MEMBER
  • 2 POSTS
Good information for me as an 85 year old that needs to do this with help of my adopted son of 19. Need to know how to remove the instrument panel, as I guess the actuator is behind the radio panel. Not sure about the need to use a "scan tool" as I do not know what it is or where to get it and I guess it calibrates the correct movement of the door . But first, need to know how much of the instrument panel to remove? Thanks. Charlie
Nov 6, 2019 at 7:38 PM
Advertisement
Avatar
SCGRANTURISMO
  • CERTIFIED EXPERT
  • 4,897 POSTS
Hello again,

I have included the information that you requested in the diagrams down below. The installation process is going to be the reverse of the removal process. Please make sure that the negative battery terminal is taken off of the battery for at least one hour, to be safe, so as not to deploy the airbags accidentally, and use care when working around them. Please get back to us with how everything turns out.

Thanks,
Alex
2CarPros
Nov 7, 2019 at 9:09 AM
Avatar
LEWISPERKINS
  • MEMBER
  • 2 POSTS
Water pump is fine. New thermostat. Both heater hose hot to the touch. Normal operating temperature. Ac blows cold air. No heat.
Dec 1, 2020 at 12:08 PM (Merged)
Avatar
WRENCHTECH
  • CERTIFIED EXPERT
  • 20,761 POSTS
Most likely a bad Blend door actuator in the dash.
Dec 1, 2020 at 12:08 PM (Merged)
Avatar
LEWISPERKINS
  • MEMBER
  • 2 POSTS
Diagram of the blend door acuator and location
Dec 1, 2020 at 12:08 PM (Merged)
Avatar
WRENCHTECH
  • CERTIFIED EXPERT
  • 20,761 POSTS
https://www.2carpros.com/images/external/121556611.jpg.gif
Dec 1, 2020 at 12:08 PM (Merged)
Avatar
NATHANIEL SCELZI SR.
  • MEMBER
  • 1 POST
Heater only blows cold. Radiator and reservoir are full, heater core isn't clogged. I can cycle through all vent locations and blower speeds. Is my temperature control bad or is the heater blend door actuator bad? If it is the actuator, where is it located?
Dec 1, 2020 at 12:09 PM (Merged)
Avatar
ASEMASTER6371
  • CERTIFIED EXPERT
  • 52,796 POSTS
Good afternoon,

When you command heat and cool, can you hear the mode door move inside the dash?

https://www.2carpros.com/articles/replace-blend-door-motor

It could also be a clogged heater core.

https://www.2carpros.com/articles/car-heater-not-working

Roy

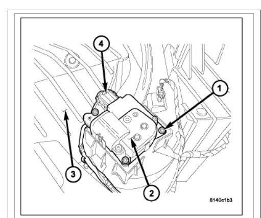
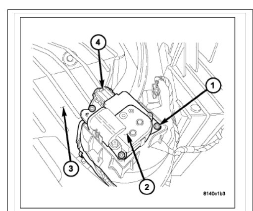
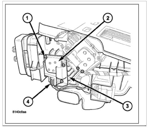
1. Disconnect and isolate the negative battery cable. See: Battery > Service and Repair
2. Remove the instrument panel.
3. Remove the three screws (1) that secure the blend door actuator (2) to the top of the HVAC housing (3).
4. Disconnect the HVAC wire harness connector (4) from the blend door actuator.
5. Remove the blend door actuator from the HVAC housing.
Dec 1, 2020 at 12:09 PM (Merged)
Avatar
ELSKEEN1
  • MEMBER
  • 1 POST
I am trying to replace the actuator motor for the inside/outside air door. I know its location, but it is a very tight fit. Chilton's says to remove the instrument panel assembly (entire dash). Is there a way to get to it without removing the entire dash?
Dec 1, 2020 at 12:09 PM (Merged)
Avatar
MHPAUTOS
  • CERTIFIED EXPERT
  • 31,937 POSTS
In some cases, it may be possible to access and replace the actuator motor for the inside/outside air door in a 2005 Dodge Dakota without removing the entire dashboard. Here's an alternative method you can try:

Start by locating the actuator motor. It is typically located behind the center console or under the dash on the passenger side. It may be necessary to remove some panels or covers to access it.

Once you have located the actuator motor, disconnect the electrical connector that connects to it. This will ensure that there is no power going to the motor during the replacement process.

Next, remove the mounting screws or bolts that secure the actuator motor in place. Take note of the exact position and orientation of the motor before removing it to make the reinstallation easier.

Carefully maneuver the actuator motor out of its mounting position. You may need to rotate or angle it to remove it from its tight fit. Be mindful of any surrounding components to avoid damaging them.

Install the new actuator motor in the same position and orientation as the old one. Make sure it is securely mounted and aligned properly.

Reattach the mounting screws or bolts to secure the new actuator motor in place.

Reconnect the electrical connector to provide power to the motor.

Test the functionality of the new actuator motor by operating the inside/outside air door controls and ensuring that the air distribution functions as intended.
Dec 1, 2020 at 12:09 PM (Merged)
Avatar
ELSKEEN1
  • MEMBER
  • 1 POST
The cluster is on the driver's side and the actuator is on the passenger's side. You would have to somehow reach past the center console.
Dec 1, 2020 at 12:09 PM (Merged)
Avatar
STRAILER
  • CERTIFIED EXPERT
  • 53,854 POSTS
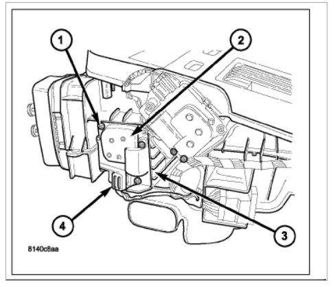
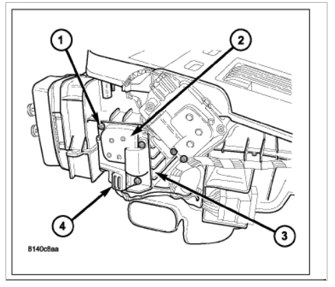
If you can take a picture and upload it in your reply so we can see what you are talking about it will help. here are some diagrams to help you see what you are in for.

Check out the diagrams (below).

Let us know what happens and please upload pictures or videos of the problem.

Cheers, Ken
Dec 1, 2020 at 12:09 PM (Merged)
Avatar
MHPAUTOS
  • CERTIFIED EXPERT
  • 31,937 POSTS
Okay, looks as if I may have looked at an incorrect schematic. Ken has some good information up look at that.
Dec 1, 2020 at 12:09 PM (Merged)
Avatar
STON52
  • MEMBER
  • 1 POST
I would like to find out how to find and repair the blend door as it only opens 40% and i can not get heat in my truck,and possibly replace the climate control knob also this is what the dealer told me when i took it in for a diagnostic
Dec 1, 2020 at 12:09 PM (Merged)
Avatar
BLUELIGHTNIN6
  • CERTIFIED EXPERT
  • 16,542 POSTS
Hello I have below the instructions on removal of the blend door actuator and the heater control. The blend door actuator is located on top of the HVAC housing which is inside the dash.


https://www.2carpros.com/forum/automotive_pictures/261618_Noname_1.jpg


https://www.2carpros.com/forum/automotive_pictures/261618_Graphic_10.jpg


https://www.2carpros.com/forum/automotive_pictures/261618_Noname_2.jpg


https://www.2carpros.com/forum/automotive_pictures/261618_Graphic_11.jpg

Hope this helps. Thanks for using 2carpros.com!
Dec 1, 2020 at 12:09 PM (Merged)
Avatar
BDANEHEY
  • MEMBER
  • 4 POSTS
The floor vents in my dakota aren't working like they should be. The rest of the heat works, except the floor vents. The passenger side constantly blows cold air, and the driver side doesn't blow anything at all. Could this be the actuator that is bad? How do I go about repairing this and what am I looking at for a price?
Dec 1, 2020 at 12:09 PM (Merged)
Avatar
RASMATAZ
  • CERTIFIED EXPERT
  • 75,992 POSTS
Dunno the cost it varies with location-could be the air blend door, the only way to find out is to open it up and inspect all the doors
Dec 1, 2020 at 12:09 PM (Merged)