Input/turbine shaft speed sensor A circuit location?

1998 MERCEDES BENZ ML320
328,111 MILES • 3.2L • 6 CYL • 4WD • AUTOMATIC
Avatar
DERRICKBENZ
  • MEMBER
  • 1 POST
Is this on the outside of transmission or inside? If outside, where is it located?
Aug 6, 2023 at 3:11 PM
Advertisement
Avatar
STRAILER
  • CERTIFIED EXPERT
  • 53,854 POSTS
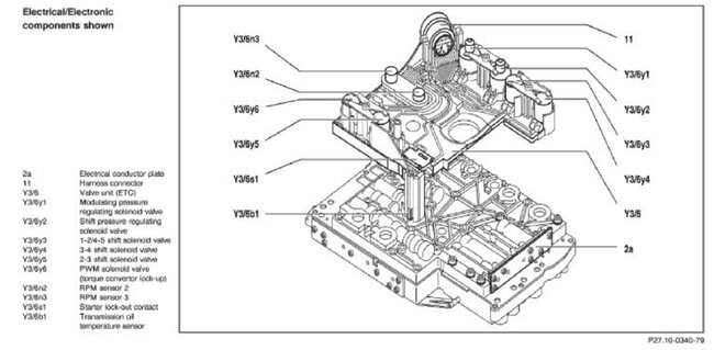
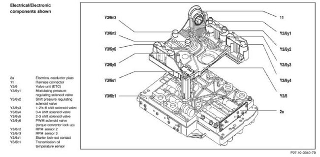
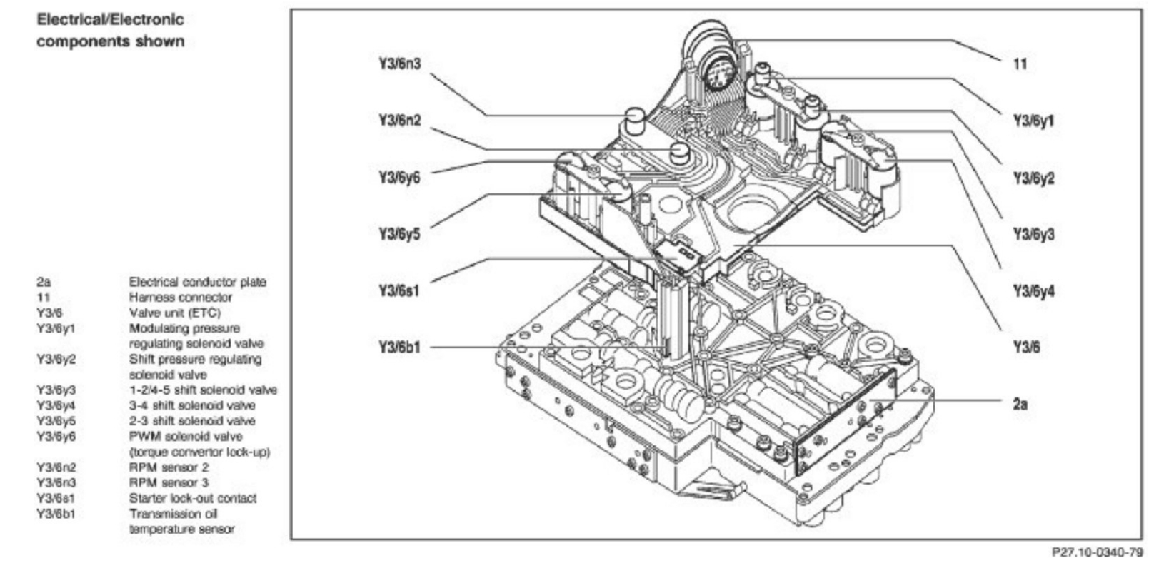
Yes, both speed input sensors are inside the transmission. Check out the images (below). Please let us know if you need anything else to get the problem fixed.
Aug 7, 2023 at 12:42 PM