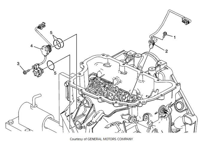
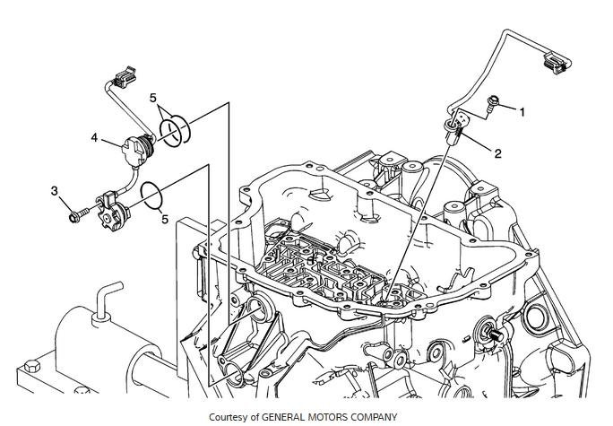
The manual doesn't list the part number for it but I attached a link to a common parts website. This is for the input speed sensor so if this is wrong then I suspect we are looking for the wrong sensor.
https://www.rockauto.com/en/catalog/chevrolet,2012,malibu,2.4l+l4,1501855,electrical,speed+sensor,10634
Jan 8, 2020 at 4:45 PM