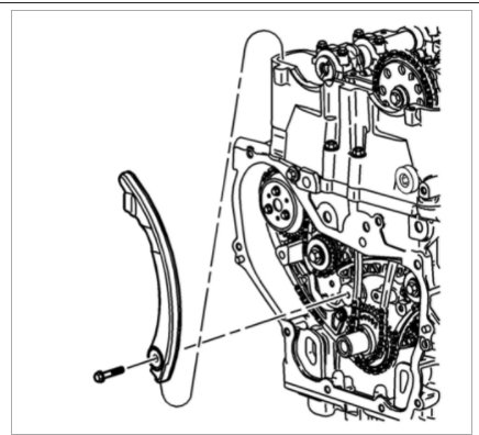
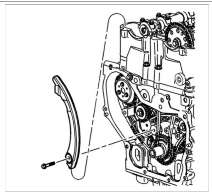
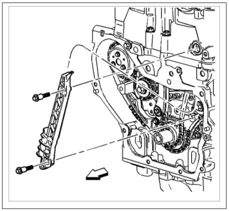
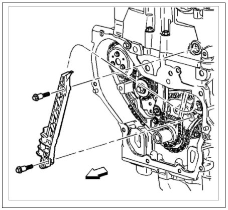
No start, Ecotec. I have 60 psi, new fuel regulator, have spark, checked chain it is good, upon inspection seems there are no injectors working because no fuel in cylinders plugs are dry. engine cranks but does not start but if you leave it overnight it tries to hit first cranking, but after that it just cranking no start. also replaced crank sensor. Help! what now?
Thanks, Mark
Thanks, Mark
Dec 8, 2017 at 11:06 AM























