Injector fuse keeps blowing

1997 NISSAN QUEST
145,000 MILES • 3.0L • 6 CYL • 2WD • AUTOMATIC
Avatar
PAULCCHAVEZ
  • MEMBER
  • 3 POSTS
So last night I drove my van to the store and came back home with no problems. this morning I try to start it and it wouldn’t start. I look into the fuse box and the injectors fuse was burnt. I replaced it and it runs. so I shut it down and that was it. later on I when to start up the minivan again and it wouldn’t start so I check the fuse and sure enough was burnt. I try to replace it again but as soon as I try to replace it it burnt it again. no key in the ignition at all. if some one could help I would appreciate it. thank you!!
May 24, 2019 at 2:50 PM
Advertisement
Avatar
SCGRANTURISMO
  • CERTIFIED EXPERT
  • 4,897 POSTS
Hello,

There is no injector fuses that I am aware of. Can you tell me where you found the fuse, in the engine compartment or under the dash and can you describe where you got it from, like second row over from the right third fuse down and tell me the amperage of the fuse. A picture of the fuse box would greatly help as well. I can tell you that what is going on is you have a short to ground somewhere in the circuit that the fuse is protecting and that is what is making the fuse pop like that. As soon as we can identify the circuit we can find the short and get your vehicle up and running again.

Thanks,
Alex
2CarPros
May 24, 2019 at 3:01 PM
Avatar
PAULCCHAVEZ
  • MEMBER
  • 3 POSTS
So the first picture shows the amperage and the second picture shows you where the fuse is. I thank you for helping me out!
May 24, 2019 at 6:08 PM
Advertisement
Avatar
SCGRANTURISMO
  • CERTIFIED EXPERT
  • 4,897 POSTS
Hello again,

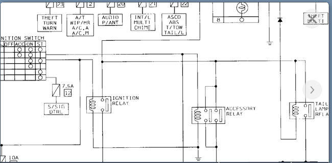
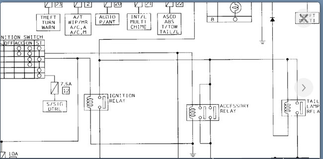
Well you were right. This is the fuse that protects the fuel injector circuit on your vehicle. I have included a fuse box location, fuse box callout, wiring diagrams, and instructions on how to find a short circuit in an electrical circuit in the diagrams down below. Please go through these guides and get back to us with what you find out.

Thanks,
Alex
2CarPros
May 24, 2019 at 9:31 PM
Avatar
PAULCCHAVEZ
  • MEMBER
  • 3 POSTS
So I found the problem and sure enough there was a wire under the fuse box that was kinked and peeled off and touching part of the engine I like to think that was the problem once I taped the wire I sore of rerouted it and everything is working fine now I drove the van all morning and afternoon no problems I now would like to thank you so much the diagrams helped me a lot, but I still have a question that is bugging me, can a bad injector cause a short or some sort of fuse damage or will it just run rough? Thank you again so much!
May 25, 2019 at 4:23 PM
Avatar
SCGRANTURISMO
  • CERTIFIED EXPERT
  • 4,897 POSTS
Hello again,

Sure, there can be a short in the wiring going to the injectors and that is why they are all fused. Fuel Injectors are basically on/off solenoids. They are an electrical component that requires electricity to operate, so yes, they to can get an internal short and should blow the fuse if that happens. Usually an injector will get stuck open or closed and either leak fuel or not provide any at all to the cylinder. The most common fault is going to be with the o-rings that seal the injector in the fuel rail and intake manifold.

Thanks,
Alex
2CarPros
May 25, 2019 at 4:40 PM