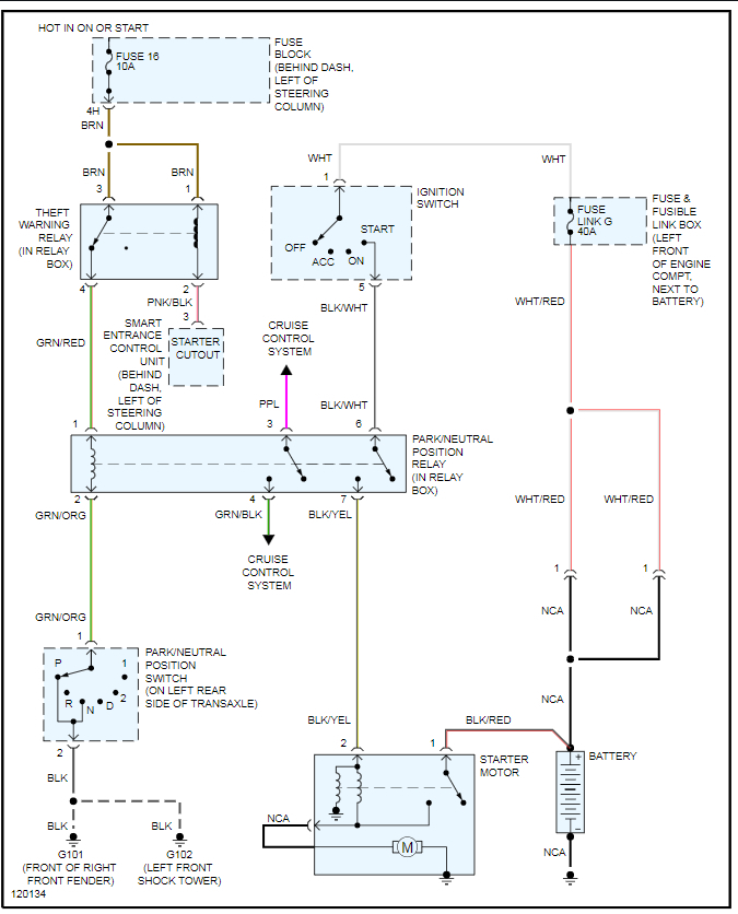
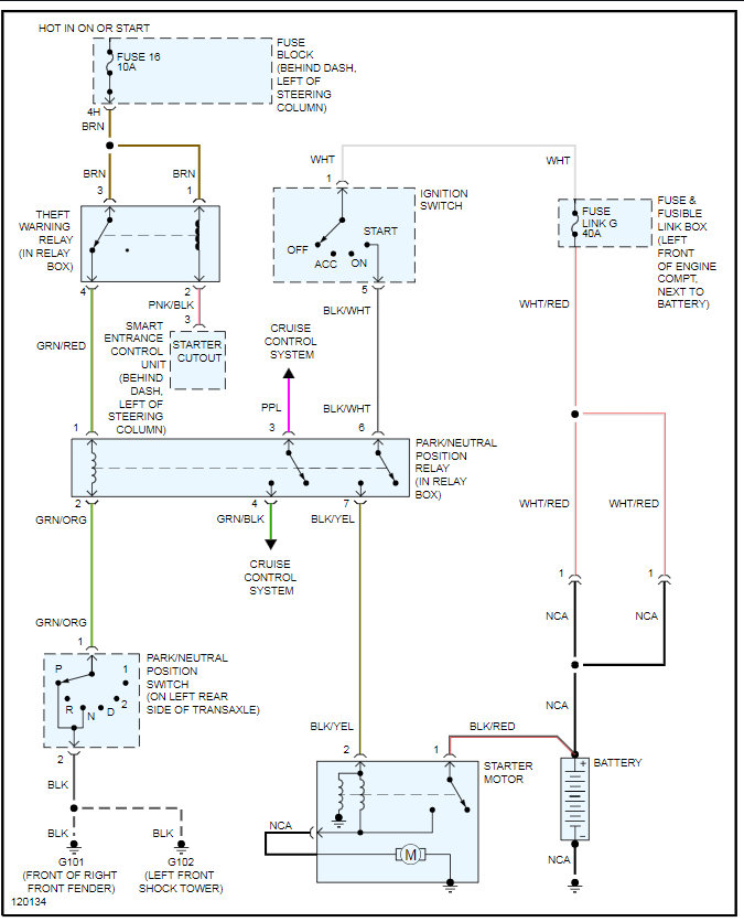
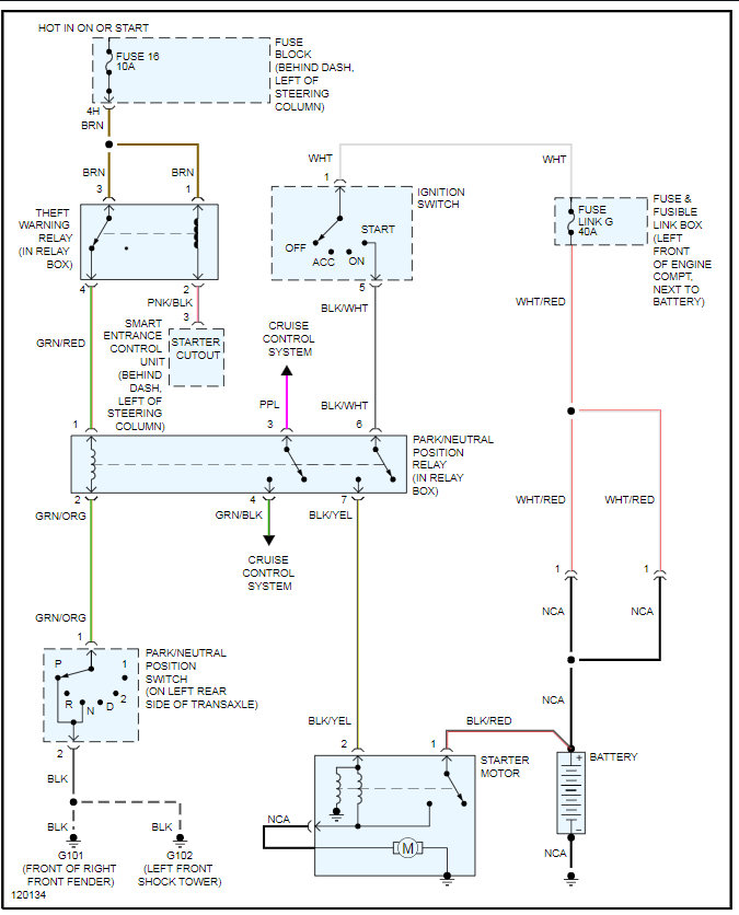
All the lights and accessories work. i have approximately 13 volts at battery, headlights are bright. pulled cables and cleaned off anyway, it needed it. when i turn the key to start i can here relays clicking but starter motor is doing nothing not even a click. Could this be a bad starter?
Oct 6, 2010 at 2:33 PM

