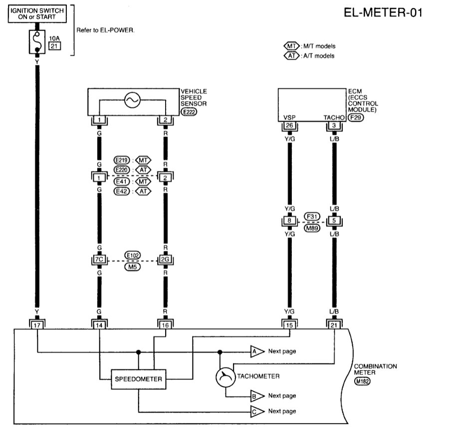
Tach is jumping erratically.Will drop to zero and jump up to max and will continue. Does not happen at first start but after about 5- 10 minutes of driving. Do not notice any other signs and seems to run fine except for the jumping tach. Plan to do a full tune-up. Any other suggestions for this fix? tach is now not working at all.
Apr 8, 2008 at 8:37 AM

