☰
Login
Join
×
Home
Answered Questions
Repair Topics
Repair & Service Guides
Popular Questions
Warning Lights
Trouble Codes
How It Works
Testing / Diagnostics
Symptoms
Videos
Login
Become a Member
Home
Chevrolet
Uplander
Fuel System
Fuel Pump
Location
Inertia fuel pump saggy switch
2008 CHEVROLET UPLANDER
190,000 MILES
JORDANHESTER
MEMBER
1 POST
FOLLOW
Having trouble understanding and finding out where it is located in. What all you have to do to get to it?
Aug 30, 2018 at 6:08 AM
Advertisement
ASEMASTER6371
CERTIFIED EXPERT
52,796 POSTS
Good morning.
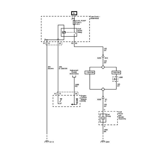
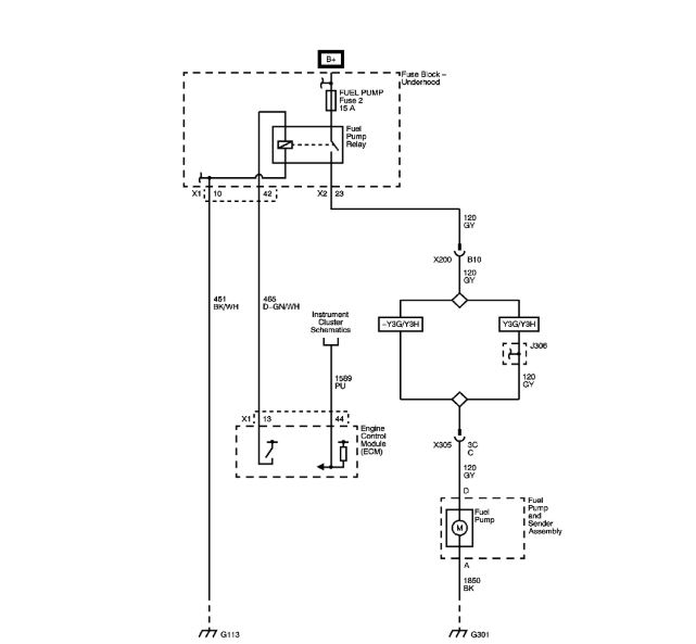
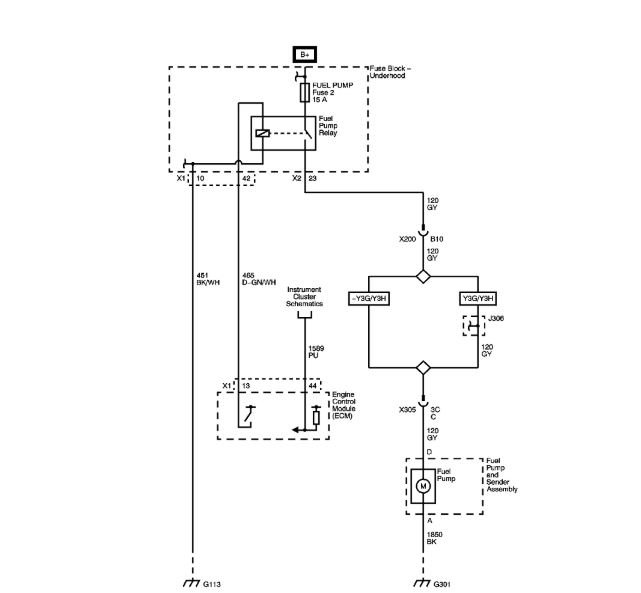
There is no inertia switch on GM. That is for Ford systems.
I attached a wire diagram for you for the fuel pump system. Verify the fuses are good by checking for power on both sides of the fuse.
Roy
Image (Click to enlarge)
Aug 30, 2018 at 7:47 AM