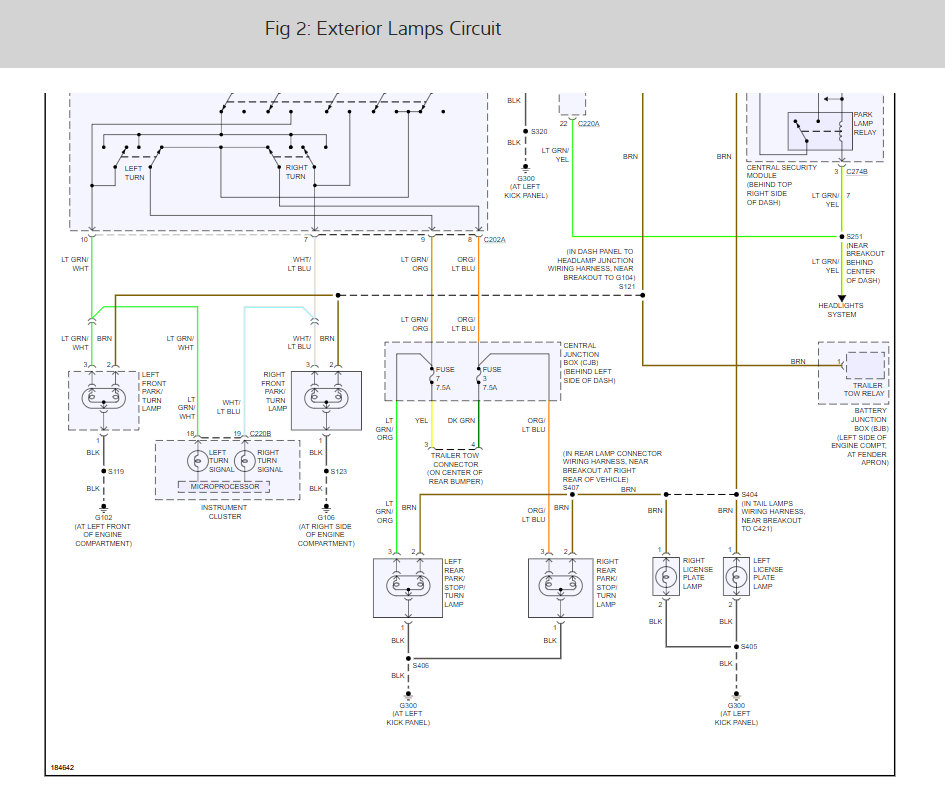
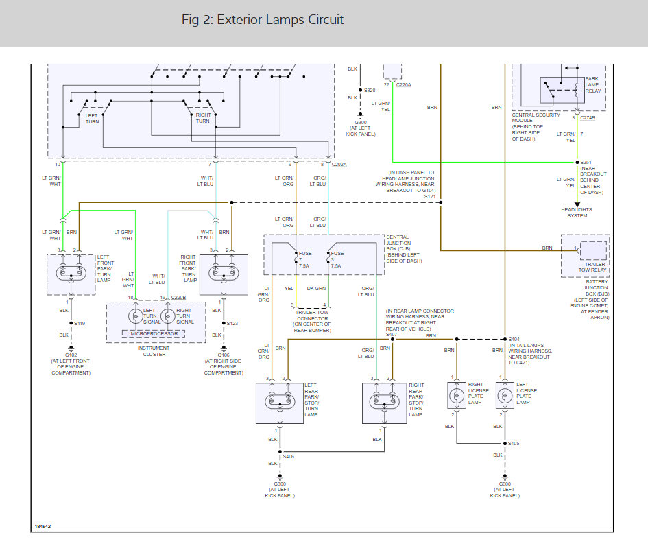
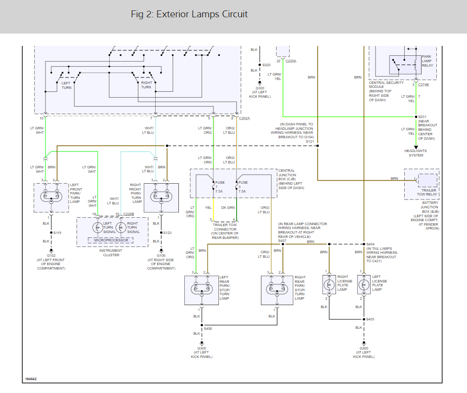
The bulbs are good, the fuses are good, and I replaced the flasher relay, however; the problem persists. When I activate the turn signal, the icon does not show and there is no ticking sound. Any advice?
Jun 28, 2019 at 2:35 PM







