Turn signals sound and seat belt sound are not working

2014 HONDA JAZZ
99 MILES • 1.2L • 4 CYL • 2WD • MANUAL
Avatar
SHRAVAN
  • MEMBER
  • 3 POSTS
Indicators flash normally but the clicking sound doesn't work neither does the seatbelt warning sound work.
Nov 26, 2021 at 3:15 PM
Advertisement
Avatar
KASEKENNY
  • CERTIFIED EXPERT
  • 18,907 POSTS
We don't have a manual on this vehicle as it is not offered here in the USA, but we do have a similar vehicle that this is common on. Basically, that clicking noise that you are used to hearing is not meant to be there but on older vehicles that was actually the relay clicking and now people are just accustomed to hearing it so they actually add that noise back in because most are not run through relays anymore.

In the USA version this issue is caused by the MICU which is the control unit that handles most of the interior and lighting functions. It has a speaker that will make the clicking noise and that speaker fails and you have to replace the module to fix this.

If it were me and the turn signals work, I would not replace it.

https://www.2carpros.com/articles/turn-signals-not-working-blinker

Also, I assume you mean the seat belt warning that is not working is the audible chime that goes off when you don't have it buckled? If that is the case, then that is going to be the same component.

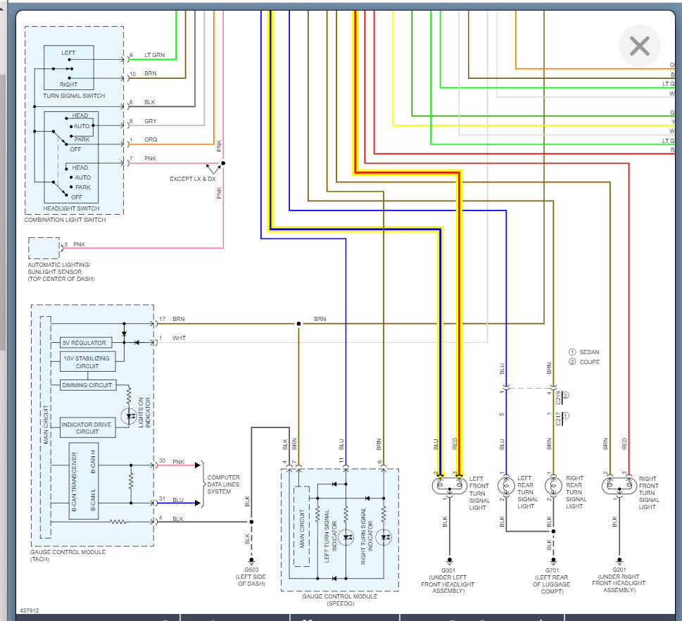
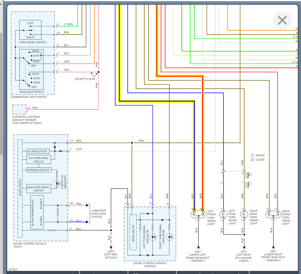
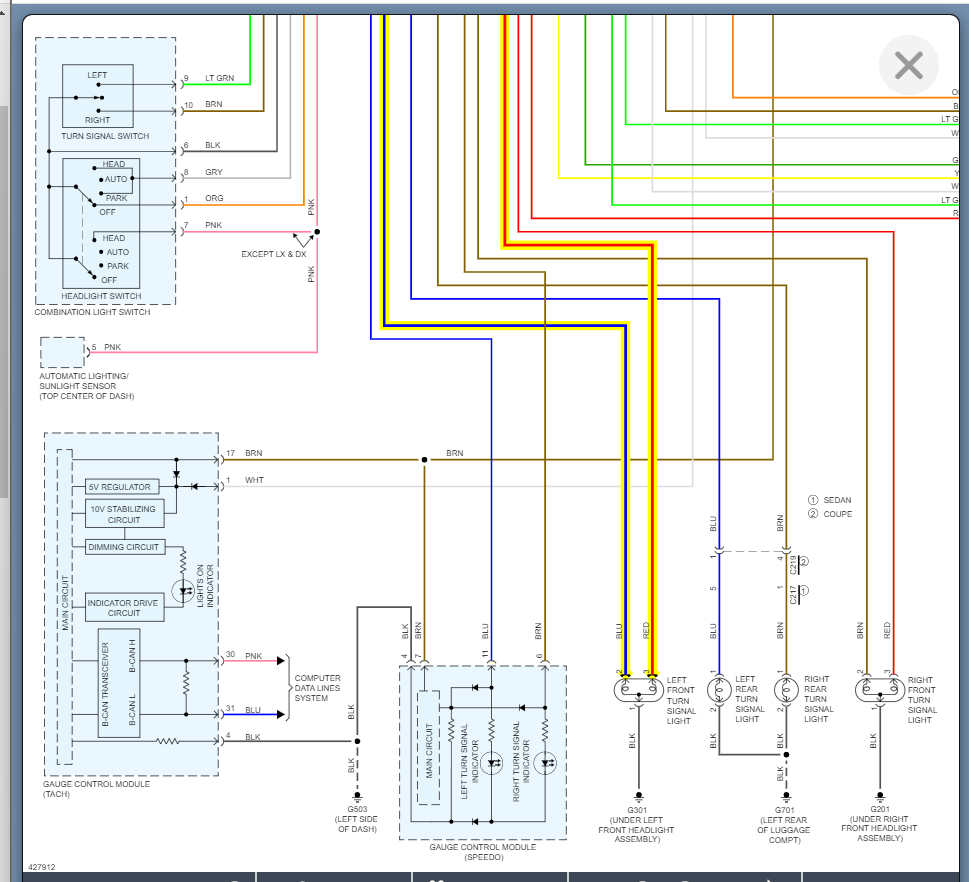
I attached the wiring diagram below that shows there is no relay which means this noise is produced by this module.

Please let me know what questions you have but I suspect your vehicle is going to be similar, but I doubt the part will be called the same thing.
Nov 27, 2021 at 5:05 PM
Avatar
SHRAVAN
  • MEMBER
  • 3 POSTS
Yeah, the seat belt warning I'm talking about is the chime, how do I fix it? Change the speaker or the fuse?
Nov 29, 2021 at 9:21 AM
Advertisement
Avatar
KASEKENNY
  • CERTIFIED EXPERT
  • 18,907 POSTS
You would need to change the speaker if this is the same set up as the USA version. However, in the USA version the speaker is internal to the MICU and requires the entire module replacement.

Unfortunately, I don't have the manual for your vehicle to determine if this is the same.
Nov 29, 2021 at 2:26 PM