It sounds like you have a bad ground or a bad instrument cluster. Have you done a CAN scan to see what comes up? These guides will help. You can get a CAN scanner (Controller Area Network) from Amazon.
Here is a video to show you how:
https://youtu.be/u-4syLc-ifQ
and
https://www.2carpros.com/articles/can-scan-controller-area-network-easy
Here is one for about $99.00 if you need it:
https://amzn.to/3ZixY4v
When you say you changed the module is that the BCM? Also, I would carefully inspect the bulb sockets and ensure the correct bulb is installed. If that seems of here is a guide to help you check the grounds and power sources, also please recheck the fuses with the system on.
https://www.2carpros.com/articles/how-to-check-a-car-fuse
and
https://www.2carpros.com/articles/how-to-check-wiring
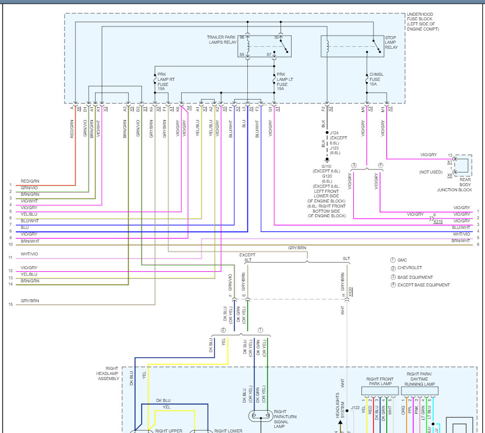
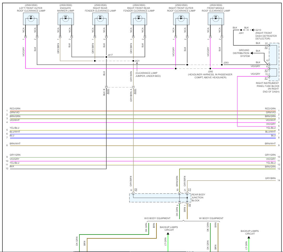
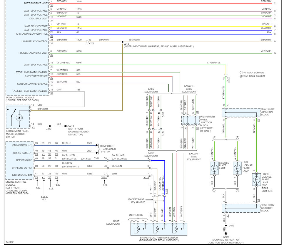
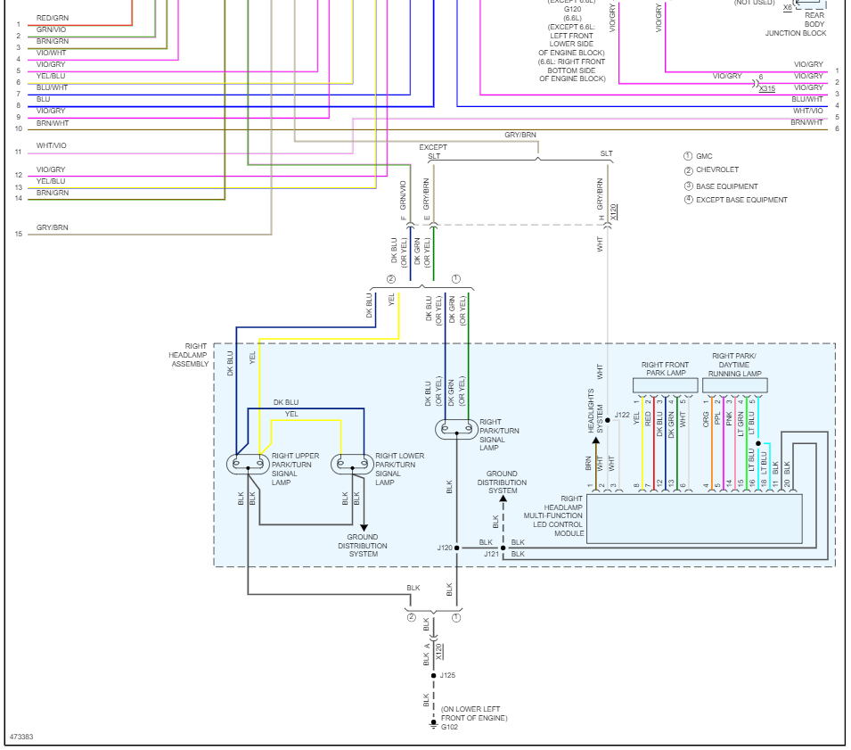
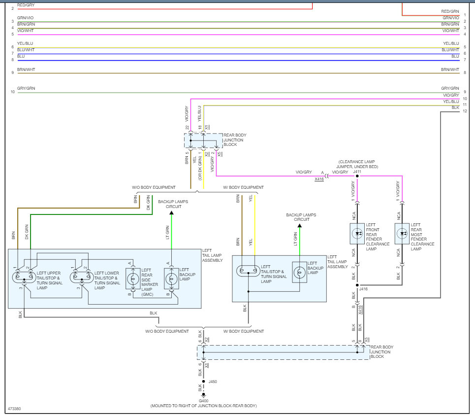
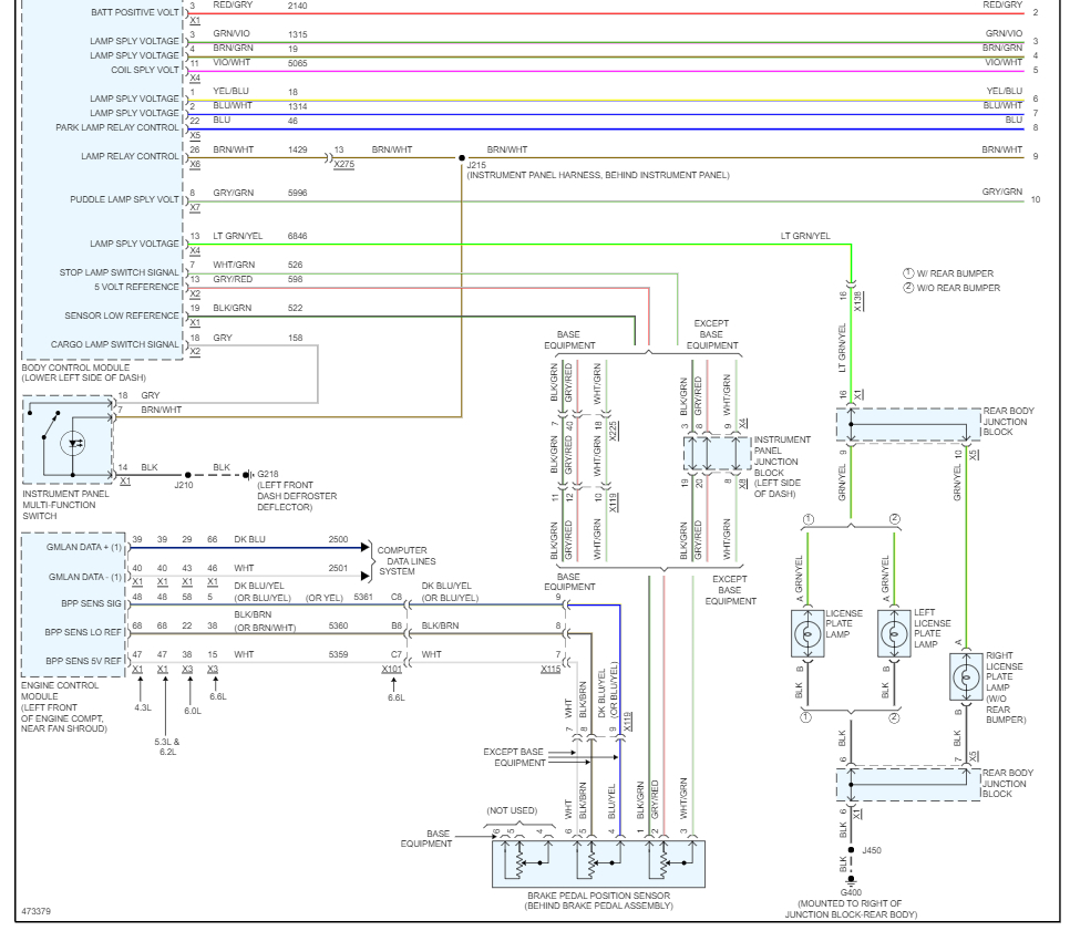
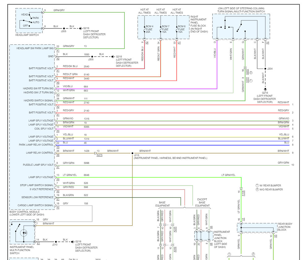
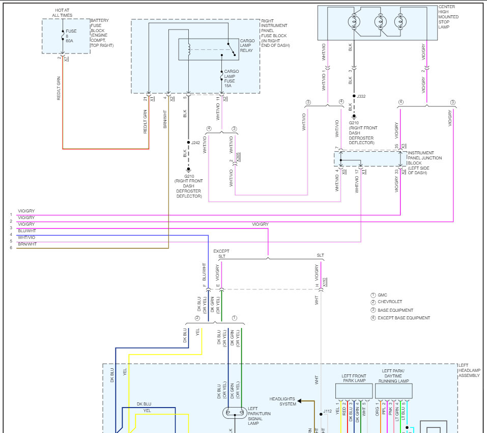
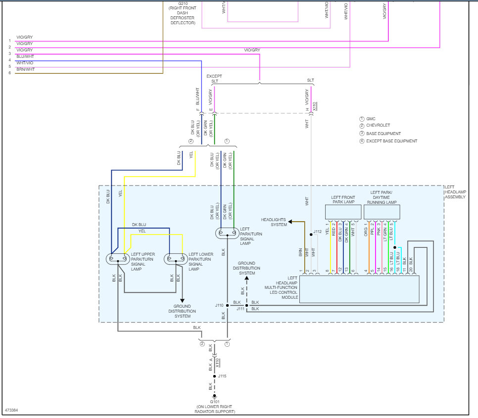
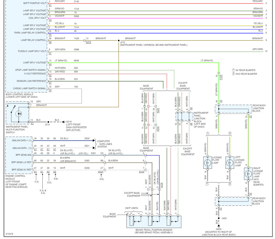
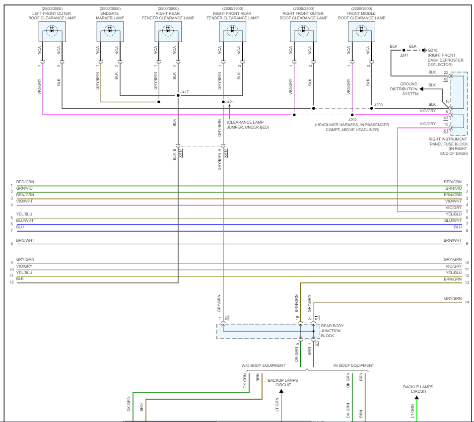
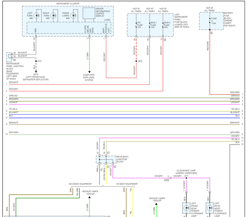
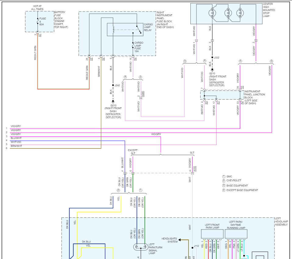
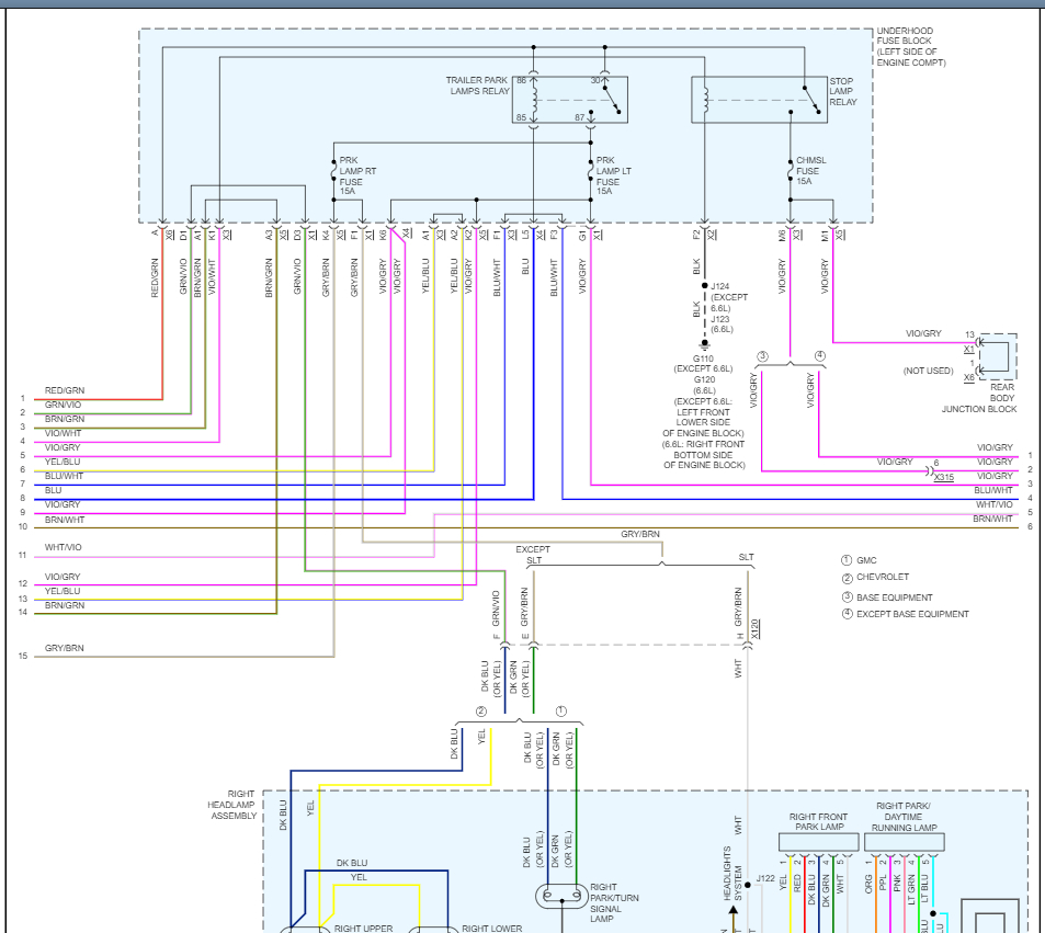
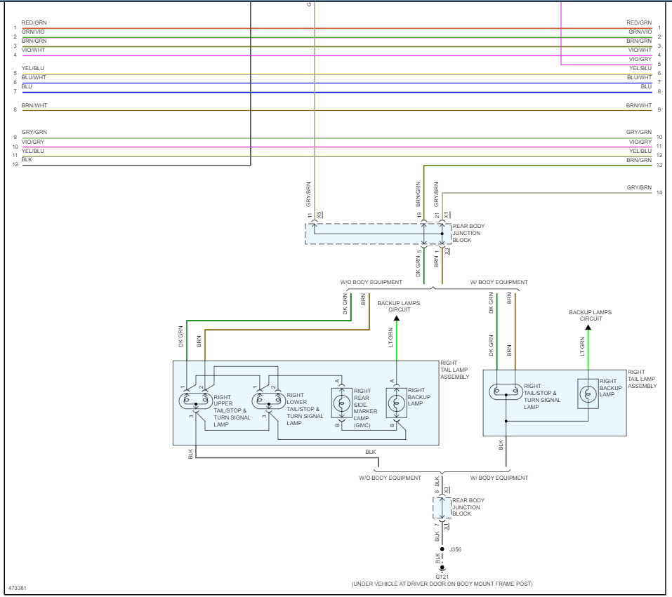
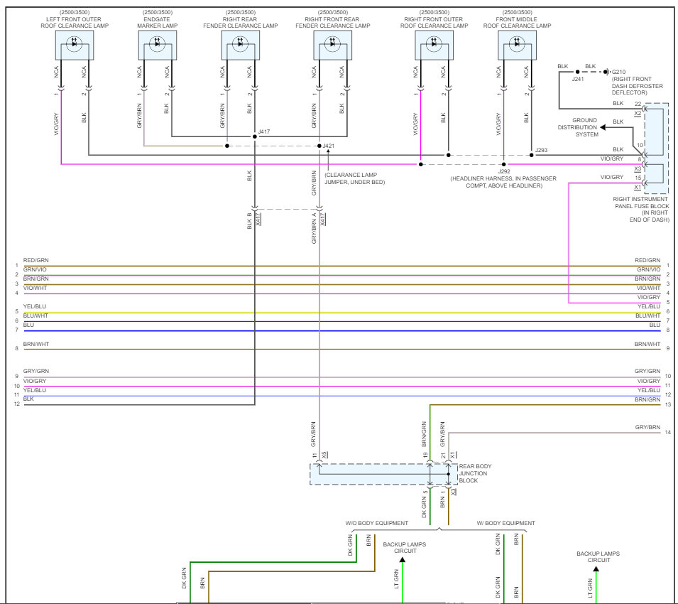
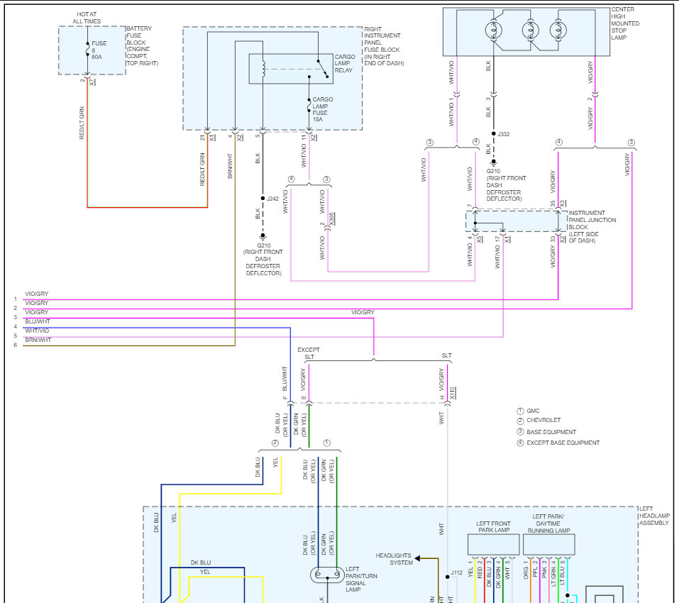
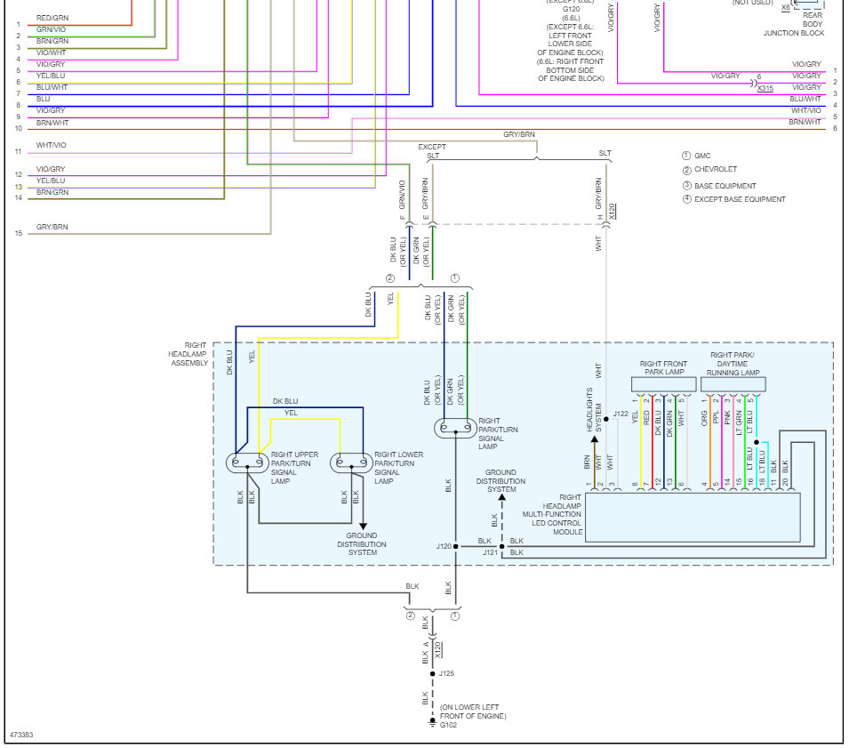
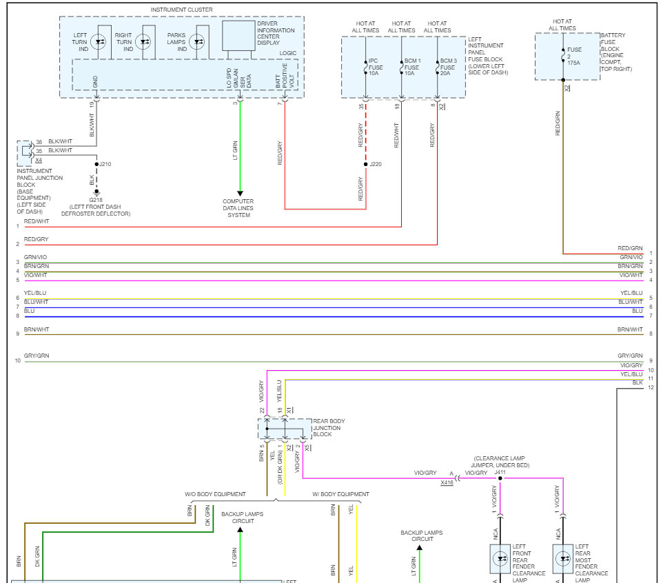
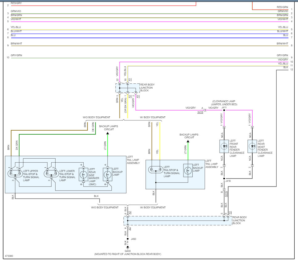
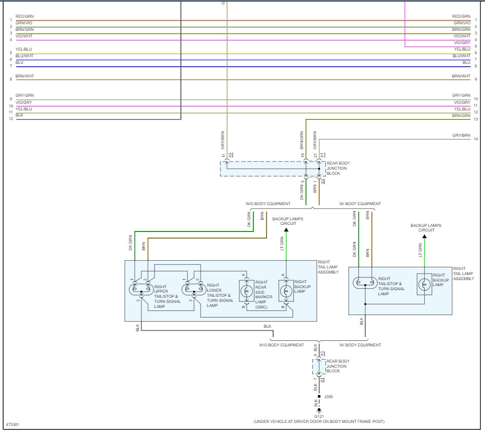
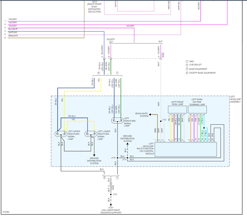
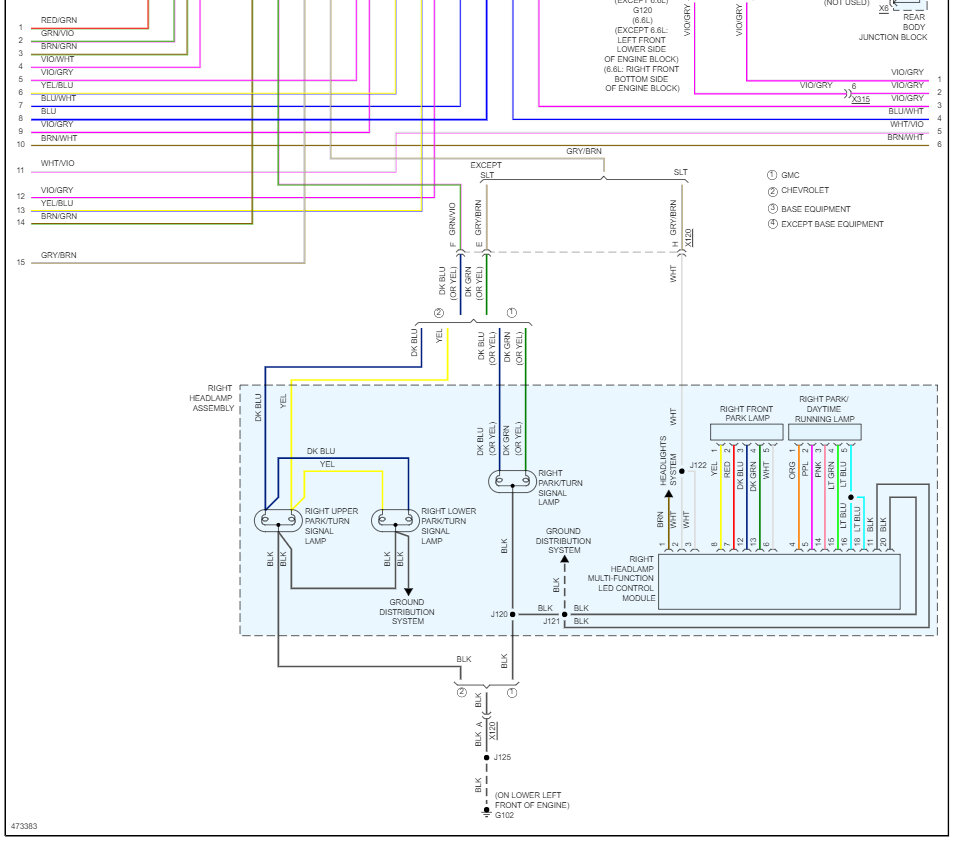
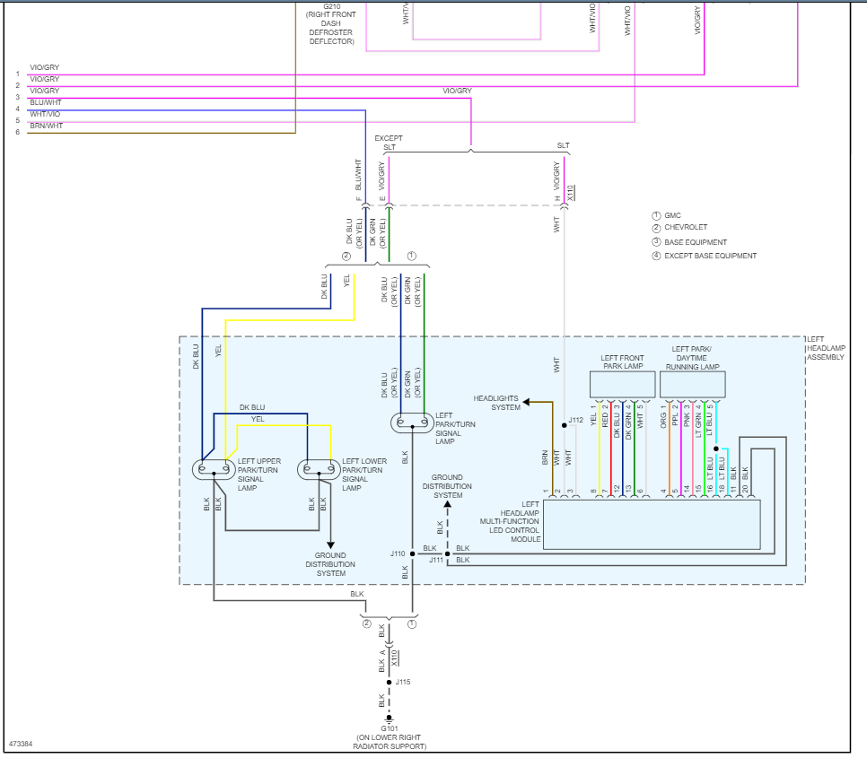
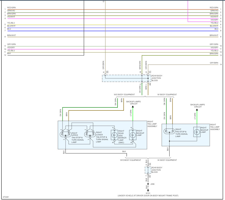
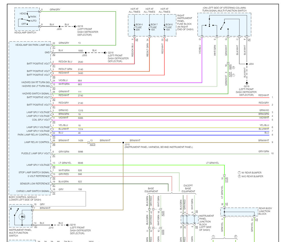
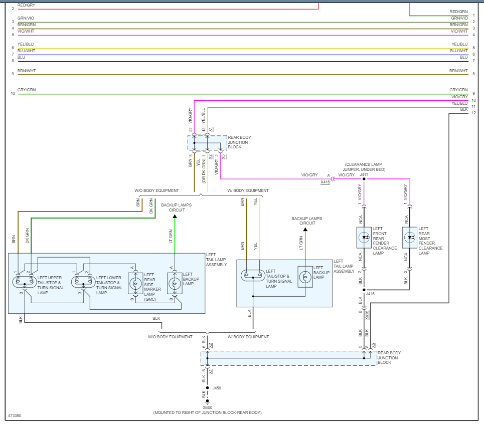
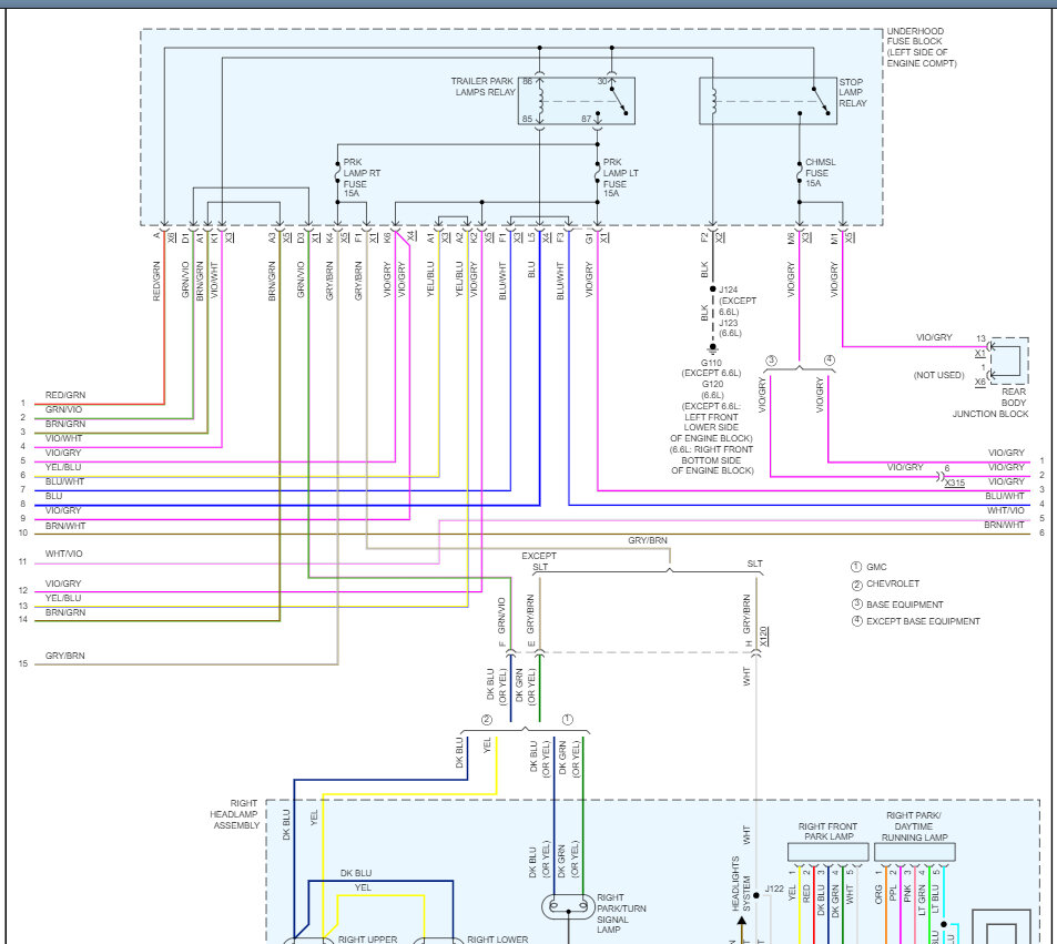
Here are the blinker wiring diagrams in the images below so you can check it out and see how the system works. Check out the images (below). Please let us know what you find. We are interested to see what it is.
Images (Click to enlarge)
Apr 3, 2023 at 11:21 AM