Defrost/Panel/Floor mode door actuator and Temperature Blend Door Actuator not working properly

2018 FORD FUSION
33,500 MILES • 2.5L • 4 CYL • 4WD • AUTOMATIC
Avatar
ILLYA VOLKOV
  • MEMBER
  • 2 POSTS
Hello.
My car is listed above without climate control.
I have a problem with door actuators.
The first problem is with Defrost/Panel/Floor mode door actuator. The floor mode doesn't work. I changed this actuator, but the problem isn't fixed.
The second problem with the Temperature Blend Door Actuator. The actuator works only for heating (max temperature) or for cooling (min temperature). For example: when I'm trying to change the heating position on the middle of heating, I'm steel having max temperature (actuator doesn't change the position). The same is for cooling. Changed this actuator also, but without changes. Maybe there is some way to reset the actuators settings or something else?
If you need additional information, I can attach a video a bit later.
Maybe the problem is with resistor?
Dec 21, 2021 at 1:55 PM
Advertisement
Avatar
KASEKENNY
  • CERTIFIED EXPERT
  • 18,907 POSTS
Couple questions. Do you have auto temperature control or manual? Is there an Auto button on the control panel?

If there is, we need to check the voltage coming from the FCIM which is what commands the position of the doors.

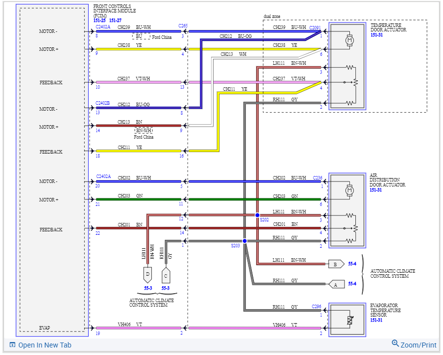
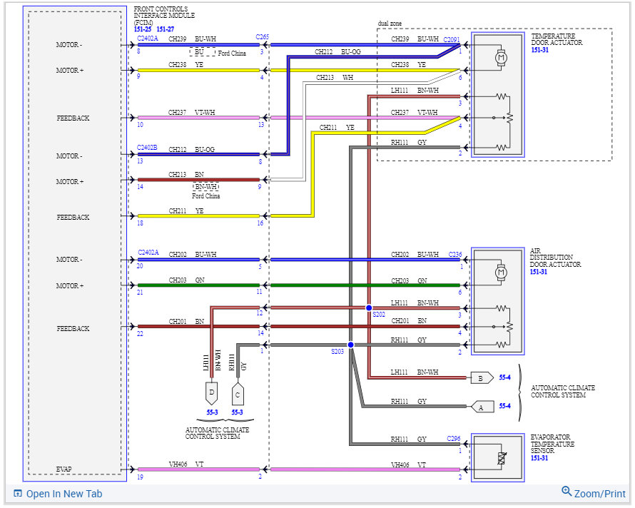
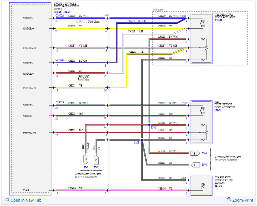
Basically, we need to monitor the feedback circuits for each door shown below plus the motor +/- circuits.

https://www.2carpros.com/articles/how-to-check-wiring

I suspect that when you change the position to the floor that the control module is not sending the signal to the actuator.

This would mean the FCIM is the issue and needs to be replaced.

Please see the wiring diagram and let me know what questions you have.

Thanks
Dec 22, 2021 at 2:41 PM