In the morning the engine start up and then stalls immediately

1999 HONDA CIVIC
166 MILES • 1.6L • 4 CYL • FWD • AUTOMATIC
Avatar
BEE MAN2
  • MEMBER
  • 3 POSTS
Hi, after changing the radiator as it was rusty and in bad condition and caused the engine to run in a higher temperature, now in the morning the engine starts up normally and directly stalls. I have to put my foot on the pedal to make the rpm up to 1000 for five minutes at least. I went to reputable mechanics he checked the throttle body and the sensors attached and found one sensor was blocked with the contamination. he make the necessary repair and also changed the spark plug, the fuel filter, the air filter and checked both the pump pressure, the injectors and temperature sensor and it is okay.
Also, the engine fuel consumption is too high.
Thanks for your assistance.
Dec 26, 2016 at 1:52 AM
Advertisement
Avatar
HMAC300
  • CERTIFIED EXPERT
  • 48,601 POSTS
try cleaning throttle plate on both sides and IAC hole and check for a vacuum leak. like a hose off etc.
Dec 26, 2016 at 7:07 AM
Avatar
BEE MAN2
  • MEMBER
  • 3 POSTS
I already did,some pro told me it might be the ECU, especially the engine consum heavy fuel.
Dec 27, 2016 at 8:49 AM
Advertisement
Avatar
HMAC300
  • CERTIFIED EXPERT
  • 48,601 POSTS
I kind of doubt an ECU. scan for codes and check fuel pressure with a gauge auto parts rent gauge. See link.
https://www.2carpros.com/articles/how-to-check-fuel-system-pressure-and-regulator
Dec 27, 2016 at 9:27 AM
Avatar
BEE MAN2
  • MEMBER
  • 3 POSTS
Although the engine is very weak
Dec 30, 2016 at 1:28 AM
Avatar
STRAILER
  • CERTIFIED EXPERT
  • 53,855 POSTS
Hey BEE MAN2,

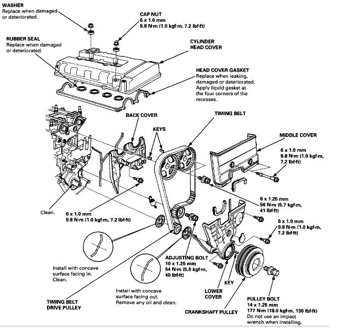
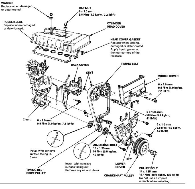
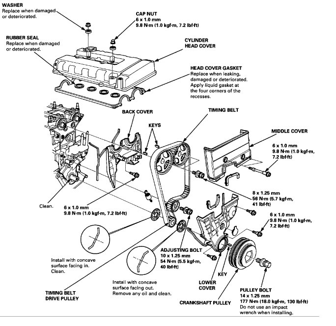
It sounds like the timing belt is off one tooth, can you remove the timing cover and check the cam timing?

Here is a guide to see if the mark are correct.

Please let us know happens so it will help others.

Best, Ken
Jan 3, 2017 at 2:36 PM