In need of a diagram for PCM swap?

1994 SATURN SC1
188,000 MILES • 1.9L • 4 CYL • 2WD • AUTOMATIC
Avatar
CHUCKSSL2
  • MEMBER
  • 1 POST
I am PCM swapping my 1996 Saturn sl2 with a PCM out of a 1994 sc1, and I'm having a hard time finding the right wiring diagrams for both of them so I can get both to work with the instrument cluster and the key.
May 25, 2023 at 7:37 PM
Advertisement
Avatar
STEVE W.
  • CERTIFIED EXPERT
  • 15,113 POSTS
You have your work cut out for you. The 94 is an OBD I computer while the 96 is OBD II. The 94 had 2 different engines the SOHC and a DOHC version. While the 96 was only the DOHC .The 94 pcm uses 3 connectors while the 96 needs 4. That is because the 96 uses a different control system as well as having a different computer bus. The computer also controls more on the 96 than the 94 ecm has connections for. However I'll attach the wire connectors for both. Not trying to discourage you but unless you are changing engines and transmissions along with the PCM and wiring harness I'm not sure if you can get it to work.
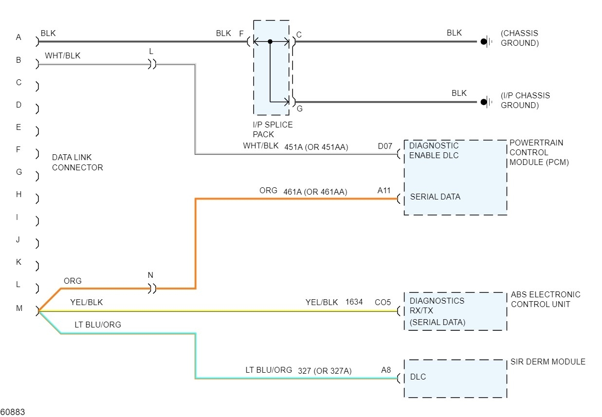
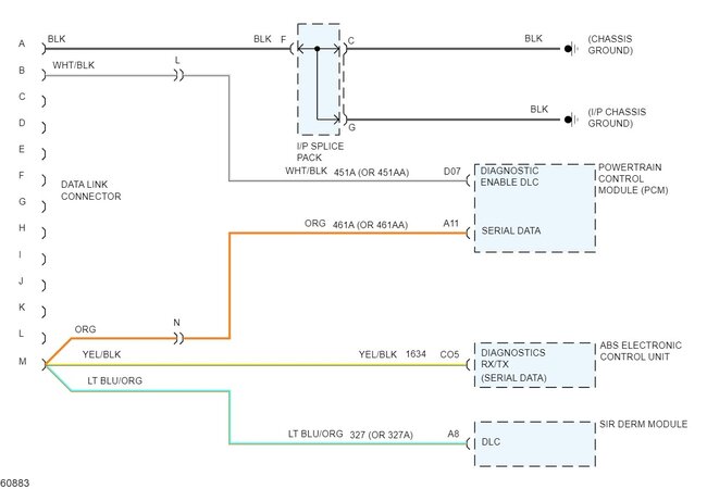
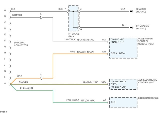
First 2 are the DLCs. The next 5 are the 94 connectors. The last batch are the 96 connectors. As for getting the key to work, That will take some extra work because the security systems are also different. What I would suggest would be to get a subscription to the mitchell DIY site for both vehicles. Then you can "print" to pdf the pages you want and have them all to compare.
May 26, 2023 at 9:06 PM