Occasional stalling, codes P0481, P0118, P0420 and P0171

2003 CHEVROLET IMPALA
210,000 MILES • 3.8L • V6 • 2WD • AUTOMATIC
Avatar
EFORBY1801
  • MEMBER
  • 1 POST
My car has been having some issues lately. My car has been occasionally stalling at stops when I go to take off, and I have to crank the ignition a couple times while pressing the gas pedal to get it to start. I scanned the car using a diagnostic tool and it came back with four codes. The first one was P0481, which states that cooling fan relay 2 control circuit malfunction. The second code is P0118 which states the coolant temperature sensor input is high. The third code is P0420, which states catalyst system low efficiency bank 1. The fourth code is P0171, which states that the car is running lean in bank 1. I have read that a faulty coolant sensor temperature could cause the car to have trouble starting, but was not sure if it could be responsible for it stalling. I have occasional overheating issues, which would correlate with the codes thrown. The car also runs poorly when first idling when I start it sometimes. My temperature gauge inside the car also bounces up and down irregularly, and sometimes does not work at all.
Sep 18, 2018 at 1:12 PM
Advertisement
Avatar
STEVE W.
  • CERTIFIED EXPERT
  • 15,113 POSTS
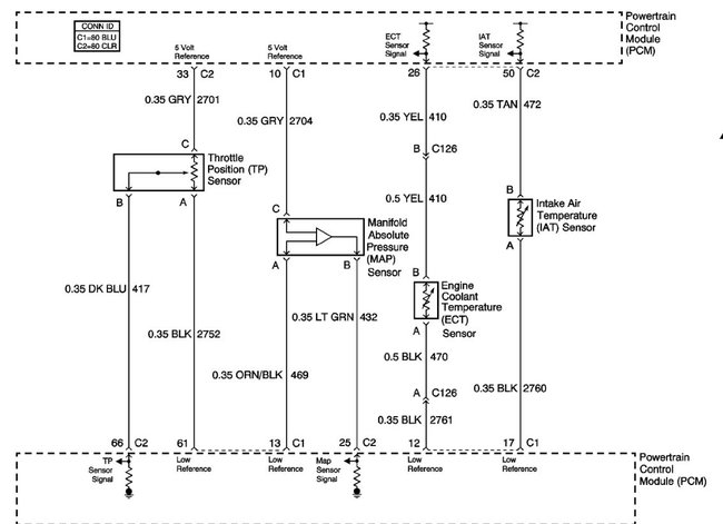
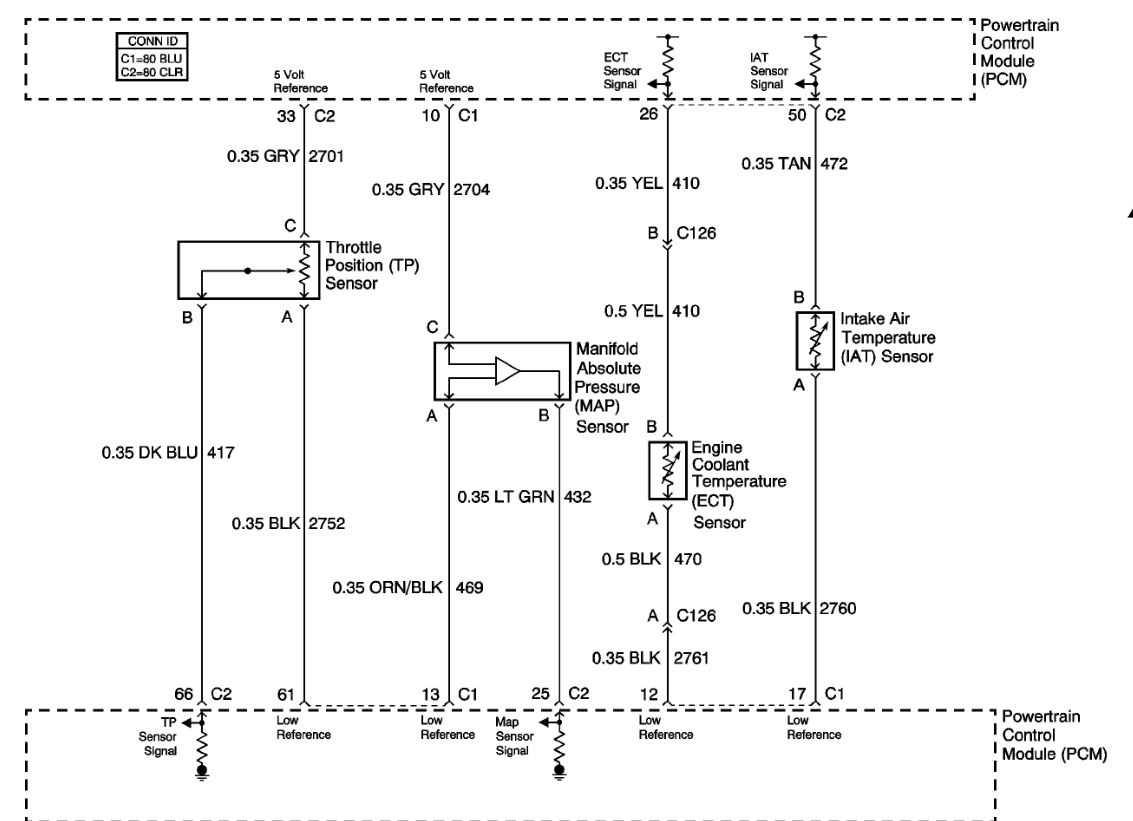
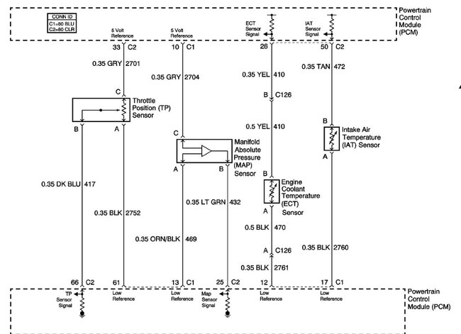
The coolant temperature sensor can cause the first two codes (P0481 and P0118). It would also be responsible for the temperature gauge issues. From your description I would start at the connector and the wiring, that is because it seems to be an intermittent connection if the gauge works then does not and the connectors and wiring would act that way more than the sensor. Looking at the wiring there is a second connector in the harness for those that could also be an issue. The attached wiring diagram shows the sensors wiring a black wire which should go ta ground inside the PCM and a yellow wire which is a 5 volt bias feed from the PCM. Testing with a volt meter should show those.

It should not cause the P0420 or the P0171. However, those could be due to a faulty O2 sensor that is reporting the lean condition. For that you would want to watch the live data from the sensors and see if they are switching voltage like they should.
Sep 20, 2018 at 2:05 PM