After the article just scroll down to find VW. Hope this helps and thanks for using 2CarPros.
Danny-
Jul 9, 2019 at 3:39 PM
SANDY ROBINSON-KING
MEMBER
1 POST
I’ve tried all these and nothing worked, I also don’t know which fuse is to the security system (they only have pictures, not very good ones I might add) Any other suggestions?
Jul 10, 2019 at 10:36 AM
Advertisement
DANNY L
CERTIFIED EXPERT
5,648 POSTS
Hello again.
Okay, I will look it up for you. Can you give me the engine information? Is it 1.8 , 1.9 , or 2.0 Liter. Hope to hear back soon.
Danny-
Jul 11, 2019 at 4:39 PM
STRAILER
CERTIFIED EXPERT
53,854 POSTS
Hello,
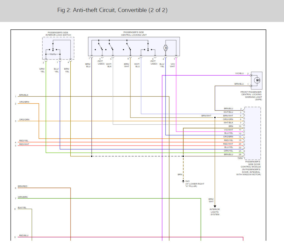
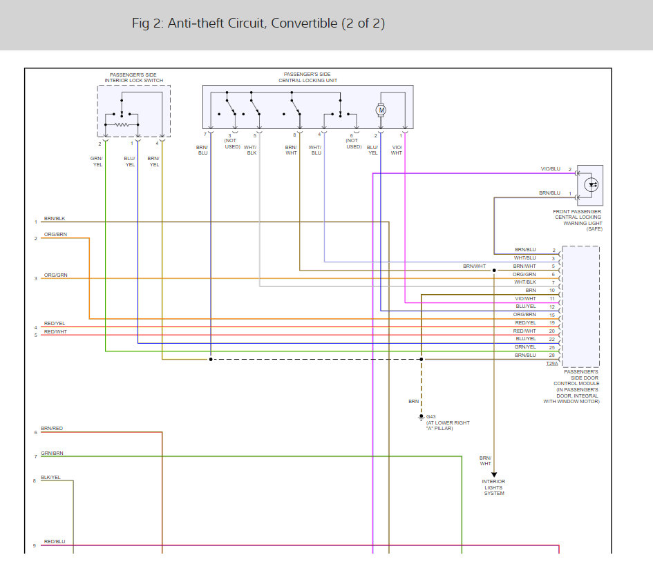
There are many fuses. here are the wiring diagrams for the security system so you can see how it works and the fuses that need to be checked with the fuse location below: