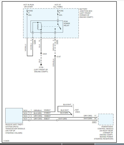
Dears, do you have some schematic, or step-by-step instructions to reach the immobilizer module and antenna ring on the ignition switch?
My problem is not recognized code, after starting, red diode starts blinking fast. After that I must do the reprogram procedure with 4times on-off until the diode continuously light, and pressing any button of the key while diode turns off.
The problem happened twice in two years period, but now it happened 3-4 times in month period, until these days that happens almost on every starting :(
I wanted to inspect the state of wirings and connections of those components (visually), but with no luck.
I found only 3 screws fixing the lower plastic cover behind the steering wheel, and after unscrewing them, it does not even get loosened. Tried to use forcing separation with a plastic tool between the lower and upper cover, but again nothing.
Thanks in advance! Best regards from North Macedonia
My problem is not recognized code, after starting, red diode starts blinking fast. After that I must do the reprogram procedure with 4times on-off until the diode continuously light, and pressing any button of the key while diode turns off.
The problem happened twice in two years period, but now it happened 3-4 times in month period, until these days that happens almost on every starting :(
I wanted to inspect the state of wirings and connections of those components (visually), but with no luck.
I found only 3 screws fixing the lower plastic cover behind the steering wheel, and after unscrewing them, it does not even get loosened. Tried to use forcing separation with a plastic tool between the lower and upper cover, but again nothing.
Thanks in advance! Best regards from North Macedonia
Apr 27, 2024 at 10:17 PM







