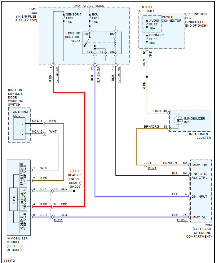
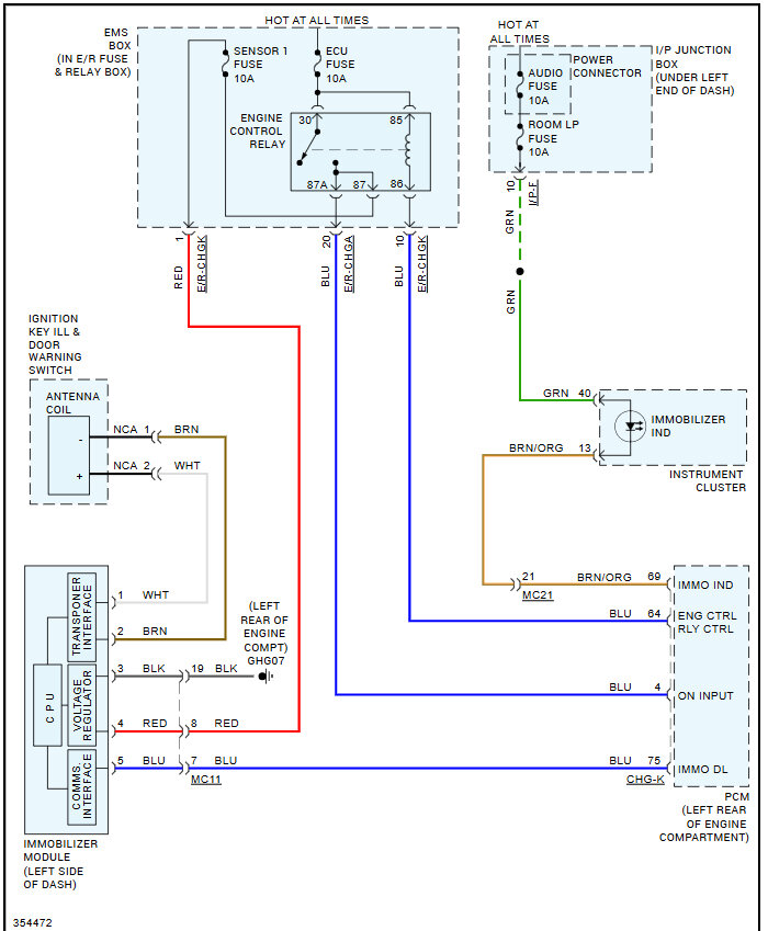
Hi, please may I know exactly where this module is actually hiding in this car. Please help with the location. Also the wiring diagram for it.
KNDPBCA23B7104034
Help me out am going crazy how Kia would do this intentional.
Thanks!
KNDPBCA23B7104034
Help me out am going crazy how Kia would do this intentional.
Thanks!
Aug 17, 2025 at 9:25 AM












