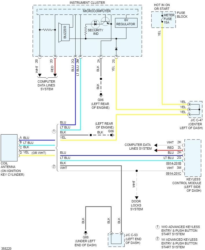
Hi! We have tried multiple things but this isn't working.
I have changed the crankshaft sensor because Mazda told me this was the problem ($225.00 for nothing) and my car did not start after this. I called them back to be told my PCM was in fault. I reset it and my car don't want to start.
What can I do to make my car start again?
Thank for your help I'm grateful!
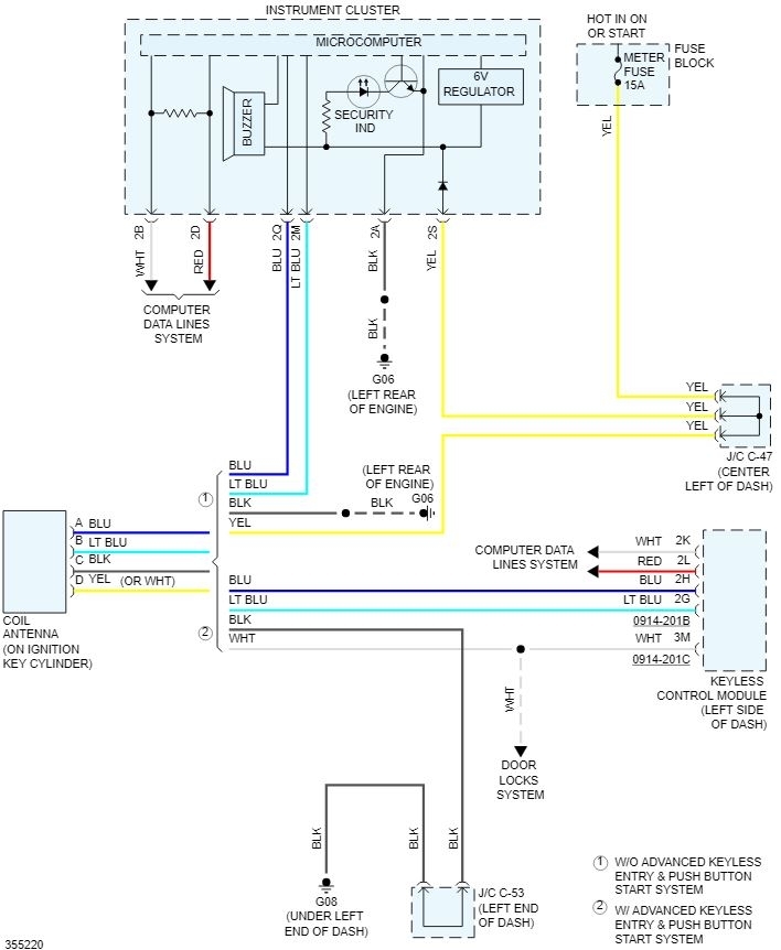
I have changed the crankshaft sensor because Mazda told me this was the problem ($225.00 for nothing) and my car did not start after this. I called them back to be told my PCM was in fault. I reset it and my car don't want to start.
What can I do to make my car start again?
Thank for your help I'm grateful!
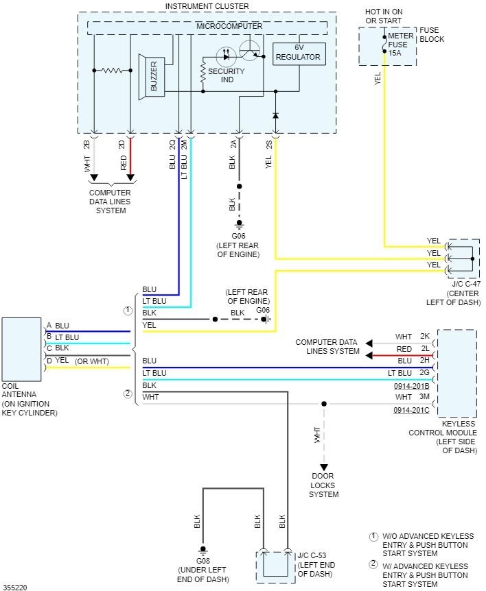
Nov 5, 2019 at 4:27 PM
