Starter motor keep running?

2005 HONDA ODYSSEY
180,000 MILES • 3.2L • 6 CYL • AUTOMATIC
Avatar
BVIGIL
  • MEMBER
  • 2 POSTS
Starter motor continues to run without key, green light flashes on dash.
Jun 11, 2018 at 2:08 PM
Advertisement
Avatar
STRAILER
  • CERTIFIED EXPERT
  • 53,854 POSTS
Hello,

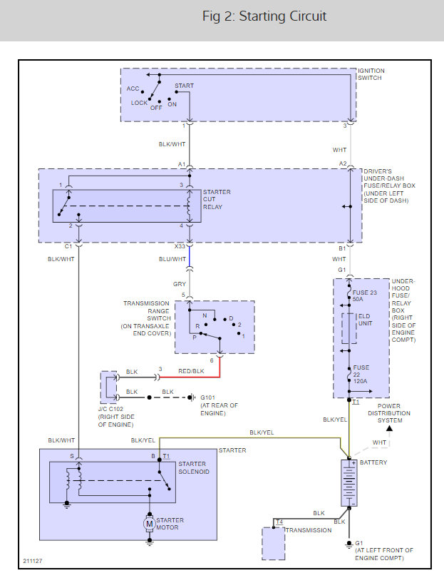
There is a starter cut relay that is stuck and needs to be replaced. Here is a wiring diagram so you can see how the systems works and a guide to help test the relay once you find it from the diagrams below:

https://www.2carpros.com/articles/how-to-check-an-electrical-relay-and-wiring-control-circuit

Check out the diagrams (below). Please let us know what happens.

Cheers, Ken
Jun 13, 2018 at 10:42 AM