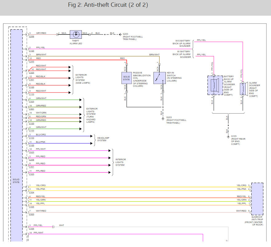
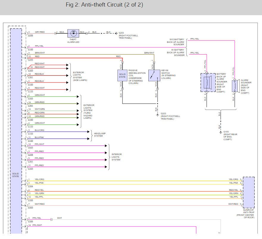
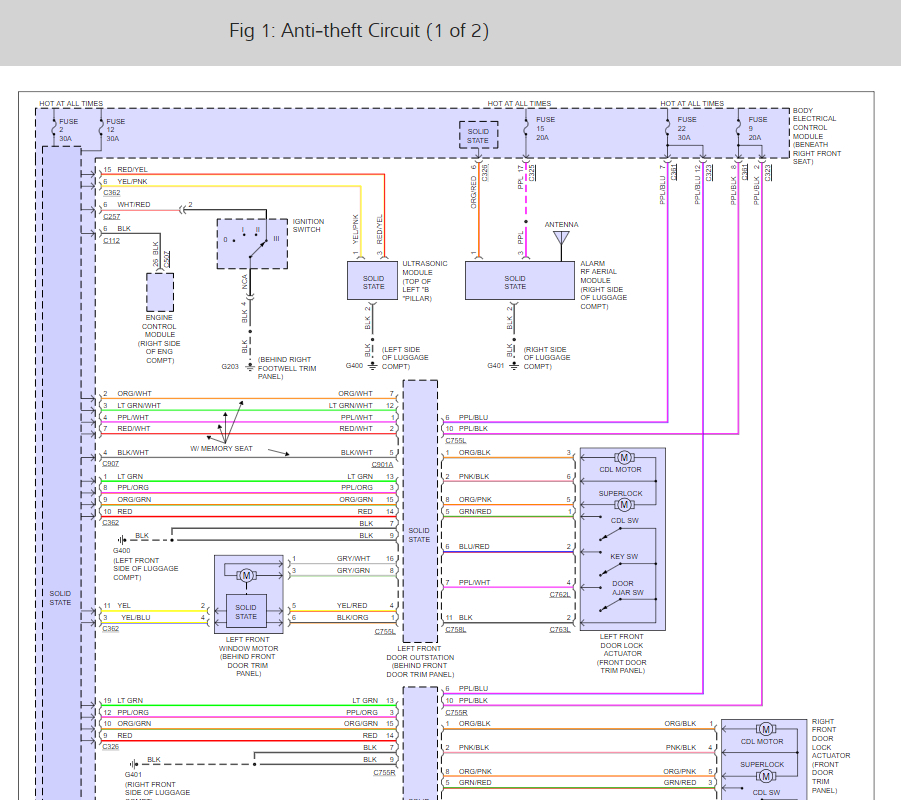
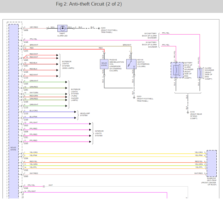
How can I bypass a immobilizer on a Rover Metro?
My Metro's immobilizer seems to have come on the red alarm light on dash used to come on and horn would sound if tried to start it, but now the light does not come on and car will not start. I have ignition lights but starter will not turn.
I have tried taking battery out of fob and pressing it a number of times,
taking immobilizer out and disconnecting it then connecting it again.
I have ran a wire from battery to starter it starts for a few seconds.
I do not know what else I can try.
My Metro's immobilizer seems to have come on the red alarm light on dash used to come on and horn would sound if tried to start it, but now the light does not come on and car will not start. I have ignition lights but starter will not turn.
I have tried taking battery out of fob and pressing it a number of times,
taking immobilizer out and disconnecting it then connecting it again.
I have ran a wire from battery to starter it starts for a few seconds.
I do not know what else I can try.
Aug 12, 2018 at 11:55 AM






