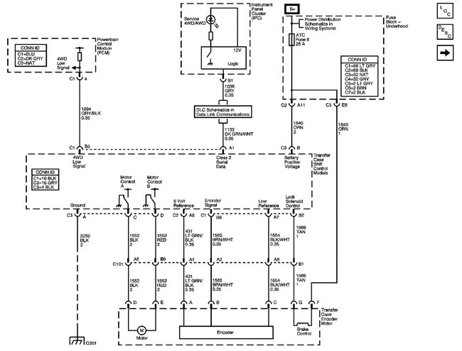
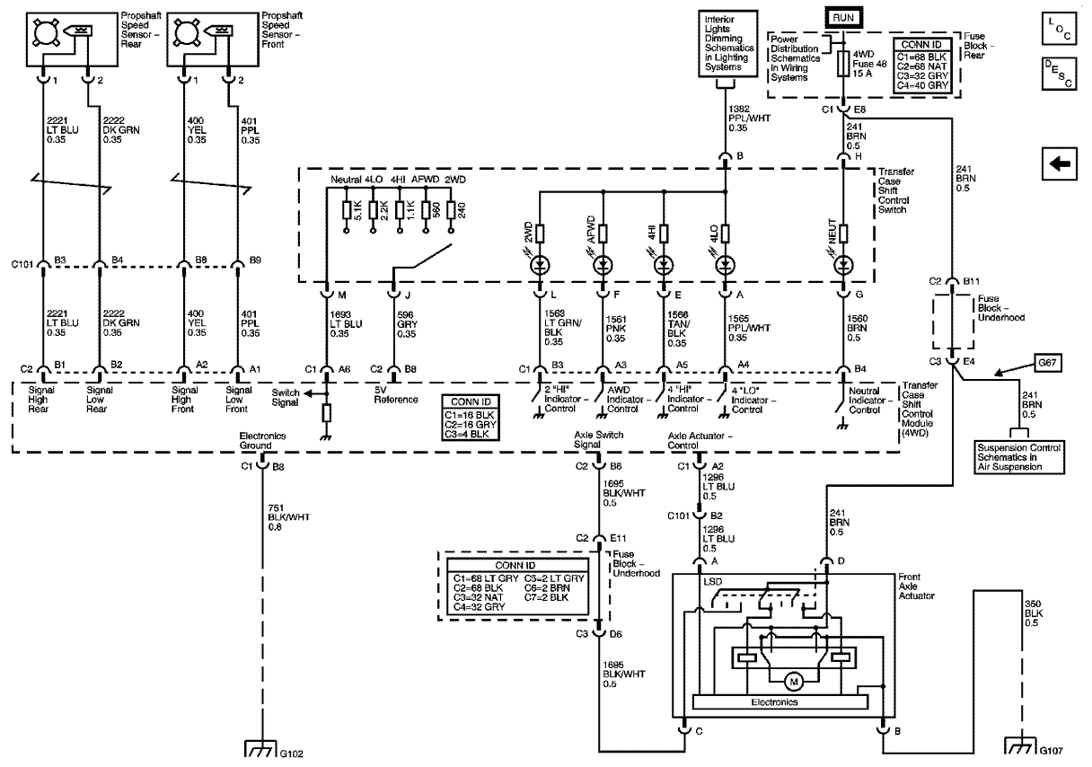
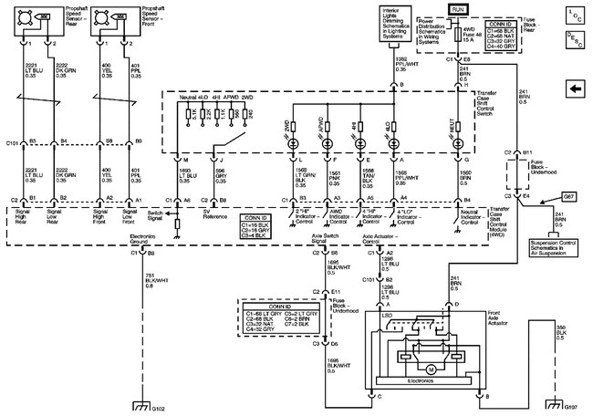
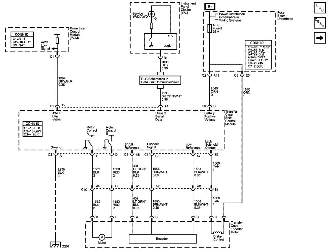
No lights on the dashboard selector switch, ( have all ready replaced), and the vehicle will not go into four wheel drive. Have all ready done research and believe that it is the actuator/encoder based on what I have found out. Research said to replace with ACDelco parts as aftermarket units may not fix problem where original part does. However, I would like to test the one I have before I replace it as it is $200.00 plus, and $30.00 core charge. Is there a way to test these to see if they work before I shell out $230.00 plus for the part? Thank you.
Jan 4, 2018 at 5:51 AM

