Clicking noise in dash, possibly the blend door actuator?

2014 FORD F-150
52,000 MILES • 3.5L • V6 • 4WD • AUTOMATIC
Avatar
JPSH2ODR
  • MEMBER
  • 6 POSTS
As soon as I open a door and before I even insert the key in the ignition I hear a loud clicking noise in the dash. When I start the truck the clicking noise will stop after about 5 seconds. My research leads me to think it's the blend door actuator but all similar situation had only happened when other owners turned the ignition on. Need help on diagnosing the problem. Thank you.
Sep 13, 2019 at 11:07 AM
Advertisement
Avatar
BMDOUBLE
  • CERTIFIED EXPERT
  • 1,139 POSTS
Do you have manual or automatic/dual zone climate control? One of your actuators has failed and the reason it clicks before you even put the key in is because when the door is opened the modules wake up, now when the HVAC wakes up it will attempt to re-calibrate the position of the door in question because the position that the control head is asking for does not correlate to what the actual position is. We just have to figure out which actuator it is, temperature,mode,driver,passenger(dual zone).
Sep 13, 2019 at 12:42 PM
Avatar
JPSH2ODR
  • MEMBER
  • 6 POSTS
I have a single zone manual control. I understand what you're saying about figuring out which actuator it is but I am not able to make the truck make the clicking noise once I start it up. I just went out again and selected different modes ( floor, dash vents, defrost, and combinations) and no clicking. Then I tried changing temps click by click and still can't get it to make noise. Also tried the max air and recycle air and once again no clicking noise. Turned the truck off and opened the door and no clicking noise, went back after 40 minutes and the clicking returns when I open a door.it starts clicking again.
Sep 13, 2019 at 2:14 PM
Advertisement
Avatar
BMDOUBLE
  • CERTIFIED EXPERT
  • 1,139 POSTS
You will need to retrieve the trouble codes from the hvac module, and if your scan tool has the capability, monitor the door actuator positions while going from full hot to cold,floor to defrost, and recirc to fresh air. All of these tests will help identify the root cause without any of the guess work.
Sep 13, 2019 at 2:31 PM
Avatar
JPSH2ODR
  • MEMBER
  • 6 POSTS
Sounds like we just went beyond my capability, I don't have a scan tool and I don't know where the HVAC module would be. The best that I can do with my own equipment is a multi meter. Sounds like it's time to take it to the Ford dealer or a reliable shop. Thanks for your help though.
Sep 13, 2019 at 3:08 PM
Avatar
STRAILER
  • CERTIFIED EXPERT
  • 53,855 POSTS
Hello,

If I can jump in here. I would try to isolate the noise to the effected actuator and then replace it. Below are diagrams to show you the locations. Can you please shoot a quick video with your phone so we can hear the noise? that would be great. You can upload it here with your response. Check out the diagrams (below). Please let us know what you find. We are interested to see what it is.
Sep 16, 2019 at 2:45 PM
Avatar
BMDOUBLE
  • CERTIFIED EXPERT
  • 1,139 POSTS
Ken is correct though, you can repair it if you can feel and see it while it happens. It will involve laying on your back and reaching around under the dash, just let us know where you feel and hear the noise exactly.
Sep 16, 2019 at 6:32 PM
Avatar
JPSH2ODR
  • MEMBER
  • 6 POSTS
Here's the video that Ken had requested. Today when I made the video the clicking noise actually did occur after the vehicle was started when I switched between floor and dash vent. Take a look at the video and let me know what you think.
Sep 17, 2019 at 3:23 PM
Avatar
BMDOUBLE
  • CERTIFIED EXPERT
  • 1,139 POSTS
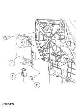
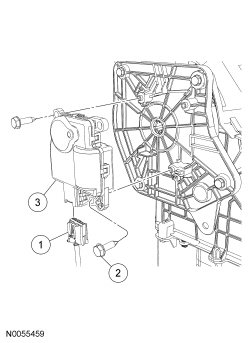
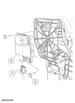
Good job on the video! This is the mode door actuator which is located on the driver side under the dash. You'll have to lay down and reach up to unscrew the 2 8mm bolts to remove the actuator, a pretty easy and straightforward job for anyone to do. After you install the new one, remove fuse #46 from the interior fuse panel behind the passenger kick panel for 1 minute then re-install it, this will recalibrate the actuator when you start the truck. I've attached a picture of the actuator for reference.
Sep 17, 2019 at 5:53 PM
Avatar
JPSH2ODR
  • MEMBER
  • 6 POSTS
Thanks for the information and the reference picture. I will order the actuator and try to install it myself in a few weeks. I had surgery the day after I sent you the video and have just returned home, should be able to attempt the repair in about 3 weeks. Thanks for all of your help in nailing down which actuator to replace. You guys provide a great service for us DIY types.
Sep 23, 2019 at 9:58 AM
Avatar
STRAILER
  • CERTIFIED EXPERT
  • 53,855 POSTS
Hope you feel better soon, we are glad to help let us know what happens.
Sep 23, 2019 at 12:39 PM
Avatar
BMDOUBLE
  • CERTIFIED EXPERT
  • 1,139 POSTS
Get well soon! keep us posted!
Sep 24, 2019 at 9:15 AM
Avatar
JPSH2ODR
  • MEMBER
  • 6 POSTS
I was able to replace the mode door actuator over the weekend and the problem is now resolved. The replacement took about 1 hour but would have gone faster if I had realized that I needed to manually rotate the mode door to get the actuator gear lined up with the mode door gear so the actuator would fit into place. Once I figured that out things went smoothly. Thanks again for all of your help.
Oct 2, 2019 at 3:10 PM
Avatar
BMDOUBLE
  • CERTIFIED EXPERT
  • 1,139 POSTS
Good deal! yeah lining that door up is a part of the job that I wish was easier, sometimes it will drop right in, then other times it will fight you to no end! Glad it worked out though!
Oct 2, 2019 at 4:58 PM
Avatar
BRAD ADAMS
  • MEMBER
  • 1 POST
Has anyone had the issue that after power has been taken from a F150 2013 that the A/C controls are back to front.when the temperature control is on hot, it's cold and when the control is on cold, it's hot.
This is happening on both sides, this is a dual control climate control automatic.
Feb 23, 2020 at 8:18 PM
Avatar
STRAILER
  • CERTIFIED EXPERT
  • 53,855 POSTS
Hello,

This happens when the control head goes out. here are the instructions on ow to replace it. You will need to get the part number off of it but here are some examples of cost.

Dash Control Unit
DL3Z19980D
$198.92

With Power Telescopic Mirror
Dash Control Unit
DL3Z19980E
$202.25

With Heated Rear Window
Dash Control Unit
DL3Z19980F
$203.08

Check out the diagrams (below). Please let us know what happens.
Feb 24, 2020 at 10:46 AM
Avatar
GREG PECK
  • MEMBER
  • 6 POSTS
A/C when I shut it off and restart it the air only comes out of the defrost and the blend door starts clicking. I just replaced the battery, now when I turn on the truck after it has sat all night the A/C works fine. After it has set all night it works fine again.
Apr 15, 2021 at 1:58 PM (Merged)
Avatar
BMDOUBLE
  • CERTIFIED EXPERT
  • 1,139 POSTS
Sounds like a new mode door actuator is in your future. I have included the instructions. Check out the diagrams (below). Please let us know what happens.
Apr 15, 2021 at 1:58 PM (Merged)
Avatar
GREG PECK
  • MEMBER
  • 6 POSTS
Why does it work fine when you start it up in the morning?
Apr 15, 2021 at 1:58 PM (Merged)
Avatar
STRAILER
  • CERTIFIED EXPERT
  • 53,855 POSTS
Hard to say, but anytime the actuator is making noise it needs to be replaced. Please let us know what happens.
Apr 15, 2021 at 1:58 PM (Merged)
Avatar
COSMOS51
  • MEMBER
  • 1 POST
When I turn key on I hear a clicking noise briefly but not long enough to hear where it is coming from. A/C works good and heat seems too, but not sure where clicking coming from. Think it is a blend door actuator but not sure how to find out which one.
Apr 15, 2021 at 1:58 PM (Merged)
Avatar
ASEMASTER6371
  • CERTIFIED EXPERT
  • 52,796 POSTS
Good evening.

Try commanding heat and cool and see if it gets louder or stops. Then try going from defrost to floor and vent and see if the noise changes. Check out the diagrams (Below). Please let us know what happens.

Roy
Apr 15, 2021 at 1:58 PM (Merged)