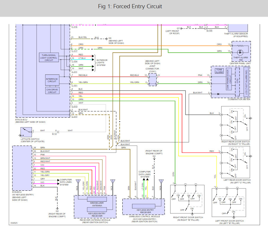
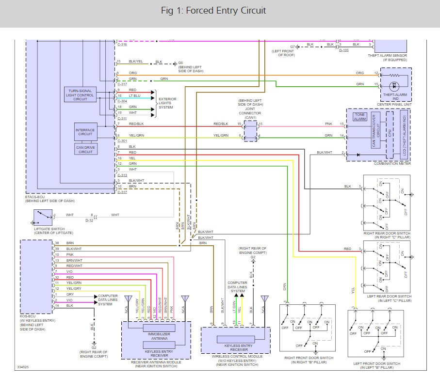
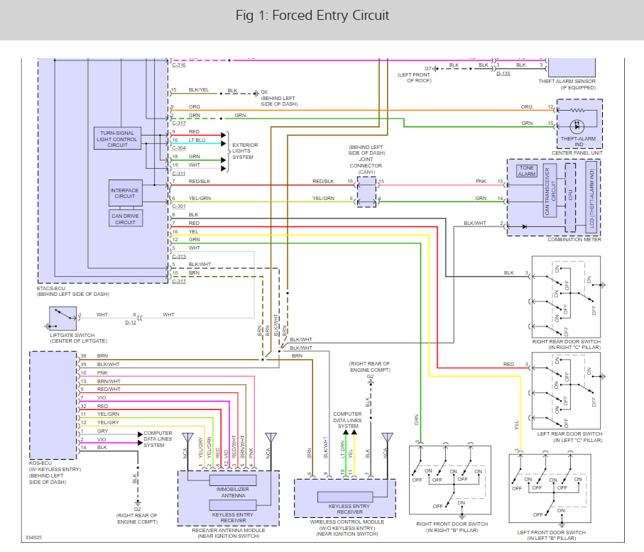
About 3 days ago my car gave me a warning saying that the fast key batter was low. After I took my car to get an oil change and my tires filled with air, I struggled to start my car (of course I thought this was because my key battery was dying). When I got home from the auto store I had noticed that my car doors wouldn't lock with my fob key and it had given me a warning about wheel lock. I replaced the battery in the fast key and the ignition still won't turn. I tried turning the steering wheel with both the emergency key and the fast key but nothing worked, I also noticed that before my fast key battery died, I would be able to unlock the door of my car when I was in the radius with the fast key, but now I can't so it seems like it's not detecting it, although I can still use it to press the buttons to unlock the car.
Jan 25, 2019 at 1:45 PM














