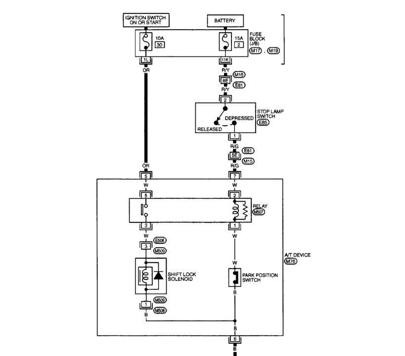
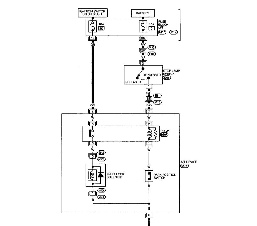
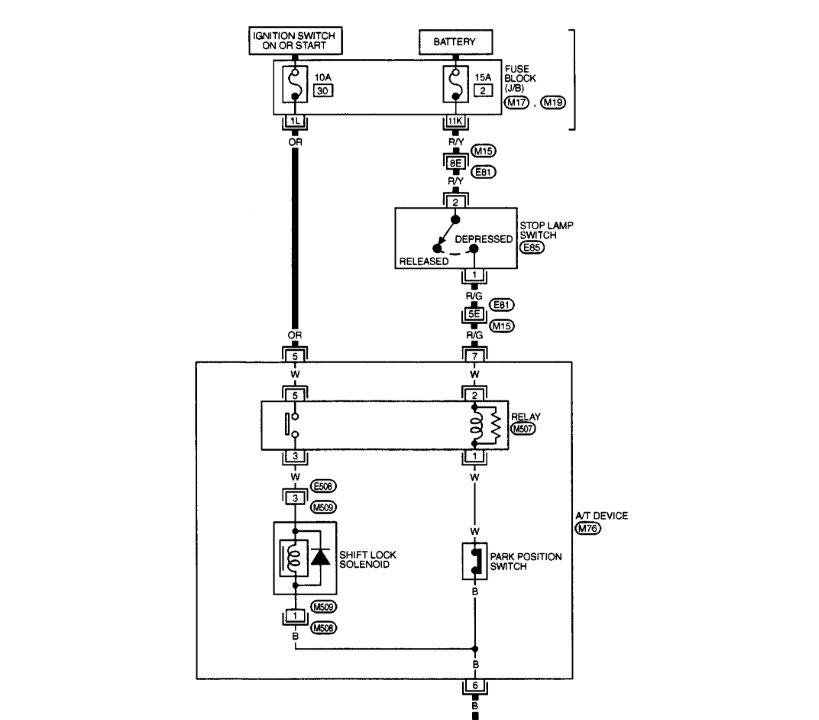
I am unable to start my car. I put the key in ignition but the key is unable to turn for the car to start. My lights and radio will come on but I'm still unable to start my car.
Jan 28, 2020 at 7:44 AM


