Ignition will not turn off car

1995 INFINITI J30
200,000 MILES • 3.0L • V6 • 2WD • AUTOMATIC
Avatar
DAVIDCROSBY
  • MEMBER
  • 1 POST
The car will not turn off by the ignition. The only way to turn it off is by pulling out the rear taillight fuse from the fuse box under the hood. If you put the fuse back in after it shut off, it is in the run position with as the dash warning lights show up just like turning on the key. Unplugging the ignition does not do anything to shut it off. When I turn the key to stop it still keeps running but shuts down like it is not getting the voltage it needs but will not shut off. Pulling the tail light fuse under the hood shuts it off.

Update:
I did not repair the problem but I guess I amputated it by disconnecting all three plugs from the remote unit in the trunk. All seems to be working fine (at least for the moment).
May 6, 2018 at 5:57 AM
Advertisement
Avatar
STRAILER
  • CERTIFIED EXPERT
  • 53,854 POSTS
Hello,

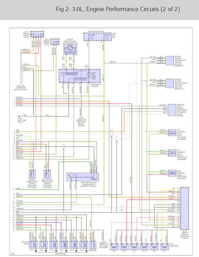
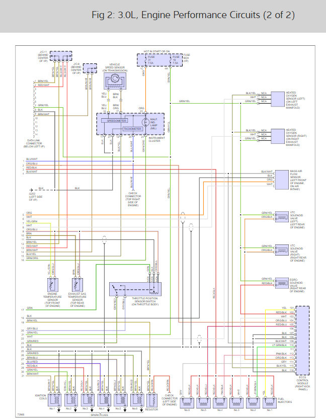
It sounds like you have an ECCS relay that is sticking on. Here is an engine wiring diagram to show you how the system works and the location of the relay.

Check out the diagrams (below). Let us know what happens and please upload pictures or videos of the problem.

Cheers, Ken
May 8, 2018 at 12:00 PM