Engine turns over but wont start?

2019 NISSAN X-TRAIL
220 MILES • 1.5L • 4 CYL • MANUAL
Avatar
0726918069
  • MEMBER
  • 1 POST
The engine is cranking but there is no spark on the ignition coil and fuel pump. what should I do?
Sep 5, 2019 at 12:24 PM
Advertisement
Avatar
STRAILER
  • CERTIFIED EXPERT
  • 53,854 POSTS
Can you double check the year make model engine size for us? Also it the security light flashing? if so here is a guide to help rest the system:

https://www.2carpros.com/articles/how-to-reset-a-security-system

If the security light is not flashing it sounds like the crankshaft sensor has gone out but to be sure lets check out this guide.

https://www.2carpros.com/articles/car-cranks-but-wont-start

Please run down these guides and report back.

Sep 7, 2019 at 1:39 PM
Avatar
2CP-ARCHIVES
  • MEMBER
  • 4,540 POSTS
Diesel, 2007, engine turns over but wont start. OBD-II code. only P1435 code present (relates to DPF and has been present for several months) so I do not think it is that.
Oct 5, 2020 at 11:18 AM (Merged)
Advertisement
Avatar
KHLOW2008
  • CERTIFIED EXPERT
  • 41,814 POSTS
Common rail engines are not that simple to diagnose and basically you need a scan tool to monitor the various conditions to find out what is missing.

You can't just loosen a fuel line to test if fuel is present because the pressure is extremely high and any drop in the pressure can cause non starting.
Oct 5, 2020 at 11:18 AM (Merged)
Avatar
JACQUES ROELOFSE
  • MEMBER
  • 1 POST
Hi all i am new. I have a big problem my engine management light does not come on even if the accessories is turn to on it work before all of the sudden it stall. Scanner cannot connect because of this and the car does not start. Any ideas and help? Please Thanks
Oct 5, 2020 at 11:18 AM (Merged)
Avatar
MHPAUTOS
  • CERTIFIED EXPERT
  • 31,937 POSTS
There should be a fuse for the DLC or the globe may have blown this will shut down the data link access in many cars. i am looking for the fuse location, but my data base is down just now, i will keep trying and advise ASAP.
Oct 5, 2020 at 11:18 AM (Merged)
Avatar
STRAILER
  • CERTIFIED EXPERT
  • 53,854 POSTS
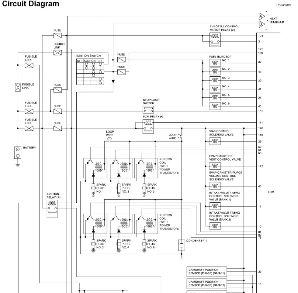
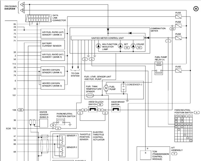
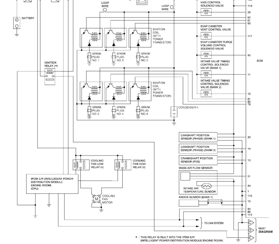
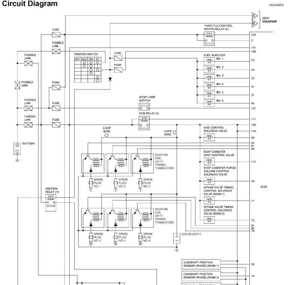
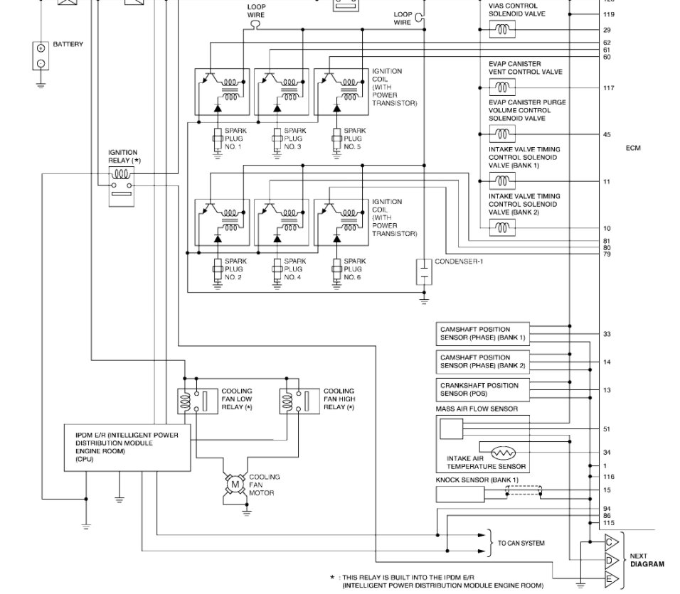
It sounds like you have one of three problems, first you have lost a fuse or relay. IF these check out okay I would suspect a burnt out ECU. Here are some guides and engine wiring diagrams (below) so we can do some testing.

https://www.2carpros.com/articles/how-to-check-a-car-fuse

and

https://www.2carpros.com/articles/how-to-check-an-electrical-relay-and-wiring-control-circuit

Please let us know what happens.

Cheers, Ken
Oct 5, 2020 at 11:18 AM (Merged)
Avatar
TJACKSON8
  • MEMBER
  • 1 POST
My vehicle listed above petrol was overheating. we took it to a mechanic and he told us the water pump needs to be replaced. while doing that he told us we need a new fan which he also replaced. We got the car back and it rode perfect for the next week. Then it started overheating again and now broke down. Took it back to the mechanic and he is stumped he does not know why he cannot get it to start.
Oct 5, 2020 at 11:19 AM (Merged)
Avatar
JACOBANDNICKOLAS
  • CERTIFIED EXPERT
  • 110,175 POSTS
Hi and thanks for using 2CarPros.

Many things can cause a crank no start condition. If that is what is happening, read through this link which discusses different causes, how to check and how to repair the condition.

https://www.2carpros.com/articles/car-cranks-but-wont-start

Now, basically what needs done if that link isn't helpful is to check if the engine is getting spark and fuel. Here are links that show how that is done:

https://www.2carpros.com/articles/how-to-check-fuel-system-pressure-and-regulator

https://www.2carpros.com/articles/how-to-test-an-ignition-system

Those are the two most common reasons an engine won't start. Here are a couple links to help you through the process of checking:

https://www.2carpros.com/articles/how-to-use-a-test-light-circuit-tester

https://www.2carpros.com/articles/how-to-use-a-voltmeter

https://www.2carpros.com/articles/how-to-check-wiring

Let me know the results of these tests. Also, here are the manufacture's fuel pressure specs.

Fuel Pressure (Key ON, Engine OFF) .................... 345-395 kPa (50-57 psi)

Let me know if this helps.

Joe
Oct 5, 2020 at 11:19 AM (Merged)
Avatar
ROSIE AND SON
  • MEMBER
  • 1 POST
Running QR25DE engine; coolant in rad: did head gasket change, timing chain KIT change; refinished head and block at machine shop; replaced camshaft position sensor; new spark plugs. So at first, on putting the engine back together the CP sensor was not installed flush. Upon starting got 'no compression sound' and no spark. Fixed sensor and engine coughs, won't start and there are massive amounts of fuel in each chamber. Dried out chambers and plugs, no start! New plugs, no start! Lots MORE fuel in chambers! Disconnected injectors. Could fuel be entering the chamber with the vehicle off, key out? How extensive could the problem(s) be? Bad injectors or wiring? Damaged computer module? THANKS for your help!

Rosie & son
Oct 5, 2020 at 11:19 AM (Merged)
Avatar
JOETECHPRO
  • CERTIFIED EXPERT
  • 705 POSTS
Hey ROSIE AND SON,

When you say a no compression sound do you mean that the engine turns over too fast or do you mean it is cranking but not firing?

Do you have a spark now after fixing the crank shaft position sensor issue?

Can you please check for engine management fault codes and see what you have?

Guide below:

https://www.2carpros.com/articles/checking-a-service-engine-soon-or-check-engine-light-on-or-flashing

Due to having replaced the motor i would say ensuring you have rechecked all of the wiring harness connections and ground connections that you removed would be a great first step.

Also checking all of the fuses in the under hood fuse box.

Regards, Joe
Oct 5, 2020 at 11:19 AM (Merged)
Avatar
MICHAELHOLLAND
  • MEMBER
  • 1 POST
Changed the plugs, added 20 l of fresh gas and stablizer. Battery is charged and on a trickle. engine turns over but won't fire.
Oct 5, 2020 at 11:19 AM (Merged)
Avatar
JOETECHPRO
  • CERTIFIED EXPERT
  • 705 POSTS
Hey MICHAELHOLLAND,

Can you please confirm that the security light is out when cranking?

Example of security light in picture attached below.

When cranking this dash light should not be illuminated or the vehicle immobilizer is preventing starting.

Regards, Joe
Oct 5, 2020 at 11:19 AM (Merged)
Avatar
RONDORON
  • MEMBER
  • 4 POSTS
Hi, my vehicle is petrol and starts no problem when cold but travel a little then stop it turns over but will not start. If you put your foot on accelerator and turn it over it will fire up, changed cram and crank sensors.
Oct 5, 2020 at 11:19 AM (Merged)
Avatar
HMAC300
  • CERTIFIED EXPERT
  • 48,601 POSTS
if you can next time hit bottom of tank with fist or palm of hand if it starts right away then the fuel pump is probably going bad. also, check fuel pressure with a gauge. in US auto parts rent it. See link.
https://www.2carpros.com/articles/how-to-check-fuel-system-pressure-and-regulator
Oct 5, 2020 at 11:19 AM (Merged)
Avatar
RONDORON
  • MEMBER
  • 4 POSTS
Hi, thanks for your suggestions I will try it and let you know if it works. I am not a car person and do not know my way around an engine but I will have a go as I have spent money on it. cheers!
Oct 5, 2020 at 11:19 AM (Merged)
Avatar
RONDORON
  • MEMBER
  • 4 POSTS
Now vehicle not start cranks over trying but not fire up. cheers
Oct 5, 2020 at 11:19 AM (Merged)
Avatar
HMAC300
  • CERTIFIED EXPERT
  • 48,601 POSTS
probably sounds like your fuel pump has gone out.
Oct 5, 2020 at 11:19 AM (Merged)
Avatar
RONDORON
  • MEMBER
  • 4 POSTS
Have you any suggestions please?
Oct 5, 2020 at 11:19 AM (Merged)
Avatar
HMAC300
  • CERTIFIED EXPERT
  • 48,601 POSTS
It sounds like a bad fuel pump unless it is a security problem if that is case see link. if still not starting check fuses under hood and fuel pressure with a gauge. also, try smacking bottom of tank with fist or palm of hand if it starts the pump is bad.
https://www.2carpros.com/articles/how-to-reset-a-security-system
https://www.2carpros.com/articles/how-to-check-fuel-system-pressure-and-regulator
Oct 5, 2020 at 11:19 AM (Merged)
Avatar
DARRENFRAN19631971
  • MEMBER
  • 1 POST
Car has just decided not to start. I have tried the fuse trick. I have checked the spark plugs. There is smell of fuel when trying to start so I believe fuel injectors okay. Was running okay then went to start in morning but nothing. It has ignition and sounds like it wants to start but does not. Any information I will be grateful for. Thank you in advance.
Oct 5, 2020 at 11:19 AM (Merged)
Avatar
JACOBANDNICKOLAS
  • CERTIFIED EXPERT
  • 110,175 POSTS
Hi and thanks for using 2CarPros.com.

If you smell fuel, chances are there is no spark to the plugs. Here is a link which shows how to check:

https://www.2carpros.com/articles/how-to-test-an-ignition-system

If you find there is no spark, the most common problem is a crankshaft position sensor. Here are links which discuss symptoms as well as how to replace one:

https://www.2carpros.com/articles/symptoms-of-a-bad-crankshaft-sensor

https://www.2carpros.com/articles/crankshaft-angle-sensor-replacement

Let me know if this helps.

Take care,
Joe
Oct 5, 2020 at 11:19 AM (Merged)
Avatar
110000
  • MEMBER
  • 1 POST
hie my wife drives a nissan xtail 2004 a/t recently the car wont start for 3 days now and we thought the radio we changed before caused the problem and we did put back the original radio but still it didnt start ,the plugs wont fire the starter cranks but the engine wont fire we checked the fuses all are well fuel full now we dont what to do please help.
Oct 5, 2020 at 11:20 AM (Merged)
Avatar
STRAILER
  • CERTIFIED EXPERT
  • 53,854 POSTS
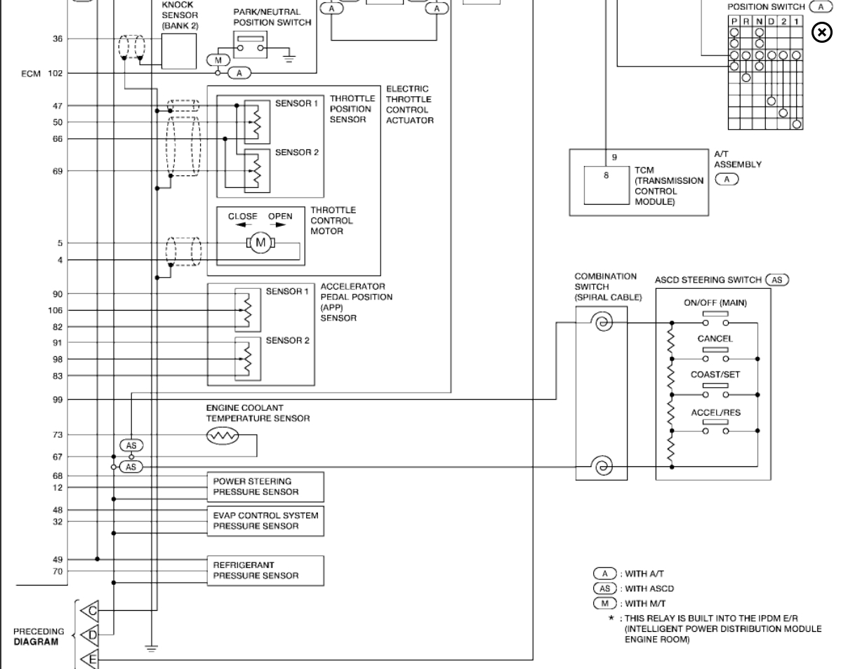
This sounds like you have a crankshaft angle sensor that has gone out. Here is a guide that will show you what you are in for when changing the sensor.

https://www.2carpros.com/articles/crankshaft-angle-sensor-replacement

and

https://www.2carpros.com/articles/car-cranks-but-wont-start

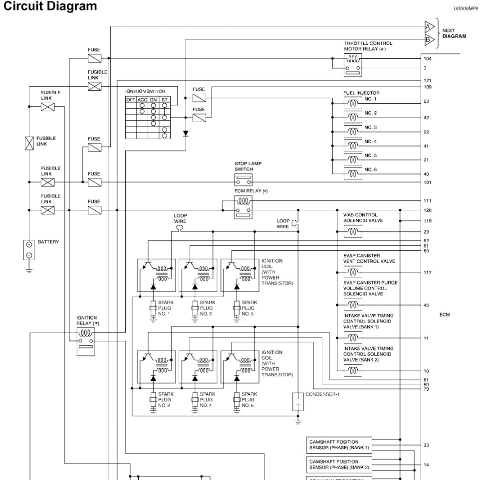
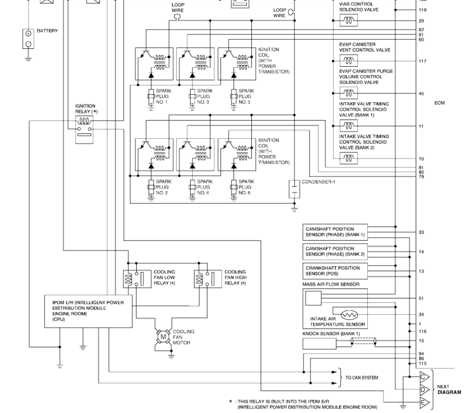
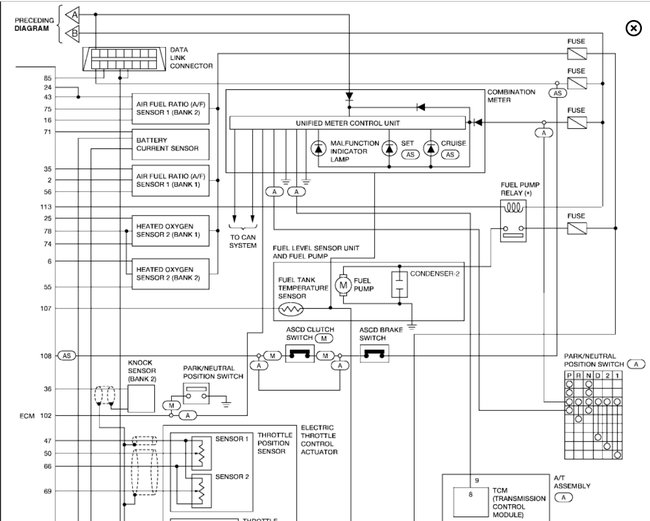
Here are some diagrams that will show you what the job is like on your car.

You will need to lift the car to change it becasue it is up on the bell housing of the transmission. Here is a guide to help you do it safely.

https://www.2carpros.com/articles/jack-up-and-lift-your-car-safely

Please let us know what happens so it will help others.

Cheers, Ken
Oct 5, 2020 at 11:20 AM (Merged)
Avatar
EMMANUEL KAWALA
  • MEMBER
  • 1 POST
It was boiling so they changed the gasket and did skimming cylinder head it started quite well. we drove it and parked the following morning trying to start it failed only to discover that there is no spark on the coils. what could be the problem?
Oct 5, 2020 at 11:20 AM (Merged)
Avatar
MHPAUTOS
  • CERTIFIED EXPERT
  • 31,937 POSTS
Check crank angle sensor is plugged in and tight. also, run a scan just to see if there are any codes set.
Oct 5, 2020 at 11:20 AM (Merged)
Avatar
RENEE L
  • CERTIFIED EXPERT
  • 1,260 POSTS
Hello EMMANUEL KAWALA,

I am sending you a link to an article that features written step by step instructions and pictures explaining how to scan for codes yourself. Also, I have included a link to our YouTube channel with a how to video on code scanning.

This is applicable even if your check engine light is not on.

Most scanners are inexpensive to purchase, you can purchase one online from sites like Amazon.com

https://www.2carpros.com/articles/checking-a-service-engine-soon-or-check-engine-light-on-or-flashing

https://youtu.be/YV3TRZwer8k

Once you have the codes please get back to us so that we can further assist you. We are always happy to help.

Thank you for visiting 2CarPros.com.

Kindest regards,
Renee

Admin
Oct 5, 2020 at 11:20 AM (Merged)
Avatar
EMMANUEL KAWALA
  • MEMBER
  • 1 POST
Hi, am trying to diagnose using OBDII/EOBD diagnosing equipment and it's failing to connect saying linking error what could be the problem.
Oct 5, 2020 at 11:20 AM (Merged)
Avatar
STRAILER
  • CERTIFIED EXPERT
  • 53,854 POSTS
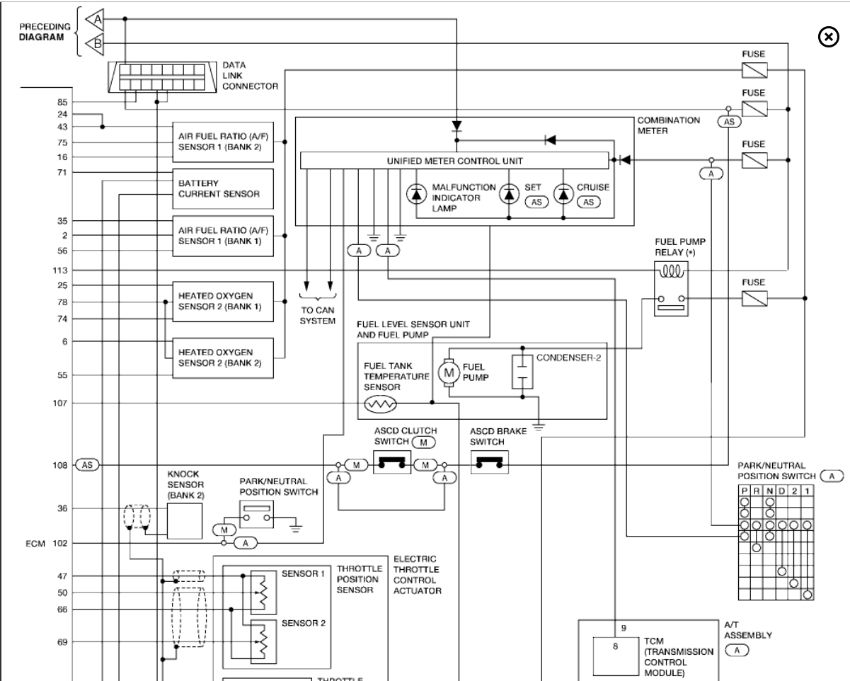
It sounds like you have a fuse out here is a wiring diagrams so show you how the ALDL is wires and which fuses power it.

https://www.2carpros.com/articles/how-to-check-a-car-fuse

Check out the diagrams (Below)

Please let us know what happens.

Cheers, Ken
Oct 5, 2020 at 11:20 AM (Merged)