Can I get the ignition system wiring diagram?

2002 MAZDA B3000
250,000 MILES • V6 • 2WD • AUTOMATIC
Avatar
AMT4U
  • MEMBER
  • 1 POST
Need ignition system and engine wiring diagram or schematic.
Apr 16, 2024 at 12:06 PM
Advertisement
Avatar
JACOBANDNICKOLAS
  • CERTIFIED EXPERT
  • 110,175 POSTS
Hi,

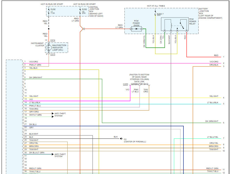
I'm not sure exactly what you need. So, I attached the entire powertrain management wiring schematic below.

The schematic was four pages. I had to cut each page in half to make them readable for you. I did overlap them.

Let me know if this helps.

Take care,

Joe

See pics below.
Apr 16, 2024 at 7:59 PM