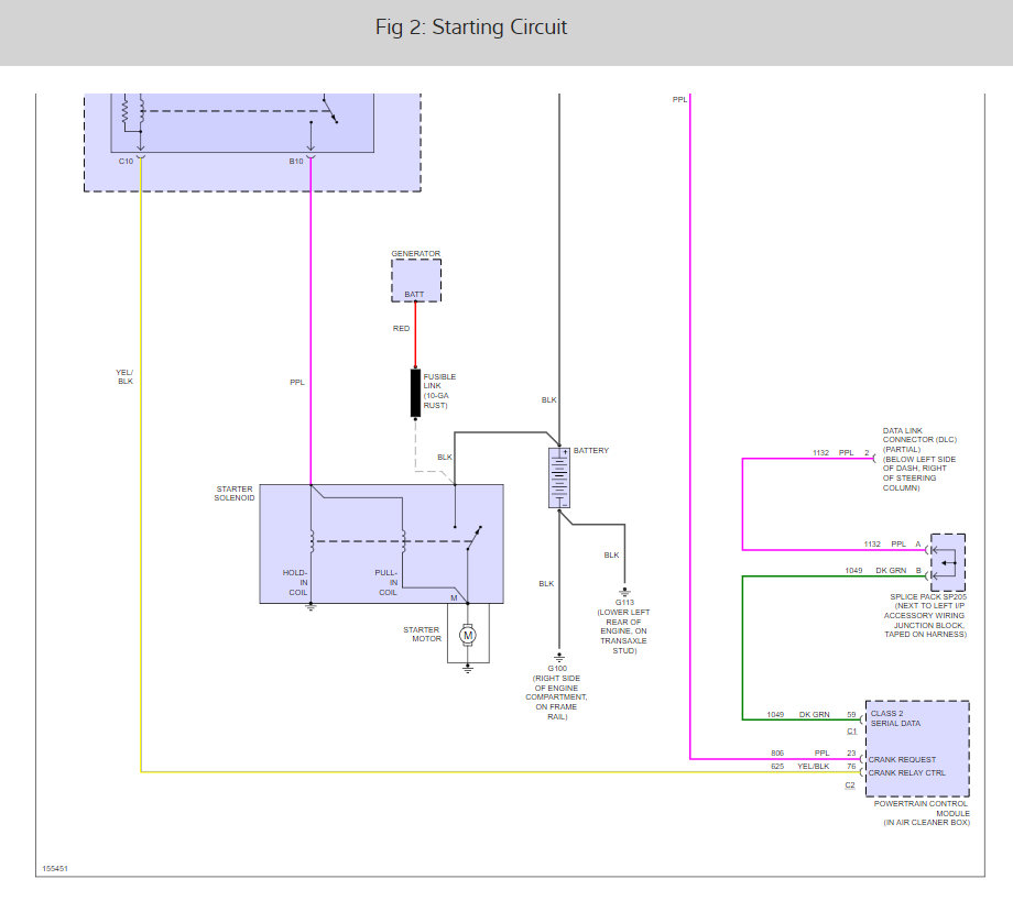
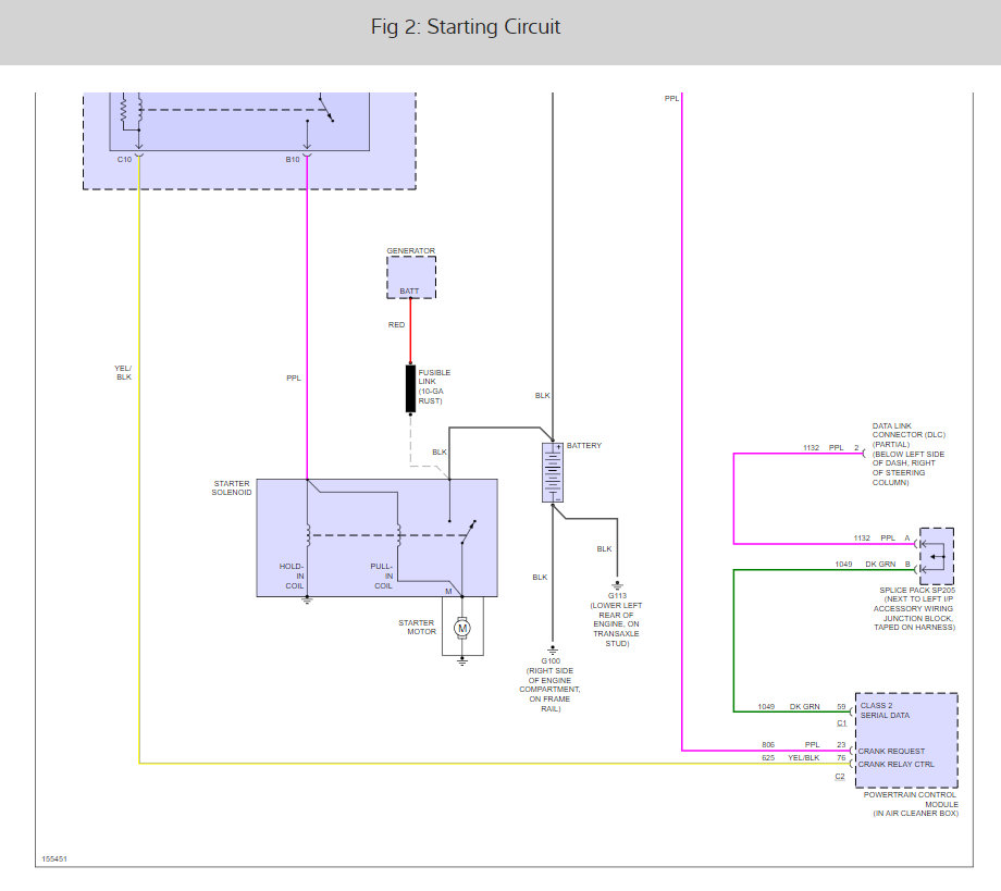
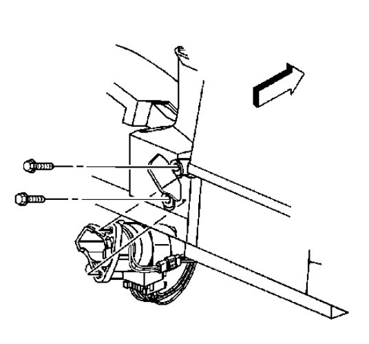
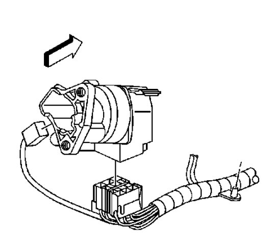
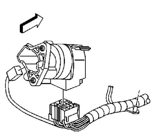
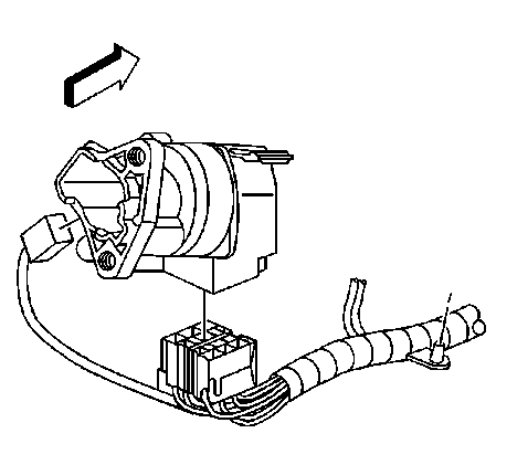
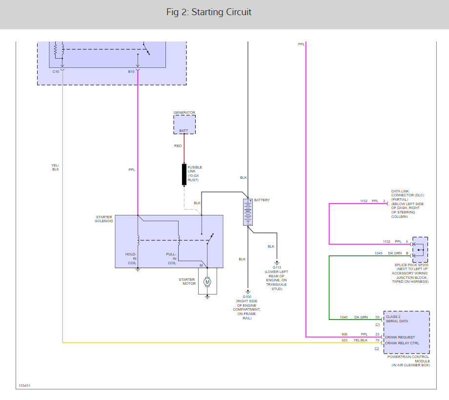
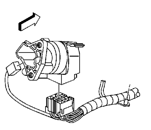
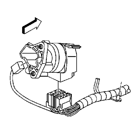
Someone replaced ignition switch and when they did they disconnected one of the wiring connectors from somewhere in the car than from the ignition switch itself. I cannot locate the other connector. The connector in question has two red wires, two pink wires, a purple wire and an orange wire. All the wires will have power at times. Two have power all the time, two when key is turned to the on position and the others when key is turned to start. Can you tell me where to look for the connector? I have looked but cannot locate.
Jul 19, 2018 at 8:05 PM





















