☰
Login
Join
×
Home
Answered Questions
Repair Topics
Repair & Service Guides
Popular Questions
Warning Lights
Trouble Codes
How It Works
Testing / Diagnostics
Symptoms
Videos
Login
Become a Member
Home
Nissan
Altima
Electrical
Ignition Switch
Wiring
Ignition switch wiring
1999 NISSAN ALTIMA
130,000 MILES • 2.0L • 4 CYL • 2WD • AUTOMATIC
BRIAN ELMORE
MEMBER
1 POST
FOLLOW
Need wiring diagram for ignition switch.
Nov 1, 2017 at 12:34 PM
Advertisement
STRAILER
CERTIFIED EXPERT
53,854 POSTS
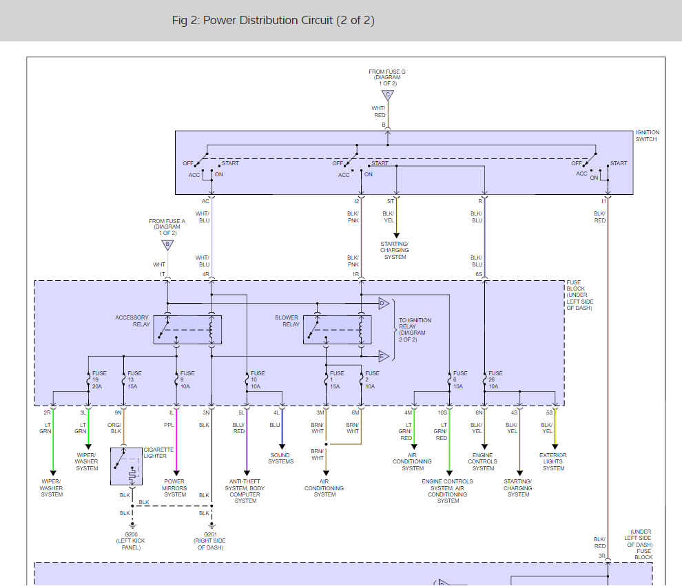
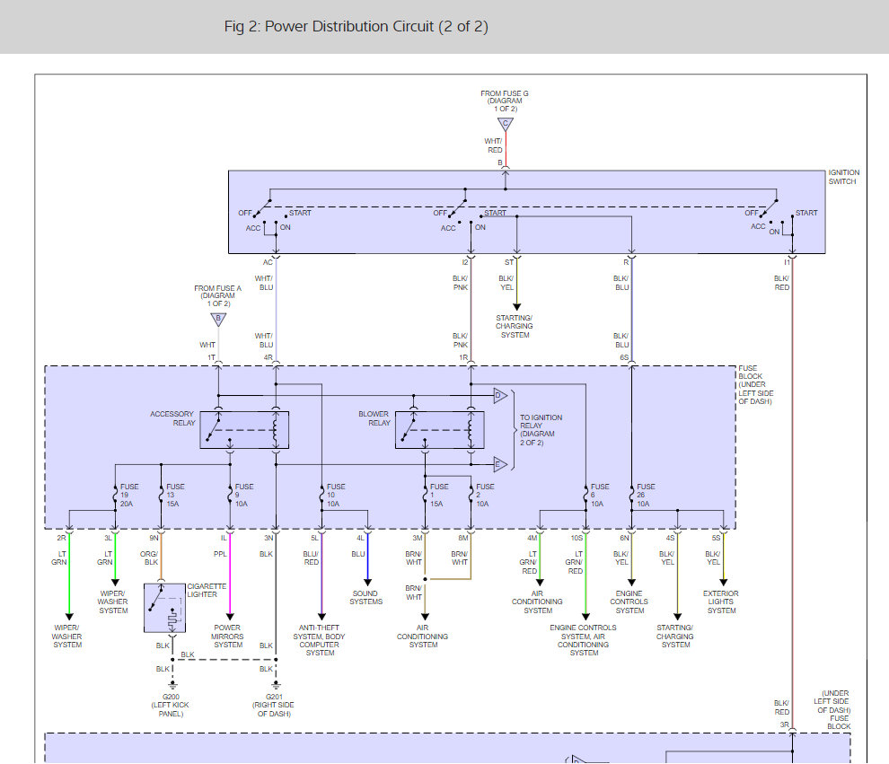
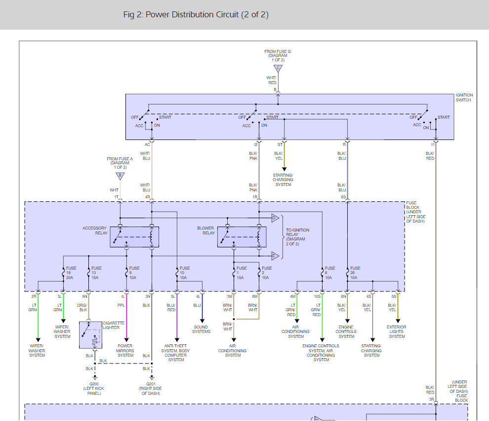
Here is the ignition switch wiring diagrams (below) Please let us know if you need anything else to get the problem fixed. Cheers, Ken............................................................................................
Images (Click to enlarge)
Nov 5, 2017 at 4:16 PM