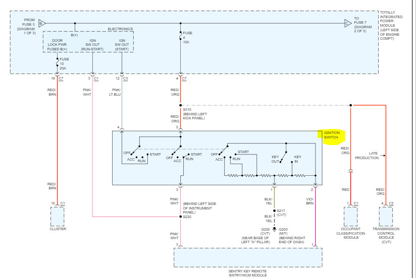
The key switch sometimes works sometimes like i have to let off and hit the key again at start up. so, i am trying to put in a push to start and i can't find what the four wires are on the ignition switch.
12+ is one i got that one.
and the ground wire i got that one.
one i think is acc.
not sure on the fourth wire oh and as of right now the car will not try to turn over.
12+ is one i got that one.
and the ground wire i got that one.
one i think is acc.
not sure on the fourth wire oh and as of right now the car will not try to turn over.
Aug 6, 2022 at 7:33 PM







