Ignition switch tumbler wiring

1999 FORD EXPEDITION
400,000 MILES • 4.6L • V8 • 2WD • AUTOMATIC
Avatar
BELIZABETHCAINE
  • MEMBER
  • 1 POST
My ignition switch was pulled out and I was cranking it with the tumbler due to my key being worn down.. the wires were pulled out and I can't figure out how to put them back in. I looked up diagram but I'm not getting the same wire colors and places you put them as the internet.. I'm currently without a ride due to this..
Dec 22, 2020 at 12:46 PM
Advertisement
Avatar
ASEMASTER6371
  • CERTIFIED EXPERT
  • 52,796 POSTS
Good afternoon,

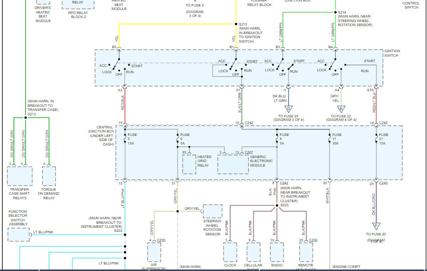
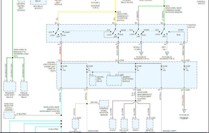
I attached the connector diagram for the switch.

https://www.2carpros.com/articles/how-to-check-wiring

Is this what you need? What color wires are the ones you need to find a home for?

Roy
Dec 22, 2020 at 1:40 PM
Avatar
DANNY L
  • CERTIFIED EXPERT
  • 5,648 POSTS
Hello, I'm Danny.

Here is the ignition switch wiring diagram you requested. Here also is a tutorial for you to view for wiring testing:

https://www.2carpros.com/articles/how-to-check-wiring

I've attached below the ignition switch wiring diagram for your SUV. I've cut the picture into 3 pieces so you can view larger. Hope this helps and thanks for using 2CarPros.
Dec 22, 2020 at 2:03 PM
Advertisement