What size socket is required to remove the upper and lower cover to access the ignition switch?

2004 CHRYSLER PT CRUISER
185,000 MILES • 2.4L • 4 CYL • 2WD • AUTOMATIC
Avatar
BENNIE SHELTON
  • MEMBER
  • 1 POST
Ignition switch access for the vehicle listed above GT Turbo.
Apr 12, 2024 at 12:26 AM
Advertisement
Avatar
STRAILER
  • CERTIFIED EXPERT
  • 53,854 POSTS
I believe these screws are t25 long tool torx bits. Here are the instructions for changing out the ignition switch in case you need it and want to see how the job is done. Check out the images (below). Let us know if you need anything else.
Apr 12, 2024 at 6:38 PM
Avatar
JERRYSIDDOCK
  • MEMBER
  • 58 POSTS
turns out i have a worn-down actuator, i changed the switch and in the course of doing so found the path of the seatbelt dinging. now i need to change the actuator as sometimes it doesn't fall back far enough to enable the temp and fuel level gauge, and sometimes when i'm driving the engine will shut off and i have to wiggle the key to get it to come back on, which is kind of dangerous.
May 17, 2024 at 6:51 AM
Advertisement
Avatar
STRAILER
  • CERTIFIED EXPERT
  • 53,854 POSTS
Glad you could get it fixed, thanks for letting us know. Please use 2CarPros anytime we are here to help.
May 17, 2024 at 9:32 AM
Avatar
JERRYSIDDOCK
  • MEMBER
  • 58 POSTS
i still have to do something with the actuator itself because it has worn thin, which is what caused the original problem, the slot in the original switch is worn on the outside edge and the actuator has too much slop, (not thick enough), to engage as it should. there doesn't seem to be a lot/any actuators available. it's pot metal so soldering it to make it thicker is out of the question. maybe i could glue a piece of shim stock to it?
May 18, 2024 at 5:24 AM
Avatar
STRAILER
  • CERTIFIED EXPERT
  • 53,854 POSTS
Can you upload an image of what you are talking about?
May 20, 2024 at 11:38 AM
Avatar
JERRYSIDDOCK
  • MEMBER
  • 58 POSTS
i'm not sure if the reply went through, here is another image.
May 25, 2024 at 4:30 PM
Avatar
STRAILER
  • CERTIFIED EXPERT
  • 53,854 POSTS
Thanks for the images, I don't see where the part is worn?
May 25, 2024 at 4:57 PM
Avatar
JERRYSIDDOCK
  • MEMBER
  • 58 POSTS
i've circled where it has worn. it is no longer thick enough to fully engage the slot in the switch before it starts to turn. i have already changed the switch as the hole the actuator engages is eat up.
May 26, 2024 at 2:17 AM
Avatar
STRAILER
  • CERTIFIED EXPERT
  • 53,854 POSTS
I see, this cannot be repaired and must be replaced. You might be able to find one at a auto wrecker or check Ebay, I don't know if the dealer will have this part it may be obsolete.
May 26, 2024 at 9:27 AM
Avatar
JERRYSIDDOCK
  • MEMBER
  • 58 POSTS
it is obsolete, and the only source i can find is Clockspring Experts, but even they aren't sure it'll work. I'd like to put an off/run/start switch, like on a Hammond B-3, and not worry about the anti-theft feature.
May 26, 2024 at 10:24 AM
Avatar
STRAILER
  • CERTIFIED EXPERT
  • 53,854 POSTS
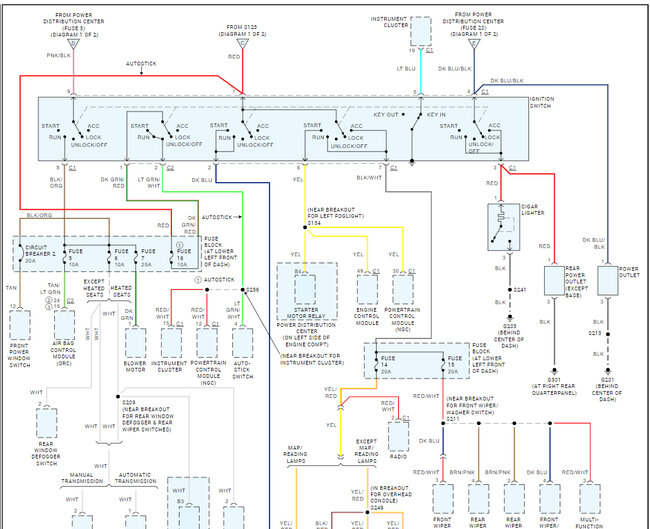
I would try a wrecking yard, but here is the ignition switch wiring diagrams so you can see how the switches should go.
May 27, 2024 at 9:50 AM
Avatar
JERRYSIDDOCK
  • MEMBER
  • 58 POSTS
is there another version of this drawing? my ignition switch has five terminals: (SR-P-R/S-S-B), but the ignition switch in the partial drawing above has eleven terminals. mine is an 07 PT Cruiser with an automatic transmission and the ignition switch is peculiar to 2007/2008, different from preceding and years that followed, or am i missing something?
May 27, 2024 at 1:59 PM
Avatar
STRAILER
  • CERTIFIED EXPERT
  • 53,854 POSTS
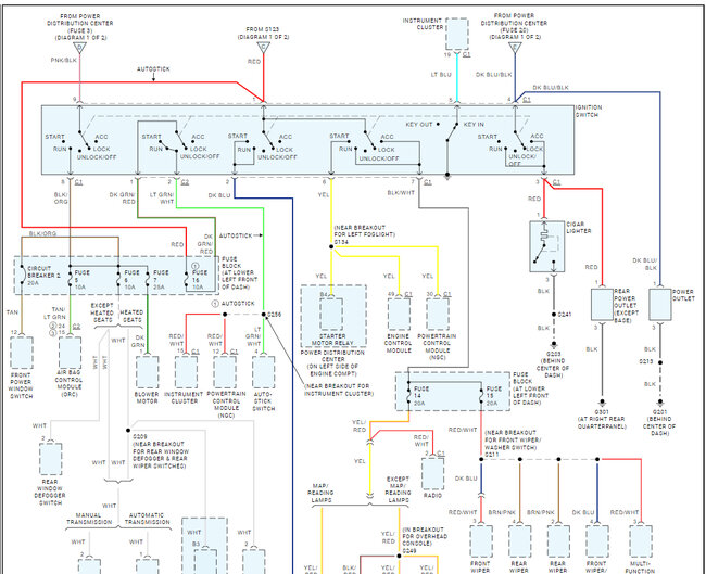
it says 2004 in the question started, here is the information for the 2007
May 28, 2024 at 9:14 AM
Avatar
JERRYSIDDOCK
  • MEMBER
  • 58 POSTS
looking through prior exchanges. i jumped in on a thread instead of starting a new one, sorry "bout that and thanks. seems like that rod at the end of the actuator pokes through and closes a contact at the very end of the switch itself. Thank you, sorry for the confusion.
May 28, 2024 at 2:41 PM
Avatar
STRAILER
  • CERTIFIED EXPERT
  • 53,854 POSTS
No worries, let us know if you need anything else.
May 29, 2024 at 8:39 AM
Avatar
JERRYSIDDOCK
  • MEMBER
  • 58 POSTS
i went to the dealer today and had him make me a key off the VIN, now i can rotate the cylinder to take it out.
May 29, 2024 at 9:36 AM
Avatar
STRAILER
  • CERTIFIED EXPERT
  • 53,854 POSTS
Nice work.
May 29, 2024 at 9:43 AM